EasyManua.ls Logo

Sharp 19C140 - 19" CRT TV

Sharp 19C140 - 19" CRT TV
24 pages
To Next Page IconTo Next Page
To Next Page IconTo Next Page
To Previous Page IconTo Previous Page
To Previous Page IconTo Previous Page
Loading...
14
654321
A
B
C
D
E
F
G
H
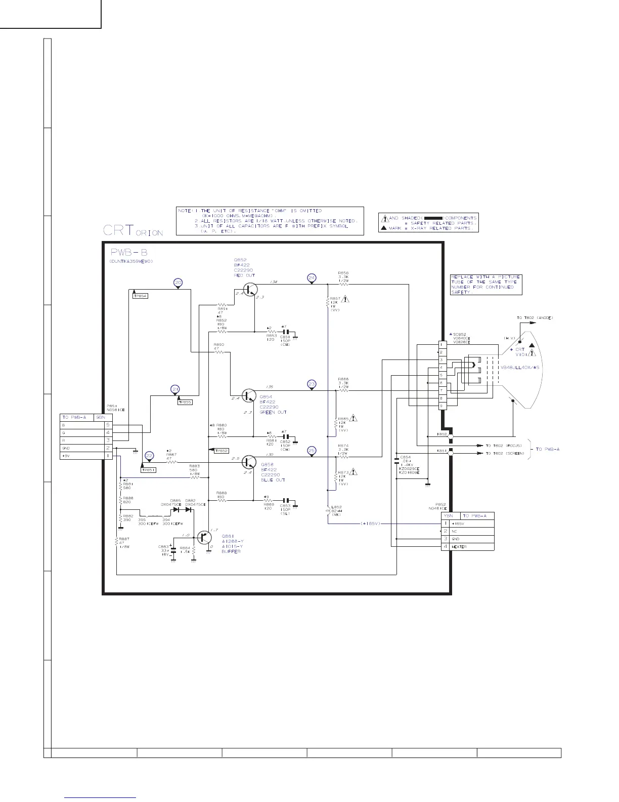
SCHEMATIC DIAGRAM: CRT Unit
19C140

Related product manuals