EasyManua.ls Logo

Sharp 26SL41M - Page 17

Sharp 26SL41M
42 pages
Print Icon
To Next Page IconTo Next Page
To Next Page IconTo Next Page
To Previous Page IconTo Previous Page
To Previous Page IconTo Previous Page
Loading...
19
26SL41M, 26SL71M
29SL81M
18
121110987654321
A
B
C
D
E
F
G
H
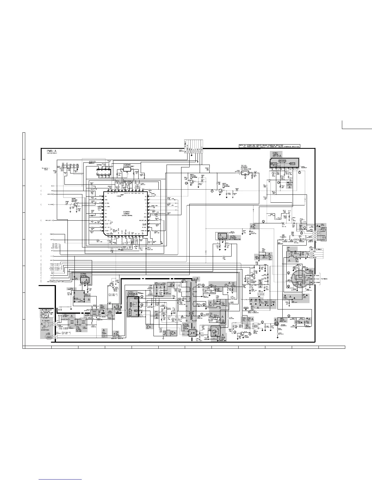
MODEL 26SL41M SCHEMATIC DIAGRAM: MAIN-2 Unit

Related product manuals