EasyManua.ls Logo

Sharp 26SL41M - Page 19

Sharp 26SL41M
42 pages
Print Icon
To Next Page IconTo Next Page
To Next Page IconTo Next Page
To Previous Page IconTo Previous Page
To Previous Page IconTo Previous Page
Loading...
23
26SL41M, 26SL71M
29SL81M
22
121110987654321
A
B
C
D
E
F
G
H
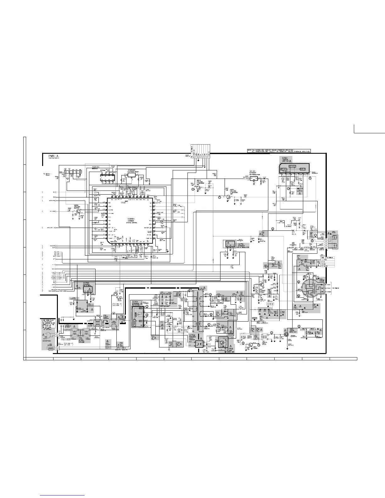
MODEL 26SL71M SCHEMATIC DIAGRAM: MAIN-2 Unit

Related product manuals