EasyManua.ls Logo

Sharp CD-C462 - Page 13

Sharp CD-C462
44 pages
Print Icon
To Next Page IconTo Next Page
To Next Page IconTo Next Page
To Previous Page IconTo Previous Page
To Previous Page IconTo Previous Page
Loading...
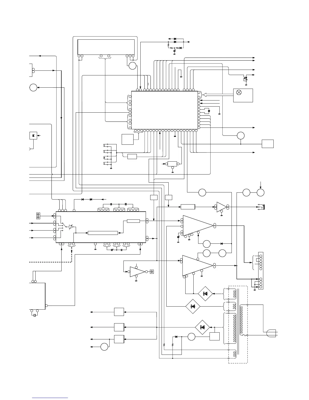
– 13 –
CD-C462/C462C
Figure 13 BLOCK DIAGRAM (3/3)
13
4
4
3
11
STAND-BY
L
JK601
VIDEO/AUX
R
L
R
JK451
SUB WOOFER
OUT
R
REAR-OUT
CENTER
OUT
FM/AM
S
WITCHING
ST FM
9
A
M
10
MONO/ST
S
T
FM
9
2
5
12
12
REAR-IN
CENTER-IN
7
VCC
14
NF
8
+12V (ANALOG)
+B4
+12V (MOTOR)
+5.6V
+B5
+B2
L
R
OUT
IC951
LA4450
POWER AMP.
+B4
PRESET GRAPHIC EQUALIZER
VDD
X-BASS
VSS
GRAPHIC EQUALIZER
VOLUME
20
28
REAR
CENTER
R
R
L
L
L
TAPE
AUX
TUNER
CD
7
Q343
VOLTAGE
REGULATOR
VOLTAGE
REGULATOR
VOLTAGE
REGULATOR
+B1
+
–
+
–
+
–
REAR SPEAKER
CENTER SPEAKER
JA901
HEADPHONES
M901
FAN MOTOR
+7.3V
Q820
Q822
Q824
Q825
Q823
Q826
IC601
LC75396E
AUDIO PROCESSOR
23
52
60
53
59
54
58
55
57
49 6348 64 26
4
42
5
43
6
44
24 25 56
CL
DI
CE
V
OLTAGE
E
GURATER
+B4
25
27
29
30
33
34
35
36
37
38
39
40
42 41434445464748495051 4352535455565859
60
65
70
57
2423222120191817
80
72
71
16151413121110
9
~
6
1
~
~
~
7
8
3
RX701
Q707~
Q709
LED701~
LED706
2
1
SYSTEM STOP
DO
DRF
DI
DE
CL
RESET
XL701
4.19MHz
AVDD
AVREF
VDD
+B2
KEY
SW701
SW730
TO POWER SECTION
+B5
PHM1
RESET
Q705
Q706
ZD701
MEMORY
BACK UP
+B2
3
2
1~
3330 31 32
Q701
+B2
+B1
UNSWITCH
FL701
DISPLAY
~
61
64
~
POWER
C-MUTE
T.F
AC 120V 60Hz
AC POWER
SUPPLY CORD
VOLTAGE
REGULATOR
Q801
Q903
Q901 Q902
Q710
D807
D809
~
D803 ~ D806
ZD801
Q704
IC701
IX0192AW
SYSTEM CONTROL
MICROCOMPUTER
TO CD SECTION
TO CD SECTION
TO CD SECTION
TO CD SECTION
14
1
2
8
4
3
3
L-OUT
FRONT
R-OUT
10
15
R-IN
FRONT
L-IN
–B
+B
+B4
IC901
STK40704
POWER AMP.
IC451
NJM4558L
SUB WOOFER AMP.
D801
D802
12
39
9
36
11
40
8
37
10
41
7
38
+
–
+
–
FRONT SPEAKER
SO901
SPEAKER TERMINAL
CD PUIN
CD SL+
CD SL–
VDD
TAPE SOL
TAPE MOTOR
TAPE MECHASTOP
TAPE FP
R MUTE
D.P.CE
T1 RUN PLSE
SOLM1
SOLENOID
SWM5
CAM
SWM4
F. A. S
SWM3
FOOL PROOF
L-CH INPUT
R-CH INPUT
T2 RRUN PLSE
CD UP DOWN/DISC NO
CD DSP RES
CD T/T OPEN/CLOSE
RESET
CD DSP SQOUT
CD DSP COIN
CD DSP RWC
CD DSP CQCK
CD DSP WRQ
T1/T2
TAPE REC
TAPE BIAS
Q603
Q604
Q601
Q602
F-MUTE
F-MUTE
3018
LRIN
RRIN
RTIN
LTIN
17
31
R
L
L-OUT
R-OUT
X501
23
24
OGIC
E
R
9
31 32
C-OUT
7
3
5
1
7
IC681
NJM4560L
HEADPHONE AMP.
Q905Q605
M
Q671 Q672
Q673 Q674
H/P MUTE
+B1
+
–
6
7
Q705
Q706

Related product manuals