EasyManua.ls Logo

Sharp CD-C462 - Page 22

Sharp CD-C462
44 pages
Print Icon
To Next Page IconTo Next Page
To Next Page IconTo Next Page
To Previous Page IconTo Previous Page
To Previous Page IconTo Previous Page
Loading...
CD-C462/C462C
– 22 –
A
B
C
D
E
F
G
H
1
23456
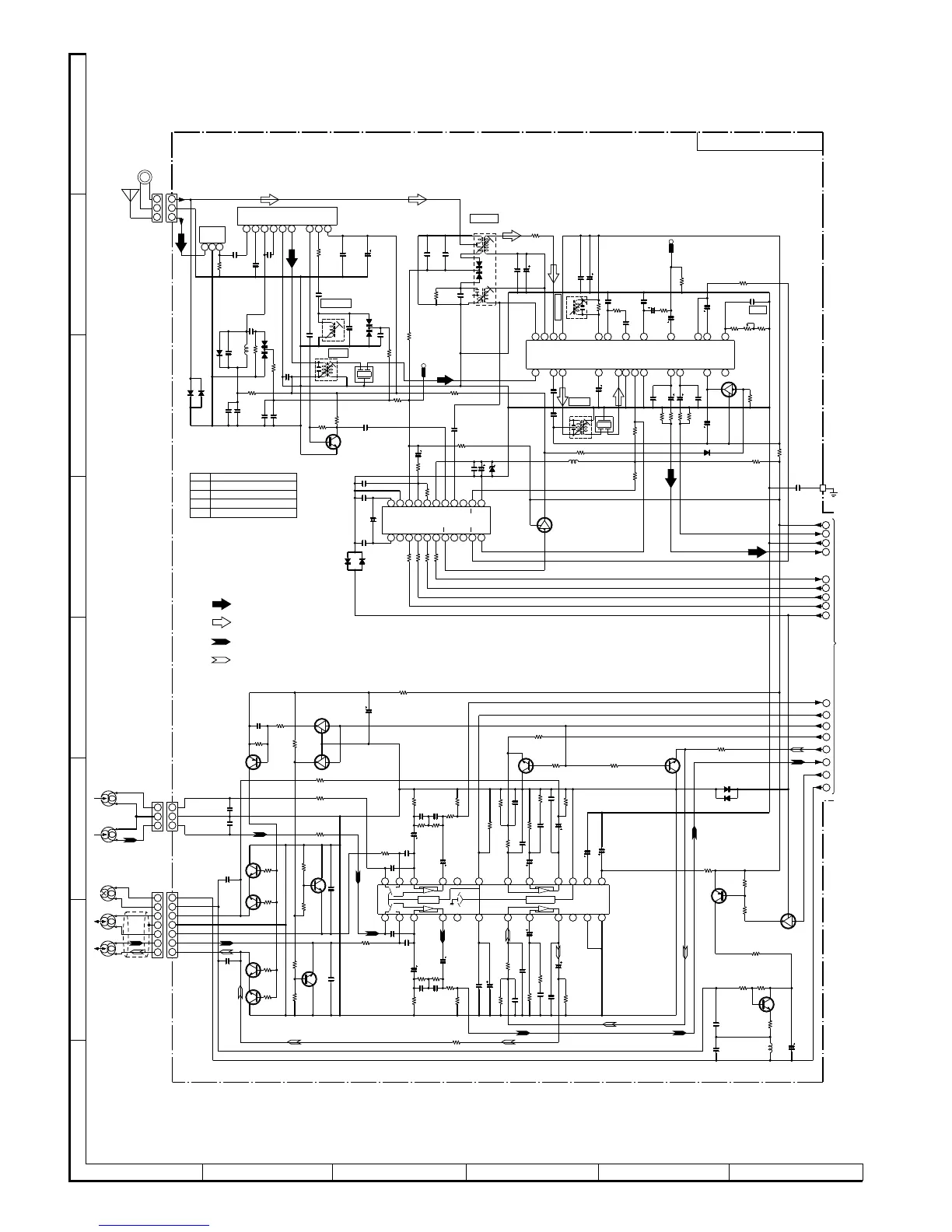
• NOTES ON SCHEMATIC DIAGRAM can be found on page 9.
Figure 22 SCHEMATIC DIAGRAM (9/10)
3
2
1
7
6
5
4
3
2
1
TAPE2
RECORD/
PLAYBACK HEAD
ERASE HEAD
R-CH
L-CH
TAPE1
PLAYBACK HEAD
L-CH
R-CH
IC302
LC72131
PLL CONTROLLER
C302
18P
(CH)
C395
100P
T302
R382
82
C309
6.8P
(UJ)
D301
1SS133
VD303
KDV147B
C318
22P
(CH)
R314
10K
1
2
3
R323
100K
(UJ)
C334
6.8P
R317
820
R302
22
R311
220K
R375
1.2K
CF301
C314
10/50
C319
0.022
C331
0.047
C332
0.022
R356
10K
R358
3.3K
Q343
KRA109 M
R361
10K
C357
3.3/50
R350
47K
C349
0.022
C350
220/10
C338
100P
R320
10K
C337
10/50
C333
0.022
C313
0.022
VD302
KDV1472B
L303
OSC.FM
C317
8.2P
T301
T352
T351
NC
R321
120
C369
47/25
BF351
R316
4.7K
C354
470P
R381
10K
R380
1.5K
C393
1/50
C316
100P
R312
680
Q302
2SC535 C
C305
4.7P (CH)
R306
10
R340
47K
D303
1SS133
D302
1SS133
R372 1K
R373 1K
R374 1K
C392
0.001
C358
0.0015/100
(P.P)
C359
0.022
R352
15K
C366
1/50
R369
2.2K
D342
1SS133
X352
4.5MHz
C381
12P
(CH)
L303
L302
T351
T302
T302
FM BAND COVERAGE (fL)
FM RF (fH)
AM IF
AM BAND COVERAGE (fL)
AM TRACKING (fL)
C382
15P
(CH)
R379
2.2K
C361
22/25
C364
0.033
L302
R301
33K
R303
100K
C310
0.001
C308
0.0047
C307
0.0047
R363
3.3K
C312
0.001
C311
0.022
C383
0.022
ZD351
MTZJ5.1B
L343
100µH
C360
0.022
C365
1/50
R357
3.3K
R359
2.7K
C363
0.033
R360
2.7K
C367
1/50
C351
0.0022
C353
0.018
C355
3.3/50
C356
3.3/50
D305
1SS133
D304
1SS133
CNP301
BF301
Q344
KRA102 M
R371 1K
R362
390
R365
150
(1/2W)
R347
3.9K
R348
33K
R349
1.5K
3
2
1
3
2
1
123
123
456 789
0.8V
1.6V
5.8V
1.5V
0V
5.8V
5V
5.7V
5.8V
123 4
2
3
1
56 7 8 9
10 11 12
131415161718192021
NC
222324
123456789
10 11
1213141516171819202122
VR351
6.8K
C153
100/16
R155
150
R119
56
C136
0.068
R142 56
C118
0.033
R122
100K
R124
3.9K
C122
1/50
C116
47/25
C114
330P
R118
1K
C112
330P
C101
0.001
C102
0.001
C105
180P
R103
2.2K
Q103
KTC3200 GR
R105
3.3K
Q105
KTC3200 GR
Q107
KTC3199 GR
R107
47K
C107
0.001
R106
3.3K
Q104
KTC3200 GR
Q106
KTC3200 GR
R104
2.2K
C106
180P
R125
5.6K
R121
100K
R131
33K
C133
22/25
R141
56
R135
2.2K
C129
470P
R139
560
R117
1K
C113
330P
C141
1/50
C127
0.022
C128
3.3/50
C131
0.001
Q109
KTA1266 GR
R114
10K
R113
10K
C109
0.047
Q110
KRC104 M
Q111
KRC104 M
R154
10K
C146
220/10
R146
10K
C135
0.068
C139
0.0033
R145
10K
R111
10K
R137
6.8K
IC101
AN7345K
PLAYBACK AND RECORD
/PLAYBACK AMP.
C115
47/25
C121
1/50
R123
3.9K
C119
560P
C117
0.033
C145
22/25
C140
0.0033
C130
470P
R136
2.2K
C142
1/50
R134
68K
R140 560
C132
0.001
R138
6.8K
C134
22/25
R132
33K
R120
56
C120
560P
R126
5.6K
R102
1K
C111
330P
R101
1K
C108 0.001
Q108
KTC3199 GR
R108
47K
R110
4.7K
R109
4.7K
CNP101
CNP102
R182
220K
R112
10K
Q121
KTC3199 GR
R153
10K
R158
220
Q126
KRC104 M
R164
4.7K
R162
47K
R160
150
Q124
2SA1015 GR
R166
47K
R167
100K
Q128
KTC3203 Y
R168
12
C152
47/25
L104
330µH
R181
220K
R115
4.7K
D102
1SS133
D101
1SS133
Q122
KTC3199 GR
7
6
5
4
3
2
1
3
2
1
FM IF
FM DET
AM IF
MAIN PWB-A1(2/2)
VCO
CE
TUN_R
DI
TUN_L
CL
A_12V
A_GND
D_GND
FM ANT
AM LOOP ANT
AM ANT
MPX
-IN
FM-
M/ST
VCO
AM
/FM
R-CH
L-CH
TUN
IND
ST
IND
GND
AM
IF
AM
MIX
FM IF
IN
DET
OUT
FM
DET
FM
+B
+B
+B
+B
+B
+B
+B
+B+B
AM
RF
AM
+B
AM
OSC
CE
DI
CL
DO
BO1
BO4
IO1
IF IN
IO2
AM IN
FM IN
VDD
PD
A IN
A OUT
VSS
X IN
X OUT
TP301
TP302
FM
BAND PASS
FILTER
CHASSIS
GND
0.7V
4.4V
0V
0.2V
10.9V
11V
4.4V
5.1V
8.4V
DO
3
2
1
32
1
IC303
LA1805
FM/AF IF MPX.
C303
0.01
C306
15P
(CH)
C304
4.7P
(CH)
IC301
TA7358AP
FM FRONT END
1
2
3
4
5
6
7
8
9
C150
0.0039/100
(P.P)
0V
0V
0V
0V
0V
0V
0V
0.7V
0.7V
0V
0V
TAPE2_L2
TAPE2_L1
TAPE2_R1
A_GND
TAPE2_R2
ERASE
M_GND
0V
0V
0.7V
0V
0V
0V
0.7V
0V
56K
Hich=CHROME
56K
ALC
Nor/CrO2
ALC
RIPPLE
GND
Vcc
11.6V
0V
0V
11.7V
0V
11.6V
10
11
12
13
14
15
16
17
M_GND
BIAS
TAPE_L
REC_L
REC_R
REC_MUTE
T1/T2
TAPE_R
0V
0V
0.7V
0.7V
0V
0V
9.3V
9.3V
8.6V
3.4V
3.4V
0V
0V
0V
TAPE1_L
A_GND
TAPE1_R
Hich=T1
112K
112K
2
3
1
321
2324 22 21
45
20 19
67
18
12
89
10 11
1617 15 14 13
3
2
1
3
2
1
C151
0.027
(ML)
TO
DOLBY PRO LOGIC SECTION
P16 2-A
+
–
––
–
+
+
+
1.1V
1.7V
1.1V
1.7V
0.6V
1.6V
0.5V
7.4V
7.2V
1.6V
1.6V
1.6V
1.6V
1.6V
7.2V
1V
1.6V
0V
5.5V
0V
2.2V
2.3V
6.6V
0.9V
0V
0V
0V
0V
0V
5.3V
0.9V
0.9V
5.6V
0V
2.7V
5.5V
1.7V
0V
0V
0.2V
4.3V
4.2V
0.2V
0V
0V
2.7V
0.5V
0V
0V
4V
0V
1.3V
0V
0V
0.6V
3.9V
3.9V
0V
0.5V
0V
0V
4V
0.8V
0.8V
0V
7.8V
0.6V
3.9V
0V
4.6V
CNS102
CNS101
AM SIGNAL
FM SIGNAL
RECORD SIGNAL
PLAYBACK SIGNAL

Related product manuals