EasyManua.ls Logo

Sharp CD-C471H - Page 26

Sharp CD-C471H
81 pages
Print Icon
To Next Page IconTo Next Page
To Next Page IconTo Next Page
To Previous Page IconTo Previous Page
To Previous Page IconTo Previous Page
Loading...
CD-C471H
– 26 –
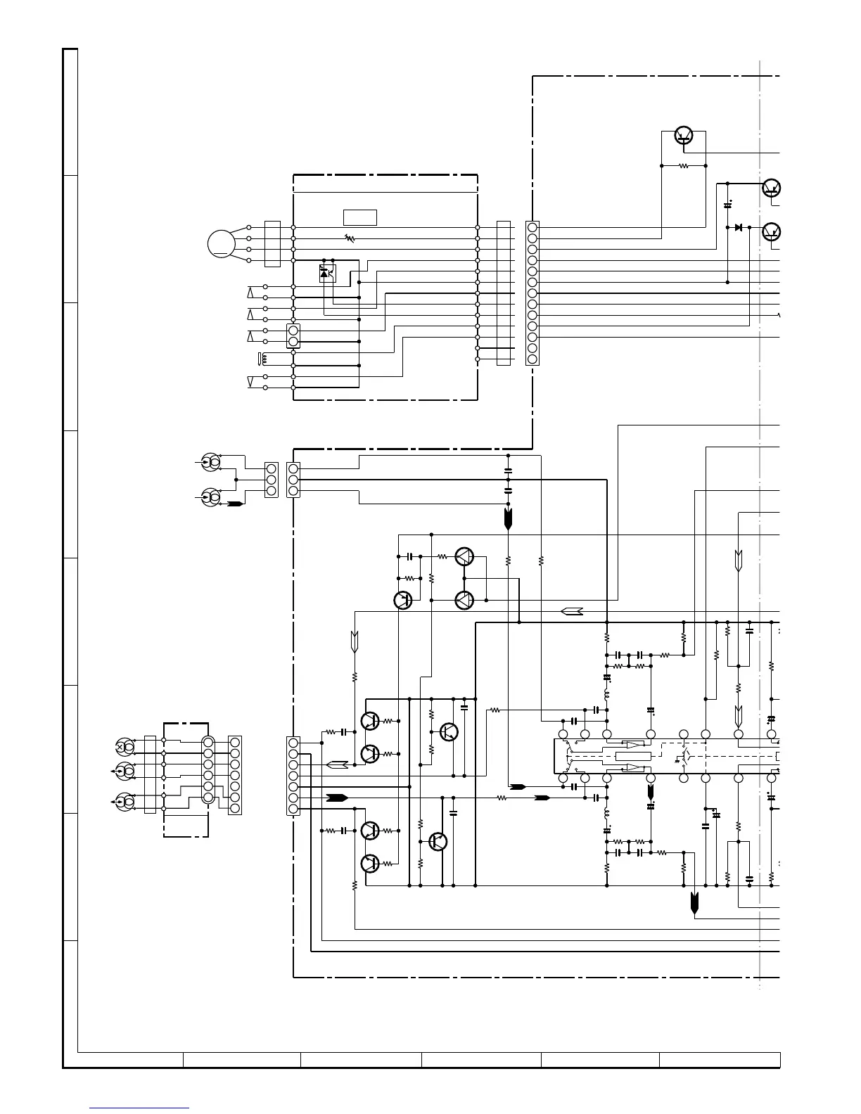
Figure 26 SCHEMATIC DIAGRAM (5/13)
A
B
C
D
E
F
G
H
1
23456
• NOTES ON SCHEMATIC DIAGRAM can be found on page 18.
7
6
5
4
3
2
1
6
5
4
3
2
1
+B
3
2
1
M
13
12
11
10
9
8
7
6
5
4
3
2
1
3
2
1
+B
+B
24 23 21
20
22
19 18 17
87654321
7
6
5
4
3
2
1
TAPE1
PLAYBACK HEAD
L-CH
R-CH
TAPE1_L
A_GND
TAPE1_R
1
13
TAPE MECHANISM PWB-F
TAPE
SPEED
–
+
H
L
4
1
REC RVS
SOLENOID
F.A.S.
CAM
REC FWD
TAPE
MOTOR
T2_B_FP
RUL
T2_PH_IN
T1_RUN
D_GND
TA_CAM_SW
T2_A_FP
MOT +B
MOT H
MOT L
T2_RUN
T2_B_FP
RUL
T2_PH_IN
T1_RUN
D_GND
TA_CAM_SW
T2_A_FP
MOT +B
MOT H
MOT L
T2_RUN
3
32
2
1
1
+
–
–
+
Hich=T1
–
+
+
–
REC/P.B.
REC/P.B.
REC/P.B.
REC/P.B.
M_
TAPE2_L2
TAPE2_L1
M_GND
TAPE2_R2
TAPE2_R1
D_GND
ERASE
ERASE
HEAD
HEAD
PWB-H
TAPE2
RECORD/
PLAYBACK
HEAD
R-CH
L-CH
FLEXIBLE
PWB
112K
112K
RM11
8.2K
R
M
1
.
DM02
1SS133
QM03
KTA1271Y
DRIVER
CM01
47/16
QM02
KTA127
3
MOTOR DR
QM05
KTA1266GR
DRIVER
CNS101
FWM1
VRM1
3.3K(B)
SWM4
SOLM1
SWM5
CNPM2
SWM6
SWM3
FWM2
MM1
PHM1
WTM1
CNP101
C121
1/50
C101
680P
C102
680P
R102
1K
R101
1K
R118
1K
C
2
R134
68K
C130
470P
R136
1.8K
R117
1K
C128
3.3/50
R13
9
560
C129
470P
R135
1.8K
C107
680P
C108
680P
R109
4.7K
Q107
KTC3199 GR
R103
2.2K
R105
3.3K
Q103
2SC1845 F
Q106
2SC1845 F
R107
47K
Q105
2SC1845 F
R104
2.2K
R106
3.3K
Q104
2SC1845 F
R111
15K
R114
10K
Q110
KRC104 M
R113
10K
R115
4.7K
Q109
KTA1266 GR
Q111
KRC104 M
C109
0.022
R123
4.7K
C119
560P
C117
0.033
R121
100K
C111
330P
C113
330P
R140
560
R138
6.8K
R132
15K
C122
1/50
R120
56
C116
47/16
L108
2.2µH
C
2
R137
6.8K
C127
0.022
R131
15K
R119
56
C115
47/16
L107
2.2µH
C112
330P
C114
330P
R126
5.6K
C120
560P
R124
4.7K
R122
100K
C118
0.033
R125
5.6K
R112
15K
C106
330P
C105
330P
R191
1K
R192
1K
CNP102
R108
47K
Q108
KTC3199 GR
R110
4.7K
CNS102
BI102

Related product manuals