EasyManua.ls Logo

Sharp CD-C471H - Page 27

Sharp CD-C471H
81 pages
Print Icon
To Next Page IconTo Next Page
To Next Page IconTo Next Page
To Previous Page IconTo Previous Page
To Previous Page IconTo Previous Page
Loading...
– 27 –
CD-C471H
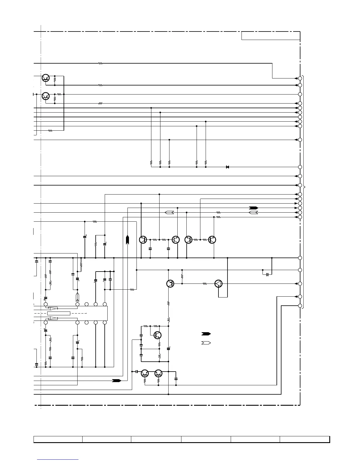
Figure 27 SCHEMATIC DIAGRAM (6/13)
7
8 9 10 11 12
22
9
15
4
5
28
27
26
25
17
12
13
18
21
11
20
19
14
24
10
7
23
8
6
+B
+B
+B
+B
+B
+B
+B
8
17
16 15 14 13
121110
98
RECORD SIGNAL
PLAYBACK SIGNAL
TO MAIN
SECTION
P24 2/4/6-A
1-C/E
MAIN PWB-A1(2/2)
TA_CAM_SW
TA_MOT_H/L
T1_RUN
D_GND
T2_A_FP
TA_PUL
M_12V
TA_MOT_SW
D_5V
T2_B_FP
T2_RUN
REC_L-CH
REC_R-CH
TAPE_L-CH
TAPE_R-CH
REC/PB
T1/T2
REC_MUTE
PB_MUTE
BIAS
A_12V
A_GND
BEAT_CUT
–
+
56K
56K
+
–
Nor/
CrO
2
RIPPLE
Vcc
GND
32
1
MUTING
MUTING
MUTING
MUTING
(P.P)
(ML)
Hich=CHROME
ALC
M_GND
C163
47/16
RM10
1.2K
RM08
10K
RM09
2.2K
QM03
T
A1271Y
DRIVER
RM07
10
M
01
/
16
QM02
KTA1273Y
M
OTOR DRIVER
RM06
2.2K
RM05
10K
6
GR
RM12
33K
RM14
10K
RM16
10K
RM15
10K
RM19
3.3K
RM20
10K
DM03
1SS133
C136
0.039
R146
10K
C140
0.0033
C134
22/25
C130
470P
R139
560
470P
R143
10K
R144
10K
Q117
2SC2878 A
C143
0.022
C144
0.022
C146
220/10
C147
0.022
C145
22/25
C142
1/50
R140
560
IC101
AN7345K
PLAYBACK AND RECORD/
PLAYBACK AMP.
C141
1/50
R158
470
C133
22/25
R137
6.8K
R168
4.7
R171
4.7K
Q129
KTC3199 GR
Q128
2SC2236 Y
Q126
KRC104 M
SWITCHING
R164
4.7K
Q130
KTC3199 GR
C151
0.027
(ML)
R167
47K
C162
0.047
R170
3.3K
R166
27K
Q124
KTA1266 GR
SWITCHING
L103
1mH
L104
330µH
R160
150
C152
47/16
C156
0.022
Q121
KTC3199 GR
R153
10K
Q122
KTC3199 GR
R154
10K
R142
47
L102
1.8mH
R145
10K
C139
0.0033
L101
1.8mH
R141
47
C135
0.039
Q118
2SC2878 A
R162
47K
C150
0.0082
C161
560P
C110
47/25
R147
10K
R155
120K
R156
120K
C155
100P
R193
220

Related product manuals