EasyManua.ls Logo

Sharp CD-C7000W - Page 24

Sharp CD-C7000W
68 pages
Print Icon
To Next Page IconTo Next Page
To Next Page IconTo Next Page
To Previous Page IconTo Previous Page
To Previous Page IconTo Previous Page
Loading...
CD-K7000W/C7000W,CP-C7000
– 24 –
A
B
C
D
E
F
G
H
1
23456
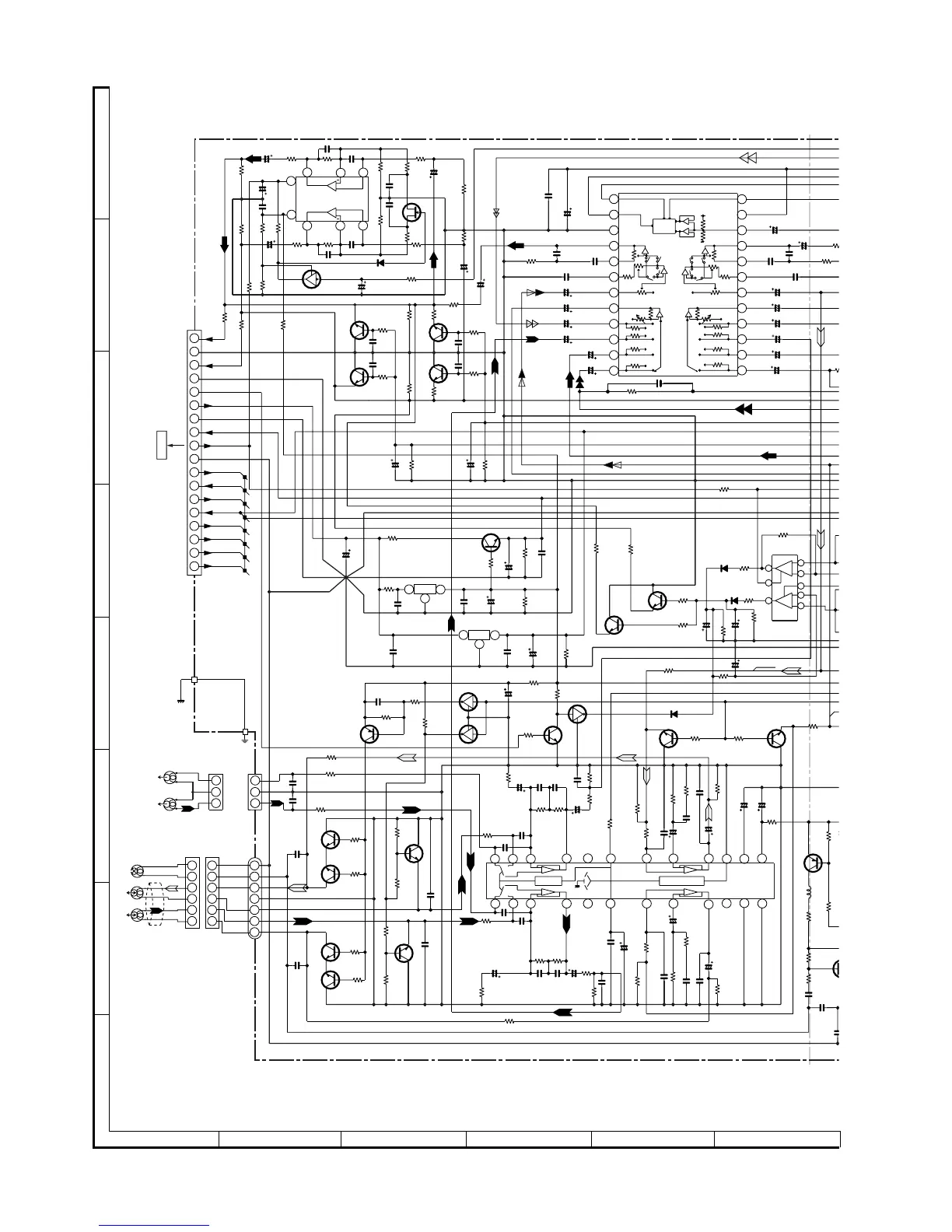
• NOTES ON SCHEMATIC DIAGRAM can be found on page 16.
Figure 24 SCHEMATIC DIAGRAM (4/11)
IC101: PLAYBACK AND RECORD/
PLAYBACK AMP.
R
REC_R
LVL-CTRL
LVL-CTRL
R
L
+5V
M_GND
0V
RIN
L
9.3V
LOUT
ROUT
LIN
SUR_ON/OFF
+B
GND
A_+10V
A_GND
M_GND
A_+10V
S_MUTE
-20dBATT
0V
A_GND
L
AC_RLY CON
VF1
VF2
-VF
UN_SW 5V
M_+10V
SP_RLY
SP_DET
-15V
+B
GND
M_GND
A_GND
A_GND
R_CH
L_CH
LBASS
RBASS
RTRE
CHASSIS
MECHA BASE
L
R
R
T1_R
T1_L
A_GND
M_GND
ERASE
T2_R1
T2_L1
T2_L2
9.3V
0V
3.4V
3.4V
0V
0V
0V
0V
0.7V
0.7V
0V
0V
0V
0.7V
0V
0V
0V
0.7V
0V
0V
0V
0V
0V
0.7V
0V
0V
11.7V
11.6V
11.
0V
ERASE HEAD
TAPE2
RECORD/
PLAYBACK HEAD
TAPE1
PLAYBACK HEAD
R-CHL-CH
R-CH
L-CH
-
+
+
-
+
CD
TUNER
DECK
AUX
DI
CE
VSS
LOUT
LTRE
LIN
L4
L3
L2
L1
CLK
VDD
VREF
ROUT
RIN
RSEL0
R4
R3
R2
R1
INTERFACE
CCB
+
-
+
-
+
-
+
-
+
-
+
-
+
-
+
-
LSEL0
Vcc
ALC
GND
ALC
RIPPLE
Nor/CrO2
-
+
-
+
Hich=T1
+
-
-
Hich=CHROME
56K
112K
56K
112K
0.7V
8.6V
2
3
3
4
4
5
5
1
2
1
7
7
8
8
9
6
6
12
13
14
15
11
17
18
10
3
4
5
2
1
7
8
9
6
12
11
10
16
3
2
1
3
2
1
3
4
5
2
1
7
6
4
3
2
5
6
1
4
3
2
5
6
1
3 4 652
1
3
2
1
87
9
13
1415
16
12
1819
20
21
1110
17
222324
3
2
1
T2_R2
13
14
15
17
18
19
16
22
23
24
21
20
-B
-B
+B +B
+B
+B
+B
+B
+B
+B
+B
+B
+B
+B
+B
+B
+B
+B
+B
G
+B
SWITCHING
1
1
1
2
2
2
3
3
3
1
7
4
8
3
2
6
5
D
S
CNP901
P28 2 - G
TO POWER SUPPLY PWB
+
1
23
VOLTAGE
REGULATOR
CONSTANT
VOLTAGE
VOLAGE
REGULATOR
SWITCHING
R414
2.2K
C412
10/50
R412
2.2K
R410
4.7K
C406
22P(CH)
C408
0.0047
R406
820
C413
10/50
R411
2.2K
R419
220
R417
6.8K
R418
100K
R413
2.2K
C409
0.022
R409
4.7K
C410
47/25
R407 4.7K
R408
4.7K
C407
0.0047
C405
22P
(CH)
R415
4.7K
Q401
KRA107M
C411
3.3/50
R403
1K
D401
1SS133
R405
820
C404
0.0047
Q402
2SK246GR
C403
0.0047
R401
100K
C401
2.2/50
R402
100K
C402
2.2/50
R420
2.2K
R404
1K
R607
10K
R613
330
C613
10/50
R605 3.9K
C628 1/50
C626 1/50
C624 1/50
C630 1/50
R
1.
C622 4.7/50
C620 1/50
C612 0.0027
R606
3.9K
C610
0.1
C608
0.1
C614
10/50
R
10
C602 22/50
R617
1.5K
C629 1/50
C627 1/50
C623 1/50
C625 1/50
C621 4.7/50
C619 1/50
C611 0.0027
C607
0.1
C609
0.1
C636
0.001
C635
0.001
R622
2.2K
R612
3.3K
R621
2.2K
Q603
KTC3199GR
Q604
KTC3199GR
R615
2.2K
C615
0.001
C616
0.001
R616
2.2K
R614
330
Q606
KTC3199GR
Q605
KTC3199GR
R416
220
R610
330
R609
330
R611
3.3K
C604
0.022
C606
100/16
R864
150K
R873
1K
R872
1K
D860
1SS133
D862
1SS133
R
22
IC860
KIA4558P
OPE AMP.
R576
330
C864 22/25
R874
100K
C863
22/25
R875
100K
Q862
KTC3199GR
R879
22K
R878
22K
R869
5.6K
R868
5.6K
Q863
KTC3199GR
D861
1SS133
R854
10K
R871
10K
R156
220K
Q864
KRC102M
C153
100/16
C860
47/25
C859
0.1
(ML)
R155
150
Q122
KTC3199GR
MUTING
R154
10K
R153
10K
Q121
KTC3199GR
MUTING
Q865
KTC3199GR
R870
1K
Q111
KRC104M
SWITCHING
R115
4.7K
R114
10K
Q110
KRC104M
C618
1/50
R620
22K
C617
1/50
R619
22K
R852
22K
C851
22/25
R851
33
C852
0.047(ML)
R850
3.3
(1/2W)
Q850
KTC2026
Q851
KIA7810AP
C858
0.1(ML)
C855
0.1(ML)
R855
3.3(1/2W)
R853
22K
C857
47/25
C856
0.1
(ML)
Q852
KIA7805P
C109
0.047
R113
10K
Q109
KTA1266GR
SWITCHING
R112
15K
R101
1K
R102
1K
C102
560P
C101
560P
C106
180P
R110
4.7K
R106
3.3K
R104
2.2K
Q104
2SC1845F
Q106
2SC1845F
R108
47K
C108
560P
Q108
KTC3199GR
SWITCHING
C850
3300/25
C116
100/25
R120
56
R124
3.9K
R122
100K
C118
0.033
C120
560P
R118
1K
C114
330P
C124
0.0022
C122
1/50
C112
330P
R134
68K
R132
33K
R126
5.6K
C132
270P
R138
6.8K
R136
4.7K
R137
6.8K
C111
330P
C113
330P
R117
1K
C127
0.022
C142
47/25
R146
10K
R142
100
R140
1.5K
C140
0.0033
C136
0.022
C134
22/25
C145
22/25
C115
100/25
C146
220/10
R158
220
R164
R162
Q124
2SA1015GR
L103
100µH
C133
22/25
C141
47/25
R145
10K
C139 0.0033
C135 0.022
R141
100
R139 1.5K
C131 270P
C128
3.3/50
R135
4.7K
C154
0.047(M
R166
22K
R167
47K
C150
0.0082
C151
0.039
(ML)
R160
82
C123
0.0022
R131
33K
R125
5.6K
C121
1/50
R111
15K
R119
56
C117
0.033
C119
560P
R123
3.9K
R121
100K
C107
560P
Q107
KTC3199GR
SWITCHING
R109
4.7K
R107
47K
C105
180P
Q103
2SC1845F
Q105
2SC1845F
R103
2.2K
R105
3.3K
R157
220K
R6
47
C865
47/25
R880
100K
IC401
KIA4558P
OPE AMP.
CNS901
BI102
CNS102
CNP101
IC601
LC75341
AUDIO PROCESSOR
PIN103
C637
0.001
IC101
AN7345K

Related product manuals