EasyManua.ls Logo

Sharp CD-E700H - Page 25

Sharp CD-E700H
60 pages
Print Icon
To Next Page IconTo Next Page
To Next Page IconTo Next Page
To Previous Page IconTo Previous Page
To Previous Page IconTo Previous Page
Loading...
– 25 –
CD-E700H
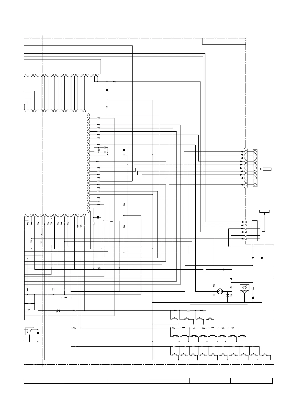
Figure 25 SCHEMATIC DIAGRAM (8/10)
7
8 9 10 11 12
2
1
3
30
29
28
27
26
25
24
23
22
21
20
19
18
17
16
15
14
13
12
11
10
9
8
7
6
5
4
3
2
1
0.0047
100µH
1K
1K
1K
1K
10K
1K
1K
DS1SS133
1.5
10K
1K
0.022
10K 3.9K 5.6K
1K680 820
100
2.2K 2.7K
4.7K
1K
0.022
10K
10K
10K
10K
DS1SS133
3.3/50
47/25
DS1SS133
DS1SS133
47K
100
KRC102 M
100K
DS1SS133
0.01
4.7K
10K
4.7K
10K
304VT2E
10K
1K
5.6K
1K
1K
1K 1.5K
1K820
820 680
1.5K 3.9K2.2K 2.7K680
4.7K
10K
1/50
15P
1K
1K
1K
1K
1K
1K
100
1K
1K
1K
1K
1K
1K
680
680
2.2K
560
1K
1K
1K
220/10
18P
1K
1 2 3
9 48 47 46 45 44 43 42 41
40
31 32 33 34 35 36 37 38 39
93 94 95 96 97 98 99
100
2 83 84 85 86 87 88 89 90 91 92
DISC_NO SW/
ASPM
DISPLAY
MODE
PTY TI
SEARCH
VIDEO/
SKIP
DISC
O/C_SW
W
DRF
VF2
–VF
VF1
P_IN
UNSW5.6
CD CLK
ED1
/S20
/S19
/S18
/S17
T2_PLAY SW/
LVL_DET
CLOCK
DOWN
TUNING
UP
KEY 0
KEY 1
KEY 2
CD CLAMP SW
FPA/FPB SW
PROTECT
N
W
CK
TB
DI
DO
NX
NX
NX
NP
5V BACK UP
T-BIAS
T_T1/T2
VDD
X1
X2
AVDD
RESET
CD CE
CD DI
S1
S2
S3
S4
S5
CE
REC/PLAY
CD RESOUT
VPP/IC
CD DO
CLK
DI
DO
AVSS
TUN SM
KEY 2
KEY 1
KEY 0
P_IN
REMOCON
VSS
SMUTE
T_SOL_A
T_MOTOR
TIMER LED
VDD
AC_RLY
G9
G8
G7
G6
G5
G4
G3
G2
G1
VDD
P06
P05
P04
P03
P02
P01
G01
G02
G03
G04
G05
G06
G07
G08
G09
F
T_SOL_B
ON/
STAND-BY
EQUALIZER
CD
TUNING
DISC_NO SW
WRQ(DSP)
CLAMP SW
CD DO
CD DI
CD CE
CD CLK
N
–20dBATT
XT2
AVREF
DRF
RES OUT
X-BASS/
CLOSE
OPEN/
DEMO
TUNER
S6
S7
S8
S9
D
SP_RLY
SP DET
WRQ
AUX
MEMORY
SET
TAPE STOP PLAY
FAST
FORWARD
FAST
REWIND
TIMER/
SLEEP
REC./
PAUSE
DSA DATA
322212019181716151413121110 9 8 7 6 5 4 3 2 1
AC_RLY
2
3
1
4
5
6
7
8
9
11
10
1
2
3
4
5
6
7
8
9
10
TO
POWER PWB
P23 7-G
CNP802
FW701
+B
+B
+B
+B
+B
+B
+B
+B
+B
+B
+B
+B
Y
R795
C701
C702
R706
R763
R702
R703
R705
R704
C704
XL701
4.194304 MHz
R708
C705
C721
R711
R709
R710
R712
R739
R737
R713
R714
R715
R716
R717
R769
R791
C720
R722
R747
R759
R718
R719
R720
R730
R725
R736
R733
R721
R724
R726
R727
R728
R729
R731
R762
IC701
IX0553AW
SYSTEM
MICROCOMPUTER
JOG701
OLUME JOG
C710
R776
R775
R780
R765
R761
R756
LED701
R768
R773
R766
R767
SW710SW709SW708SW707SW706SW704 SW705SW703SW702SW701
RD09RD07 RD08RD05 RD06RD03 RD04RD02RD01
SW717SW711 SW712 SW713 SW718SW714 SW715 SW716
RD12RD11 RD13 RD16RD14 RD15RD10
SW723SW721
SW722
SW724
RD21RD19 RD20
L701
R781
C715
D713
D714
C714
RX701
C717
R783
Q709
R782
D715
D712
D711
WTM701
BI701
CNS701
CNP6
TO
CD SERVO PWB
P27 12-B
DISPLAY PWB-A2

Other manuals for Sharp CD-E700H

Related product manuals