EasyManua.ls Logo

Sharp CD-E88 - Page 11

Sharp CD-E88
44 pages
Print Icon
To Next Page IconTo Next Page
To Next Page IconTo Next Page
To Previous Page IconTo Previous Page
To Previous Page IconTo Previous Page
Loading...
– 11 –
CD-E88
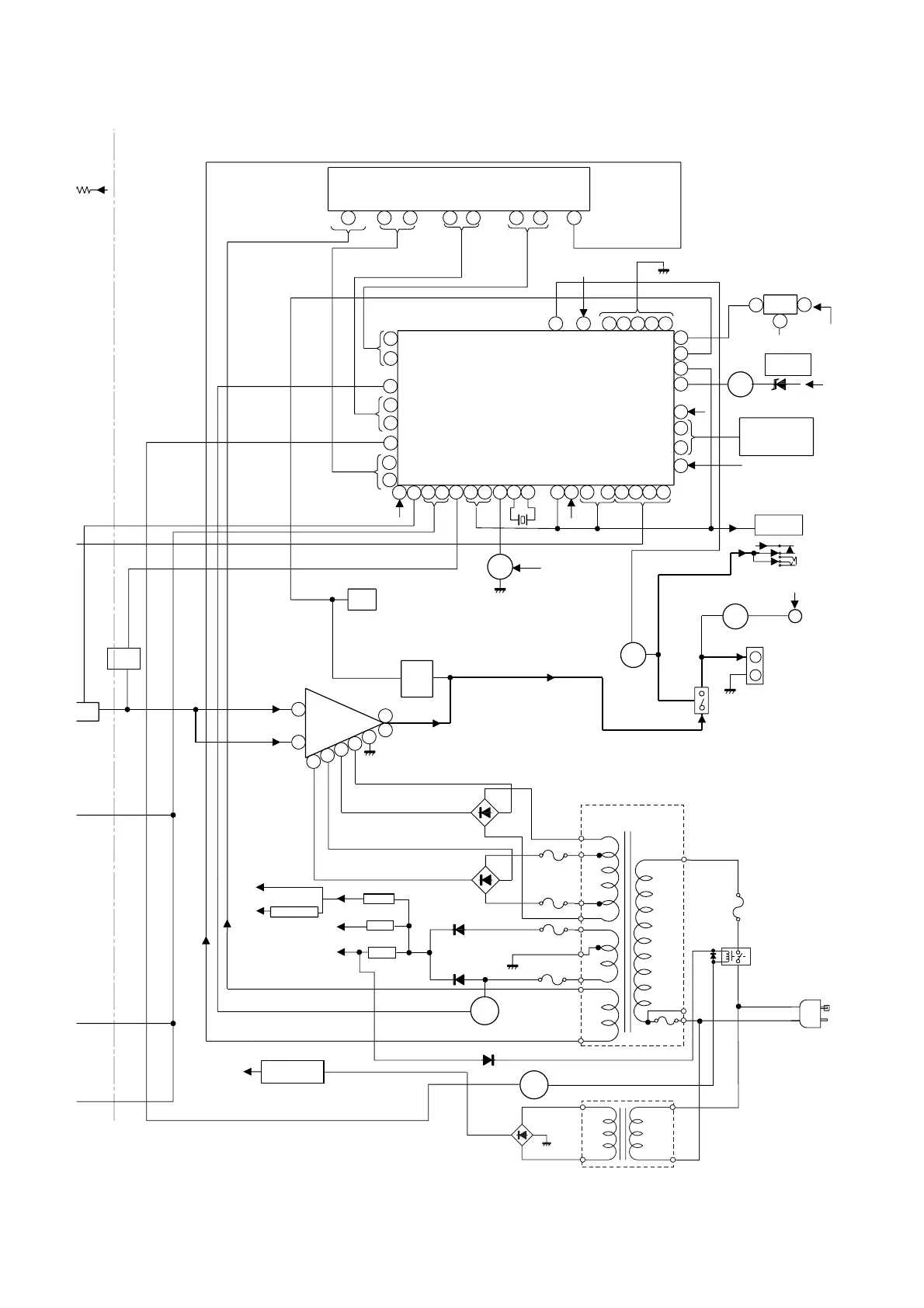
Figure 11 BLOCK DIAGRAM (3/3)
PT841
SUB POWER
TRANSFORMER
D842~
D845
~~
~
IC854
AN78L05
+5.6V
+B5
+B PROTECT
+B2
D801
VL+
VL–
PT801
MAIN POWER
TRANSFORMER
F805
5A/125V
+B6
D803
M12
IC851,IC852,IC853:
VOLTAGE REGULATOR
IC855
+B3
KTC2026
Q905
Q710
KIA7812AP
KIA7810AP
D905
AC 120 V, 60 Hz
–VF
VF1
VF2
Q801
+5V
KIA7805AP
IC852
+B4
+B7
+B1
–B1
–B2
+B6
+B3
+B5
+B4
R
L
T
B
+B5
+B5
RX701
SENSOR
REMOTE
D804
D802
RL914
JK701
HEADPHONES
M901
FAN MOTOR
SO901
SPEAKER
TERMINAL
M
Q906
Q709
Q904
Q901
Q903
Q902
D906
Q
602
Q
601
Q603
Q604
IC853
IC851
POWER AMP.
STK41243
IC901
A+10V
LD+7V
2A/125V
F803
2A/125V
F804
F801
5A/125V
5A/125V
F802
VH+
VH–
L-OUT
R-OUT
CLK
4.194304 MHz
RESET
SP RELAY
ON-OFF
FAN
MOTOR DRIVER
LED
DRIVER
MAIN
AC POWER
SUPPLY CORD
REC/PLAY
VLOAD
RESET
GROUND
+B5
+B5
+B5
+B5
VDD
VDD
VDD
SP. DET.
SYSTEM
MUTE
-
CE
DI
DO
XL701
-
BIAS
T1/T2
AVDD
SW721-SW724
SW711-SW718
SW701-SW707
KEY
LED703,
LED704
SECTION
TO CD
T.F.
IC701
IX0553AW
SYSTEM
MICROCOMPUTER
D855
FL DISPLAY
FL701
4527 331 195
79
85
47
80
78
70
38
37
34
63
31
33
29
8 7
6
1
11
7
8
2
5
14
18
86
1
2 4 5 41
3
2
1
100
4040
11 1210 15 16 1 7 20 21 22 23 24
46 30
39
4133
48 1325
- - -
VOLTAGE REGULATOR
VOLTAGE
REGULATOR
RL841
Q841
RELAY
DRIVER

Related product manuals