EasyManua.ls Logo

Sharp CD-E88 - System Block Diagrams; CD Servo and Sled Driver Block Diagram (1;3)

Sharp CD-E88
44 pages
Print Icon
To Next Page IconTo Next Page
To Next Page IconTo Next Page
To Previous Page IconTo Previous Page
To Previous Page IconTo Previous Page
Loading...
– 9 –
CD-E88
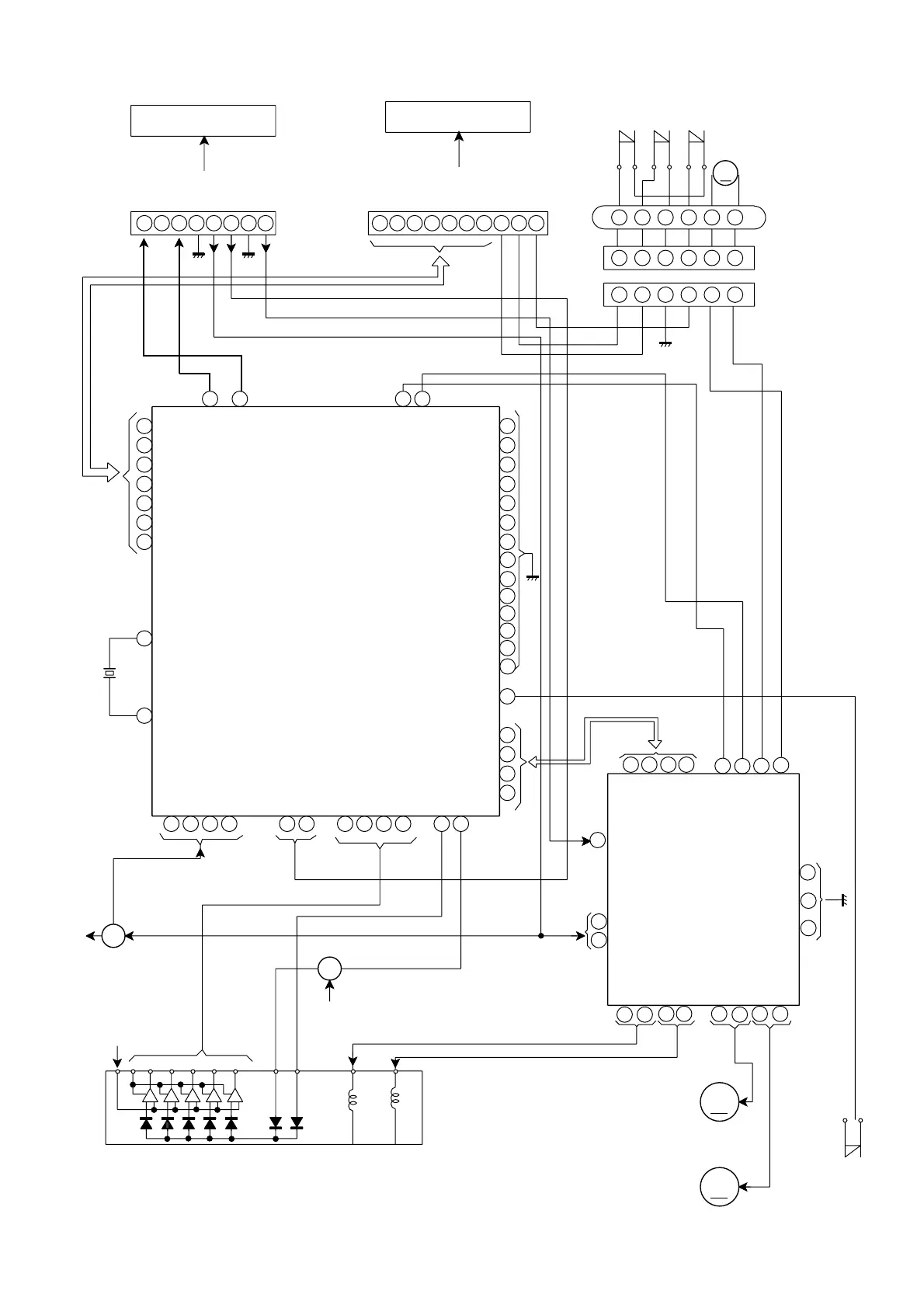
Figure 9 BLOCK DIAGRAM (1/3)
IC
80 79 77
71 70
47 46
45 42
41 18 10 9 8 7 5
CNP4
19
28
37
40
26
23
22
21
20
50
51
55
75
69
57
56
49
48
67
66
65
64
63
62
61
CONT 5
DRIVER
SPIN/SLED
FOCUS/TRACKING/
LA6574H
IC2
SPO
SLDO
FD
TO
VCC2
IC1
LC78646E
CD SERVO
LCHO
RCHO
CONT3
CONT2
SLDO
SPDO
FD0
TD0
LDD
LDS
TIN2
TIN1
FIN2
FIN1
RVDD
LVDD
XVDD
ADAVDD
VVDD
RFVDD
XIN
XOUT
DRF
VRES
VWRQ
DO
DI
CL
CE
TO DISPLAY SECTION
CNS601
TO MAIN SECTION
BI4
CNP5
CNP6
SW3
DISC
NUMBER
SW2
CLAMP
SW1
OPEN/CLOSE
M3
T/T UP/DOWN
LOADING MOTOR
D_GND
PICKUP UNIT
IN
PICKUP
SW4
MOTOR
SPINDLE
M1
MOTOR
SLED
M2
COIL
TRACKING
FOCUS COIL
16.9344 MHz
XL1
+6.5V
+5V
Q4
DRIVER
LASER
+3.3V
CONSTANT
VOLTAGE
+3.3V
+3.3V
Q1
+5V
R-CH
AGND
L-CH
D5V
WRQ
DRF
CE
DO
CL
DI
CLAMP SW
A5V
O/C_SW
CD RES
DISC NO
CNS4
+
+7V
(+B6)
(+B6)
(+B7)
29
12
22
1
15 13 1 7 24
28 27
3 2
30
26
9
10 11
8 7 6 5 4
8 7 1 2 3 4 5 6
10 3 1 9 8 7 6 52 4
2 3 1 4 6 5
2 3 1 4 6 5
2 3 1 4 6 5
6
43
M
M
M
44
DGND

Related product manuals