EasyManua.ls Logo

Sharp CD-E88 - Manual. Please Refer to the CD-E700;CD-E77, Service Manual ADJUSTMENT

Sharp CD-E88
44 pages
Print Icon
To Next Page IconTo Next Page
To Next Page IconTo Next Page
To Previous Page IconTo Previous Page
To Previous Page IconTo Previous Page
Loading...
CD-E88
– 10 –
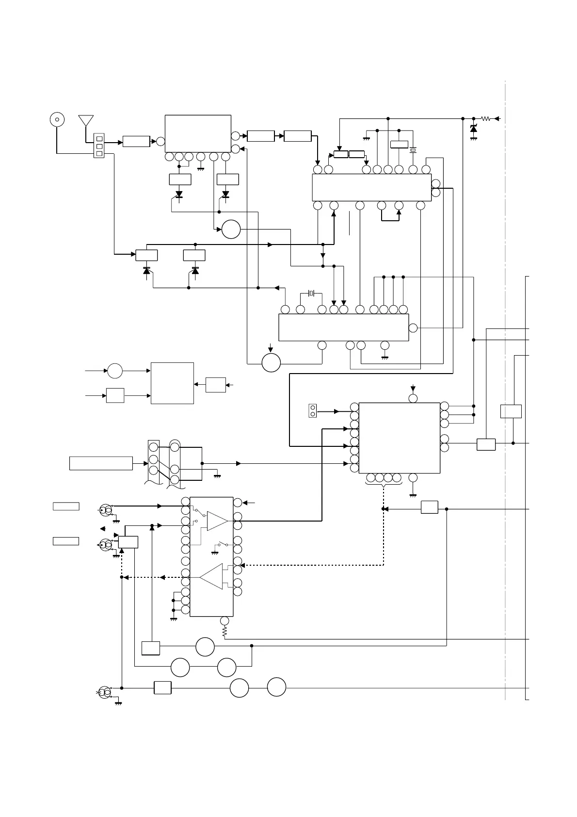
Figure 10 BLOCK DIAGRAM (2/3)
IC101
AN7345K
PLAYBACK AND RECORD/
PLAYBACK AMP.
R
L
R
L
JK690
VIDEO/AUX IN
FM
+B
+B4
CLK
+B4
AM IF
OSC BUFF
AM LOOP
ANTENNA
FM IF
OSC
FM
B.P.F
BI601
CNS601
ATT
–20dB
Q106
Q103-
Q108
Q107
Q602
Q601
Q603
Q604
X351
456 kHz
10.7 MHz
450 kHz
FM
ANTENNA
REC/PLAY
CLK
CE
DI
SYSTEM
MUTE
DO
DI
CE
MO/ST
SWITCHING
+B4
FM/AM
PLL(TUNER)
LC72131
IC302
OUT
FM/AM
L
R
BIAS
T1/T2
MUTING
P.B.
REC.
AC BIAS
L
L
R
R
R
L
TAPE
TUNER
CD
P.B.
CNP5
FROM CD SECTION
HEAD
ERASE
SWITCHING
SWITCHING
SWITCHING
BIAS
Q113
Q114
Q112
Q110
SWITCHING
Q109
OSC
BIAS
Q111
L103
Q105
Q106
REC./P.B. HEAD
TAPE 2
P.B. HEAD
TAPE 1
R-CH
L-CH
AUDIO PROCESSOR
LC75341
IC601
+B4
R
L
L
R
REC.
R
L
L NF
R NF
R REC.
L REC.
POP REDUCE
R NF
L NF
SWITCHING
L(T2)
R(T2)
R(T1)
L(T1)
R
L
FM/AM
MPXIN
STEREO
AM RF IN
AM OSC IN
FM
Q360
VT
OSC
X352
4.5 MHz
COVERAGE
AM BAND
AM TRACKING
T303 T306
Q302
MO/ST VCO
DET
FMFM+BGND AM IF
CF351
FM/AM IF MPX.
IC303
LA1832S
FM IF DET./
FM MPX./AM IF
AM MIX
CF352
T351
RF
FM
OSC
FM
L312
T301
CF303 T302
IC301
TA7358AP
FM FRONT END
BF301
4
22
3
24
2
1
81817
4
9
10
18
11
16
3
15
10
9
7
23
14
12
13
1 1
2
3
3
20
19
7
18
8
1 7
13
21
4
5
2
24
23
6
9
16
15
12
11
1
5 13
8 4 3 2
1
21
7
9 8 5
17
6
21
2 1
20 22 11
17
15
9
6
5 7
13
14
12
5
1
16
23
4
7
H/N
P.B.
REC.
T1/T2
T1/T2
416
21
R-CH
L-CH
Q706
Q707
Q708
TAPE
MECHANISM
ASS'Y
MOTOR
DRIVER
SOLENOID
DRIVER
+B3
+B3
Q711
Q712
+B3

Related product manuals