EasyManua.ls Logo

Sharp CD-E88 - Page 27

Sharp CD-E88
44 pages
Print Icon
To Next Page IconTo Next Page
To Next Page IconTo Next Page
To Previous Page IconTo Previous Page
To Previous Page IconTo Previous Page
Loading...
– 27 –
CD-E88
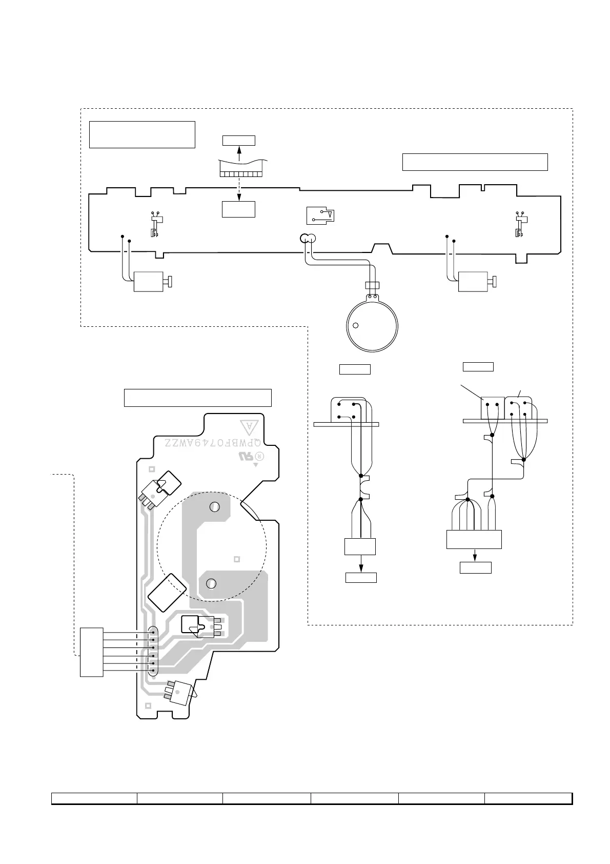
Figure 27 WIRING SIDE OF P.W.BOARD (6/7)
7
8 9 10 11 12
-
+
BI4
CNS4
FFC702
CD LOADING MOTOR PWB-E
SW1
OPEN/CLOSE
SW3
DISC
NUMBER
SW2
CLAMP
M3
T/T UP/DOWN
LOADING
MOTOR
RD
WH
BK
WH
WH
BK
1
2
3
4
5
6
1
6
+
BL
YL
WH
BK
PK
WH
BK
7 6 5 4 3 2 1
PK
BK
WH
23
1
P23 12 - C
TO MAIN PWB
CNP102
CNP101
P23 12 - A
TO MAIN PWB
TAPE 2
ERASE HEAD
RECORD/PLAYBACK
HEAD
TAPE 1
PLAYBACK HEAD
WH
BK
GR
GR
BL
YL
WH
PK
BK
WH
PK
GR
1
2
SW
TAPE
MOTOR
SOLENOID
TAPE MECHANISM PWB-F
SW
SOLENOID
SW
TAPE MECHANISM
ASSEMBLY
1
2
3
4
5
6
7
1
7
CNP702
P24 3-F
TO DISPLAY PWB

Related product manuals