EasyManua.ls Logo

Sharp CD-K7000V - CD Mechanism Related Schematics

Sharp CD-K7000V
80 pages
Print Icon
To Next Page IconTo Next Page
To Next Page IconTo Next Page
To Previous Page IconTo Previous Page
To Previous Page IconTo Previous Page
Loading...
– 25 –
CD-K7000V,CP-C7000
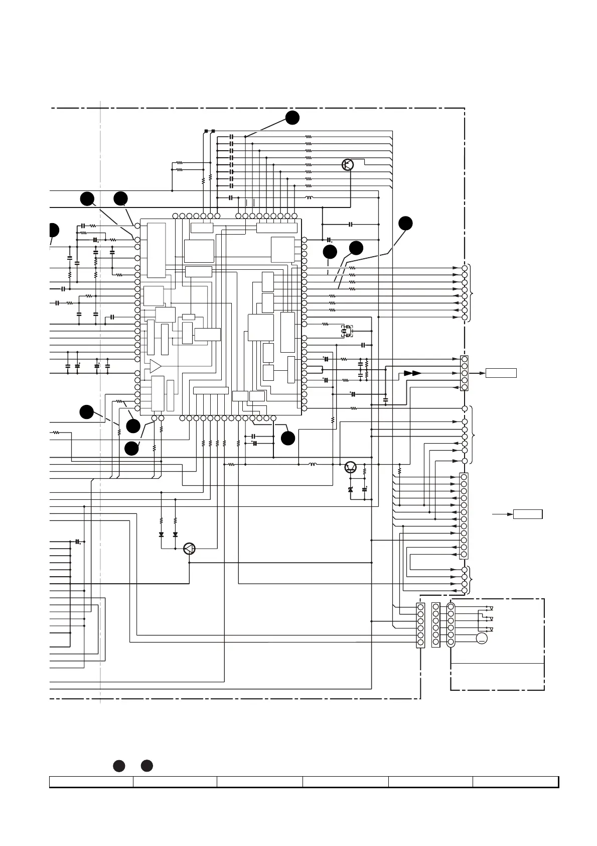
Figure 25 SCHEMATIC DIAGRAM (5/13)
7
8 9 10 11 12
• The numbers 1 to 13 are waveform numbers shown in page 44.
5
2
1
4
3
6
5
2
1
4
3
6
5
2
1
19
18
17
16
4
3
6
DISC_NO
GND(D)
M–
M+
M
RES
C2PO
SBUSY
MBUSY
P22 1 - C, 1 - F
TO MPEG SECTION
MBUSY
SBUSY
DRF
GND
CD RES
CLK
WRQ
CDINT
CLAMP SW
DI
DO
CE
DO
INT
DRF
WRQ
CE
RES
DI
CL
AUEMP
3.3V
MCLK
MDI
MDO
D_GND
AV_GND
+5V
DGND
AGND
L-CH
R-CH
5
4
3
2
1
+5V
+B
+B
+B
+B
+B
+B
+B
+B
+B
+B
+B
+B
+B
+B
+B
+B
+B
+B
AULRCK
AUBCK
AUDO
LRCK
BCLK
DATAD
AUCLK
P22 1 - C, 1 - G
TO MPEG SECTION
14
15
13
12
11
10
9
8
7
6
5
4
3
2
1
O/C
P22 1 - F, 1 - C
TO MPEG SECTION
CNS11
P27 12 - C
TO MAIN PWB
P31 10 - A
CNS703
TO DISPLAY PWB
9
10
11
12
13
14
15
16
17
18
19
20
21
22
23
24
25
26
27
28
29
30 31 32 33 34 35
36
37
38 39
40
41
42
43
44
45
46
47
48
49
50
51
52
53
54
55
56
57
58
59
60
61
62
63
64
65
66
67
68
69
70 71
72
73
74 75
76
77
78 79
80
8
7
6
5
4
3
2
1
FG(D_Vref)
C2F
PCKIST
TEST
DOUT
VDD
PCK
SLDO
SPDO
FDO
TDO
TBLO
BHREF
PHREF
ADAVSS
ADAVDD
VREF
TE
FE
PH(RFENV)
BH
JITTC
JITTV
EFMIN
SLCO
SLCIST
HFL
FR
VVDD
VVSS
PDO2
EMPH
MUTEL
MUTER
LVDD
LCHO
XVDD
LVSS
RVSS
RCHO
RVDD
XIN
XOUT
XVSS
ASLRCK
ASDACK
ASDFIN
LRSY
DATACK
DATA
16M
SFSY
SBSY
PW
SBCK
VDD5V
EFMO
EFLG
FSX
CONT5
CONT4
CONT3
CONT2
CONT1
LASER
SERIAL
OUT
EXTERNAL
AUDIO IN
DIGITAL
FILTER
1BIT
DAC
LPF
INTERPOLATION
MUTE
ATTENUATION
DEEMPHASIS
AUDIO
OUT
ERROR
CORRECT
FRAME SYNC
DEFECT,PROTECT
EFM DECODE
CLV
CONTROL
CLOCK
GENERATOR
GENERAL
SUBCODE
DECODE
CRC
COMMAND
INTERFACE
GENERAL
SW
SERVO
PROCESSEROR
AUTO
ADJUST
+
S/H
JITER
DEFECT
CONTROL
A/D
SW
SLICE
LEVEL
CONTROL
PLL
VCEC
D/A
CONT7
CONT6
CE
CL
DI
DO
WRQ
RES
DRF
VSS
V/vP
FSEQ
DEFECT
3
2
1
LOADING M–
V
CC3
V
CC2(SPN)
V
CC4
LD_M+
LD_M–
LOADING M+
S
P–
S
P+
S
PO
GND
TDO
SLDO
FDO
RES
WRQ
CE
CL
DI
DRF
INT
O/C
DISC_NO
9
10
11
12
8
7
1
5
6
4
2
3
+
CD LOADING
MOTOR PWB-H
SPDO
EFBL
9
10
11
12
3
7
8
PDO1
R97
3.9K
R96
1K
R19
47
C64
47/6.3
ZD61
Z02W3.9Z
C56
330/6.3
R20
220
R16
10K
L61
0.82µH
C20
0.1
Q4
KTA1504 GR
C34
0.022
XL1
16.9344MHz
C45
100/6.3
R1
1K
R89 1K
R91 1K
R90 1K
R93 1K
R92 1K
R86 1K
R85 100
R95
10K
R94
10K
R67 1K
R68
1K
C83
0.022
R84
10K
C40
0.0015
C43
0.0015
R83
10K
R82
2.2K
R81
2.2K
R17 1K
D21
KDS193
R21
470
R22
470
Q2
KRC102 S
D22
KDS193
R46 1K
R45 1.2K
R40 1.2K
C80 0.1
R73 1K
R71 1K
C72 0.01 R72 1K
C71 100P
C73 100P
C75 100P
C76 100P
C77 100P
C78 100P
R75 1K
R76 1K
R77 1K
R78 1K
C74 100P R74 1K
L62
2.2µH
C38
10/16
C39
10/16
C47
100/6.3
CNP4
C41
100/6.3
R37
15K
R8
330
R10
27K
C26
0.047
C22
100P
R80
1M
R79
1.5M
C24
2.2/50
C21
0.1
C23
0.047
R12
680
R35
1K
R39
470
R38
270
C44
0.022
C31
100/6.3
R14
1.2K
R11
12K
R13
680
C81
0.022
C27
0.1
C28
47/10
C82
0.022
R44
1K
C17
0.0047
IC2
SERVO DSP
CONTROL
R58
220
Q1
KTC3265 Y
CONSTANT
VOLTAGE
C30
0.022
R15
10K
C29
0.022
C42
68P
(CH)
C25
0.022
DO
SW3
DISC NUMBER
SW2
CLAMP
SW1
OPEN/CLOSE
M3
T/T
UP/DOWN
LOADING
BI4
CNS4
IC2
LC78636E
5
2
1
6
CNP12
CNP11
4V
3.3V
5V

Related product manuals