EasyManua.ls Logo

Sharp CD-M10000W - Advanced Features; Timer for Playback and Recording

Sharp CD-M10000W
68 pages
Print Icon
To Next Page IconTo Next Page
To Next Page IconTo Next Page
To Previous Page IconTo Previous Page
To Previous Page IconTo Previous Page
Loading...
CD-M10000W/CP-M10000
– 28 –
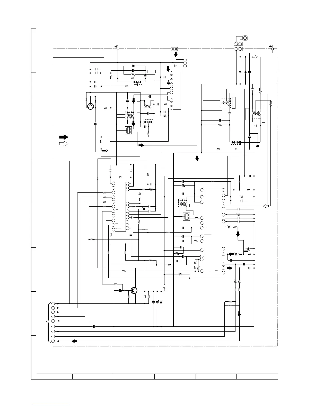
Figure 28 SCHEMATIC DIAGRAM (9/10)
A
B
C
D
E
F
G
H
1
23456
• NOTES ON SCHEMATIC DIAGRAM can be found on page 39.
AM IF
AM ANT.
FM SIGNAL
AM SIGNAL
MAIN PWB-A (2/2)
AM TRACKING
AM BAND
COVERAGE fL
AM OSC.
FM RF
FM OSC.
FM IF
TO MAIN SECTION
P23 12-C
+B
+B
+B
+B
+B
+B
+B
+B
+B
+B
+B
1
2
3
1
2
3
4
5
6
7
8
9
2 1
TP301
22
1
2
3
20
21
19
18
17
16
15
14
13
12
11
10
9
8
7
6
5
4
24
23
22
21
20
19
18
17
16
15
14
13
MO/ST
REG
AM IF IN
GND
SD
STEREO
FM DET
VCC
IF OUT
PHASE
(FM/AM)
PHASE
L-CH OUT
R-CH OUT
MPX IN
MPX VCO
FM/AM OUT
VSM
AM LOW CUT
AM RF IN
AM OSC IN
FM AFC
AM OSC OUT
AM MIX OUT
FM IF IN
1
2
3
4
5
6
12
11
10
9
8
7
CONT
IF
FM/AM
FM/AM
SD
ST IND
MO/ST
VSS
AOUT
AIN
PD
VDD
FM IN
AM IN
DO
CL
DI
CE
X IN X OUT
IF IN
A_GND
DI
CE
DO
CLK
D_GND
TUN_L
TUN_R
+B
AM LOOP
ANTENNA
TP302
2 1
1
2
3
1
2
3
9
8
7
6
5
4
3
2
1
SO301
FM ANTENNA
TERMINAL
BF301
B.P.F.
C303
10P(CH)
R363
6.8K
R364
6.8K
C388
0.001
CNP301
T301
T302
R322
680
Q302
KTC3194 Y
R327
33
C366 0.001
C365 0.022
C364 2.2/50
C363 0.022
C361 0.022
C362 3.3/50
ZD351
DZ5.1BSB
C396 100/10
C395 0.022
R365
10K
CF303
C310
15P
(CH)
C334
22P
(UJ)
R323
68K
T306
C323
0.022
T303
D302 DS1SS133
D301 DS1SS133
C330
15P(UJ)
C338 0.001
C331
0.047
C332
0.022
C381
12P
(CH)
R380
1.5K
R313
33K
C317
0.001
C316 0.022
C373
0.018
C374 0.018
R395
47K
R385
5.6K
Q360
KTA1266 GR
R384
5.6K
C391
47/16
X352
4.5 MHz
C307
10/16
R381
10K
R352
1K
C355
22P
C356
0.001
C311
18P
C305
4.7P
(CH)
R302
10
C372
1/50
R351
5.6K
C342
0.022
D305 DS1SS133
C352 10/16
C351 0.022
C393
1/50
R379
2.2K
R374 1K
CF351
R353
270
C350 0.022
R311 100K
R383
5.6K
R392
270
C306
0.022
IC302
LC72131
PLL(TUNER)
C315 0.0047
C312
0.022
R375
470
C313
22P
(CH)
R325
47K
C318
100P
R316
4.7K
R309
10K
VD303
KDV147B
C392
0.001
C387 0.022
C308 4.7P(CH)
C309
0.001
R358
3.9K
R391
270
C353 0.022
C354 0.022
C382
15P
(CH)
C397
0.022
C394
47/16
IC301
TA7358AP
FM FRONT END
R336
10K
R356
1K
R357
470K
VD302
KDV147B
C371
1/50
R361
3.3K
R372 1K
C398
100/10
C399
0.022
R373 1K
R368
22K
C314
0.0047
C304
0.01
L352
100µH
C380
10/16
C385
0.01
C335
560P
C369 27P(UJ)
C368
1/50
X351
456 kHz
R360
4.7K
C386
330P
R378 1K
L351
100µH
R377
47K
R376
1K
R350
2.7K
C367
1/50
R314
22
C324
8.2P(UJ)
L312
R362
3.3K
C357
2.2/50
R388
3.9K
R355
3.3K
C358
1/50
R387
5.6K
R359
1.8K
R393
1K
C370
1/50
R382
150
VD301
SVC348S
CF352
T351
IC303
LA1832S
FM IF DET./FM
MPX./AM IF
IC303
CONSTANT
VOLTAGE
OSC BUFF

Other manuals for Sharp CD-M10000W

Related product manuals