EasyManua.ls Logo

Sharp DV-NC55S - Page 66

Sharp DV-NC55S
135 pages
Print Icon
To Next Page IconTo Next Page
To Next Page IconTo Next Page
To Previous Page IconTo Previous Page
To Previous Page IconTo Previous Page
Loading...
70
DV-NC55S/H
DV-NC60H
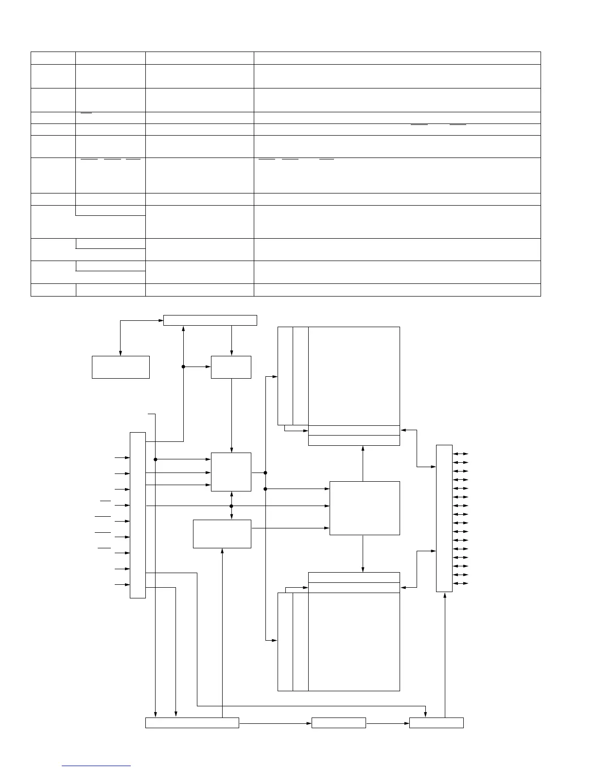
Refresh
Interval Timer
Refresh
Counter
Self Refresh Counter
Address
Register
Burst Length
Counter
Column Addr.
Latch & Counter
512Kx16
Bank 1
Column Decoder
Sense AMP & I/O gates
Column Decoder
Sense AMP & I/O gates
Mode Register Test Mode I/O Control
512Kx16
Bank 0
Row Addr. Latch/PredecodeRow Addr. Latch/Predecode
State Machine
Data Input/Output Buffers
Row Decoder
Precharge
Row Active
Column Active
Overflow
Address[0:10]
Audio/Self Refresh
Ref. Addr.[0:11]
I/O0
I/O1
I/O2
I/O3
I/O4
I/O5
I/O6
I/O7
I/O8
I/O9
I/O10
I/O11
I/O12
I/O13
I/O14
I/O15
CLK
CKE
BA(A11)
CS
RAS
CAS
WE
UDQM
LDQM
35 CLK Clock The system clock input. All other inputs are referenced to the SDRAM on
the rising edge of CLK.
34 CKE Clock Enable Controls internal clock signal and when deactivated, the SDRAM will
be one of the states among power down, suspend or self refresh.
18 CS Chip Select Command input enable or mask except CLK, CKE and DOM
19 BA Bank Address Select either one of banks during both RAS and CAS activity.
20~24 A0~A10 Address Row Address: RA0~RA10, Column Address: CA0~CA7
27~32
17, 16, 15 RAS, CAS, WE Row Address Strobe, RAS, CAS and WE define the operation.
Column Address Strobe, Refer function truth table for details.
Write Enable
14, 36 LDQM, UDQM Data Input/Output Mask DQM control output buffer in read mode and mask input data in write mode.
2, 3, 5, I/O0~15 Data Input/Output Multiplexed data input/output pin
6, 8, 9, 11, 12, 39, 40,
42, 43, 45, 46, 48, 49
VDD/VSS Power Supply/Ground Power supply for internal circuit and input buffer.
1, 25, 26
4, 7, 10, VDDO/VSSO
Data Output Power/Ground
Power supply for DO
13, 38, 41, 44, 47, 50
33, 37 NC No Connection No connection
12-7. IC602-3 IX0751TA 16M SDRAM
Pin No.
Terminal Name Name Input Function
• Block Diagram

Related product manuals