EasyManua.ls Logo

Sharp DV-NC55S - Page 76

Sharp DV-NC55S
135 pages
Print Icon
To Next Page IconTo Next Page
To Next Page IconTo Next Page
To Previous Page IconTo Previous Page
To Previous Page IconTo Previous Page
Loading...
80
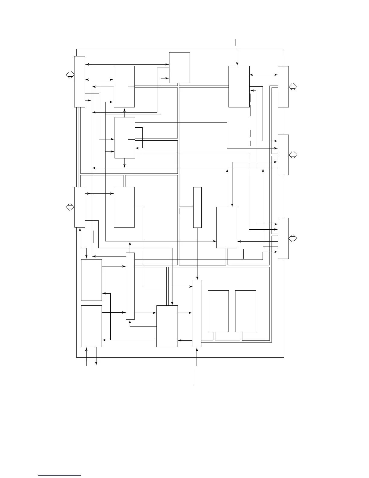
DV-NC55S/H
DV-NC60H
Port 2 Port 4
Port 09
Port 3Port 1
HIGH FREQ
OSC
LOW FREQ
OSC
P22~P20 P47~P40
P17~P10 P37~P30 P07~P00
STOP
INTREQ
TI0, TI1
RXD,
TXD
UART8bit TMR
SCK,
SI, SO
ch. 0 ch. 1
ch. 1 ch. 0
INTERRUPT
CONTROLLER
STANDBY
CONTROLLER
fsfc
CLK GEAR, TBT
OSC
SYSCLK
CPU WDT
ETC0
SERIAL
INTERFACE
EA
EXTERNAL BUS
CONTROLLER
TO0
TO1
RD, WR, ALE, WAIT, CLK
AD0~7
A8~A15
16-bit
Expansion Timer
DVO
ROM
16KB
RAM
512B
RESET
XIN
XOUT
• Block Diagram

Related product manuals