EasyManua.ls Logo

Sharp ER-A610 - Department Programming

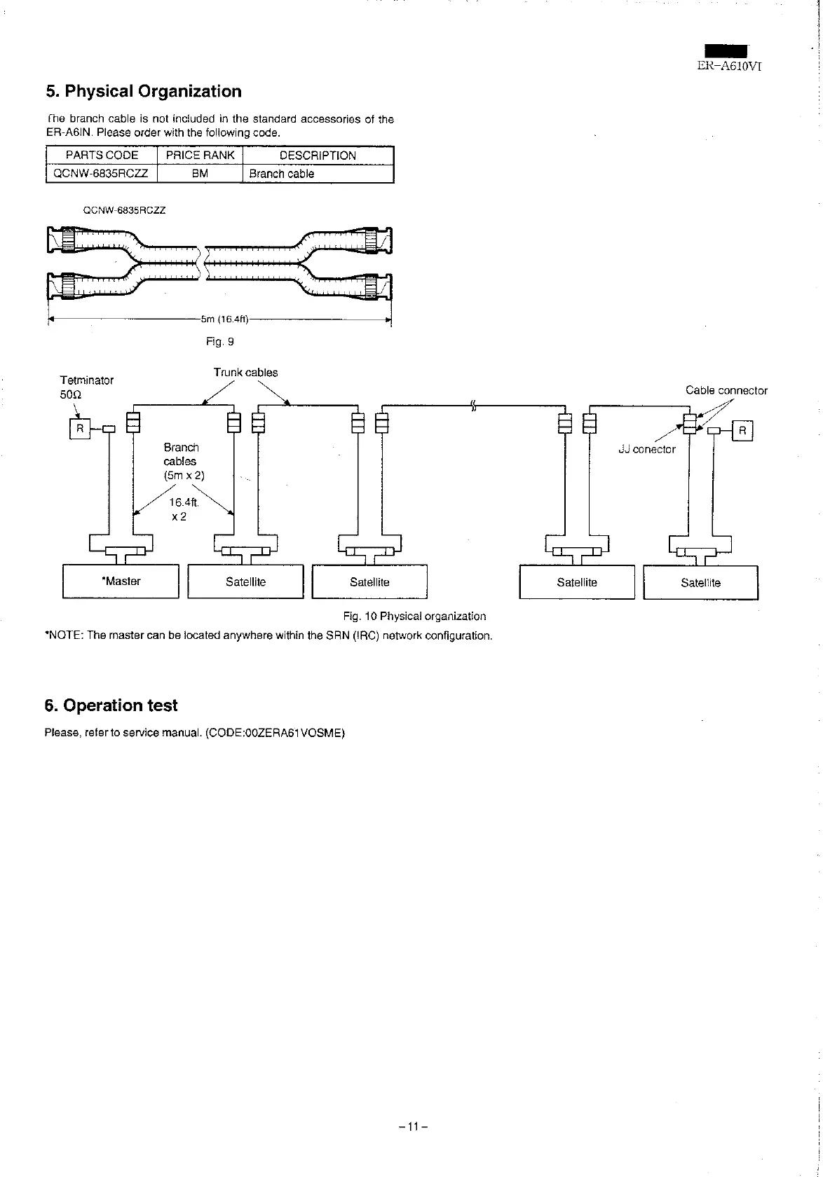
Sharp ER-A610
Print Icon
To Next Page IconTo Next Page
To Next Page IconTo Next Page
To Previous Page IconTo Previous Page
To Previous Page IconTo Previous Page
Loading...

Other manuals for Sharp ER-A610

Related product manuals