EasyManua.ls Logo

Sharp KB-3411JS - Page 15

Sharp KB-3411JS
60 pages
Print Icon
To Next Page IconTo Next Page
To Next Page IconTo Next Page
To Previous Page IconTo Previous Page
To Previous Page IconTo Previous Page
Loading...
13
KB-3411JS
KB-3411JK
KB-3411JW
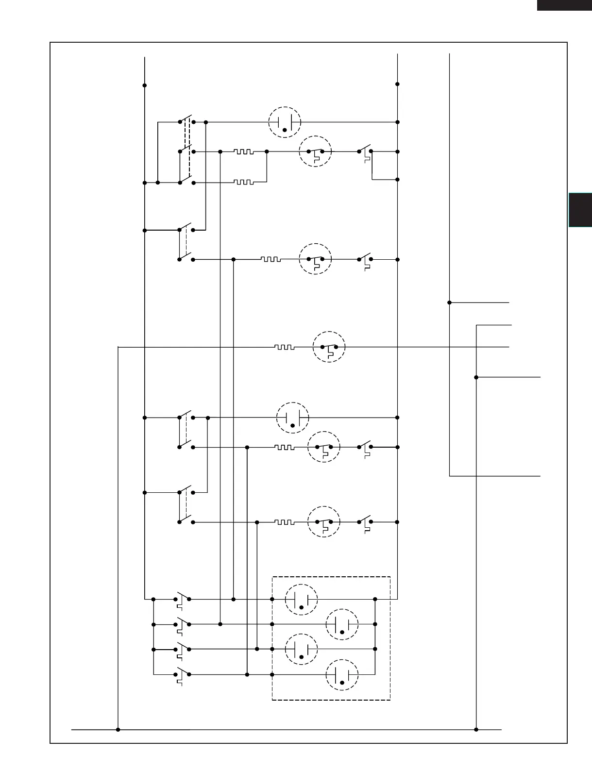
COOK TOP SCHEMATIC (DETAIL)
L2
N
N
L1
L2
2
INSIDE
OUTSIDE
CONTROL
RIGHT FRONT
SURFACE
ELEMENT
4
4a
S2S1
P2
P1
H2
2a
1a
2
P1 /
4
CONTROL
H1
PL1
L2
H2
PROTECTOR
CONTROL
INDICATOR LIGHT
INDICATOR LIGHT
HOT SURFACE LIGHT
HOT SURFACE
LIGHT
SWITCHES
H1
PL1
L2
H2
CONTROL
LEFT REAR
SURFACE
ELEMENT
H1
PL1
L2
1b /
H
RR
LR
RF
LF
2b /
S
1b /
H
2b /
S
1b /
H
2b /
S
1b /
H
2b /
S
2a
2a
2a
2a
1a
2
P1 /
4
PROTECTOR
LEFT FRONT
SURFACE
ELEMENT
1a
2
P1 /
4
PROTECTOR
RIGHT REAR
SURFACE
ELEMENT
1a
PROTECTOR
1a
2
P1 /
4
PROTECTOR
WARMER
SURFACE
ELEMENT
L2
BLK
YLW
BLK
YLW
WHT
BLK
ORG
RED
YLW
RED
RED
BLK
WHT
WHT
RED
BRN
RED
YLW
RED
RED
YLW
ORG
YLW
YLW
WHT
YLW
RED
YLW
RED
RED
RED
BLK
BLK
BLK
RED
RED
RED
YLW
YLW
YLW
YLW
YLW
WHT
YLW
BLU
BLK
YLW
YLW
YLW
YLW
BRN
YLW
WHT
RED
BRN
BLU
BLK
YLW
WHT
WHT WHT
BLK
BLK
BLU
BLU
BLU
BLK
BLU
BLK
BLK
YLW
RED
WHT
YLW
RED
BLK
YLW
YLW
YLW
WHT
BRN
WHT
WHT
P1B /
4
P1A /
4A