EasyManua.ls Logo

Sharp KB-3411JS - Page 17

Sharp KB-3411JS
60 pages
Print Icon
To Next Page IconTo Next Page
To Next Page IconTo Next Page
To Previous Page IconTo Previous Page
To Previous Page IconTo Previous Page
Loading...
15
KB-3411JS
KB-3411JK
KB-3411JW
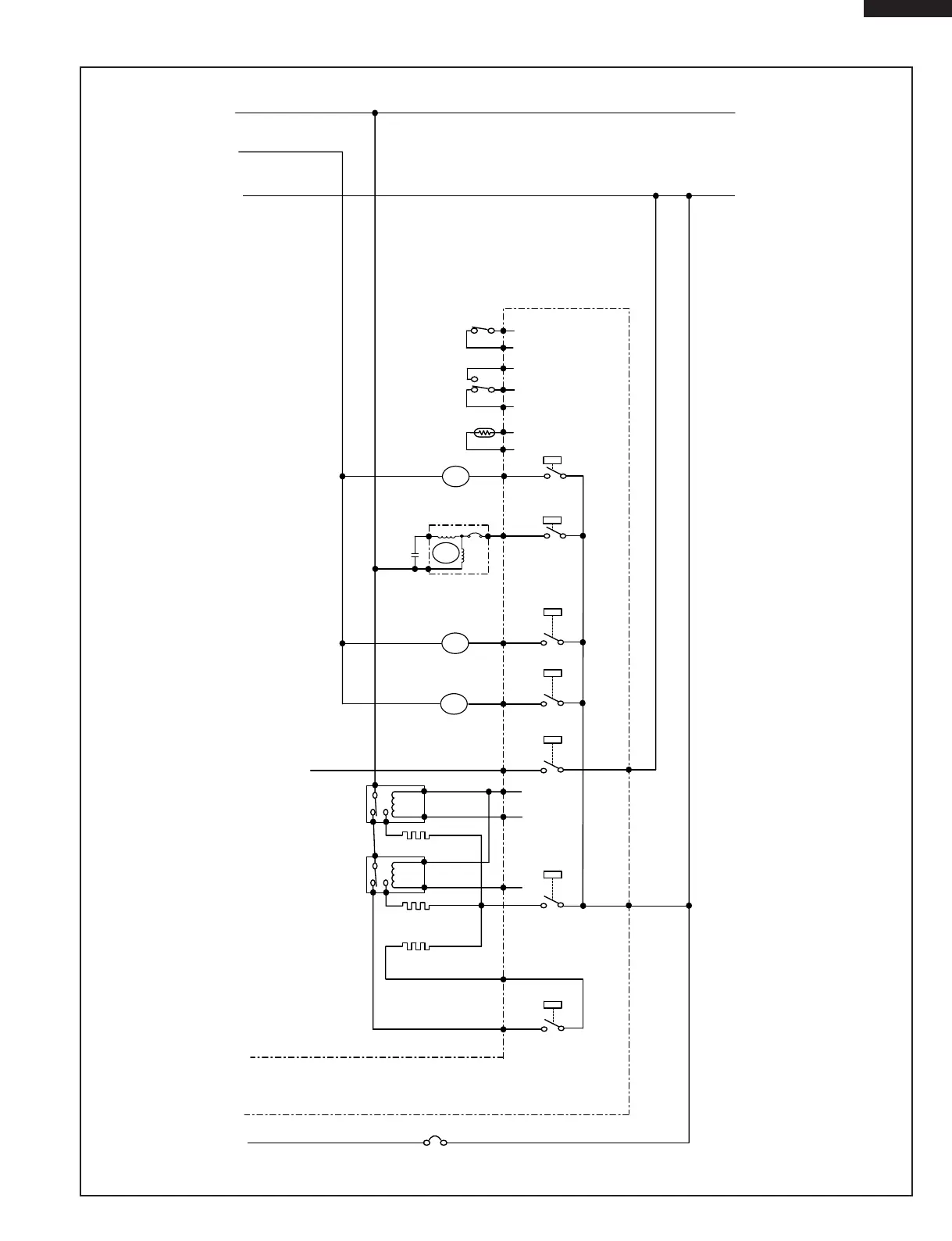
RANGE SCHEMATIC (DETAIL)
FM
CLOSS FLOW
FAN MOTOR
OL
OVEN LAMP
CONV. HEATER
TOP HEATER
LM
DOOR LOCK
MOTOR
N.O.
N.O.
COM.
COM.
RY7
RY4
RY10
RY3
RY8
M12
DOOR LOCK
MOTOR
SWITCH
THERMISTOR
M11
M10
M9
M8
M4
DOOR
SWITCH
M5
CONTROL UNIT
L1
L2
N
CM
RY9
CONV. MOTOR
D1
D5
D3
C3 C7
C5
E6 E5
E3
RY6
BOTTOM HEATER
OVEN THERMAL
CUT-OUT (THERMAL OVEN)
RY-BRY-C
RED
RED
BLK
RED
RED
BLK
RED
YLW
RED
BLK
ORG
ORG
BRN
BRN
BLK
WHT
WHT
YLW
WHT
WHT
ORG
RED
BLU
WHT
YLW
WHT
BRN
RED
BLK
GRY
BLK
WHT
WHT
BLU
BLK
RED RED
BLK
RED
WHT
WHT
BLK
BLK
BLK
BLK
WHT
BLK
RED
ORG