EasyManua.ls Logo

Sharp LC-20SH4U - Page 46

Sharp LC-20SH4U
88 pages
Print Icon
To Next Page IconTo Next Page
To Next Page IconTo Next Page
To Previous Page IconTo Previous Page
To Previous Page IconTo Previous Page
Loading...
LC-20SH4U
87109654321
A
B
C
D
E
F
G
H
46
Ë
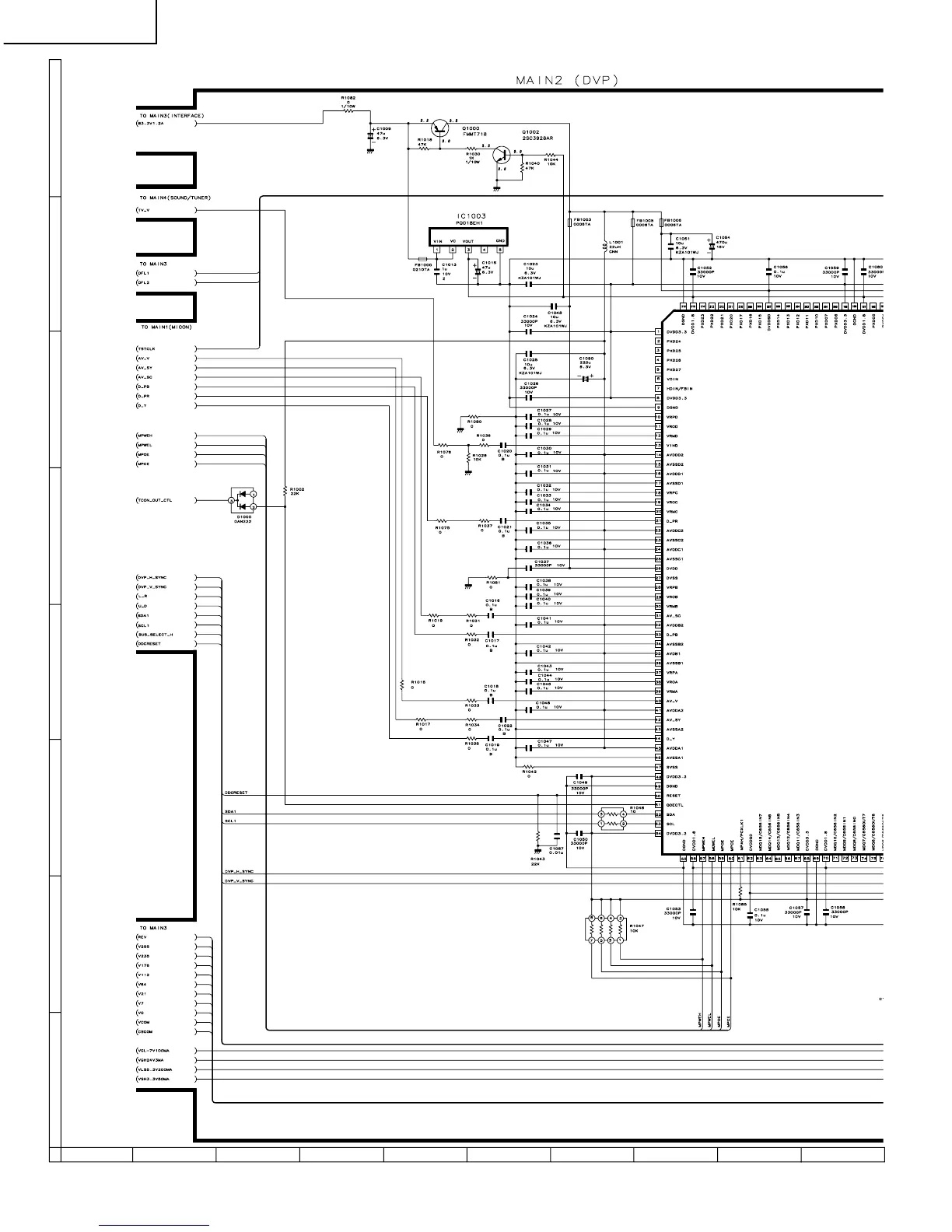
MAIN Unit-2/4

Other manuals for Sharp LC-20SH4U

Related product manuals