EasyManua.ls Logo

Sharp LC-39LE650E - USB Recording (REC) Functionality; USB REC Operations and Recording; Archive Playback and File Management

Sharp LC-39LE650E
148 pages
Print Icon
To Next Page IconTo Next Page
To Next Page IconTo Next Page
To Previous Page IconTo Previous Page
To Previous Page IconTo Previous Page
Loading...
51
LC-39/50LE650
LC-39/50LE651
LC-39/50LE652
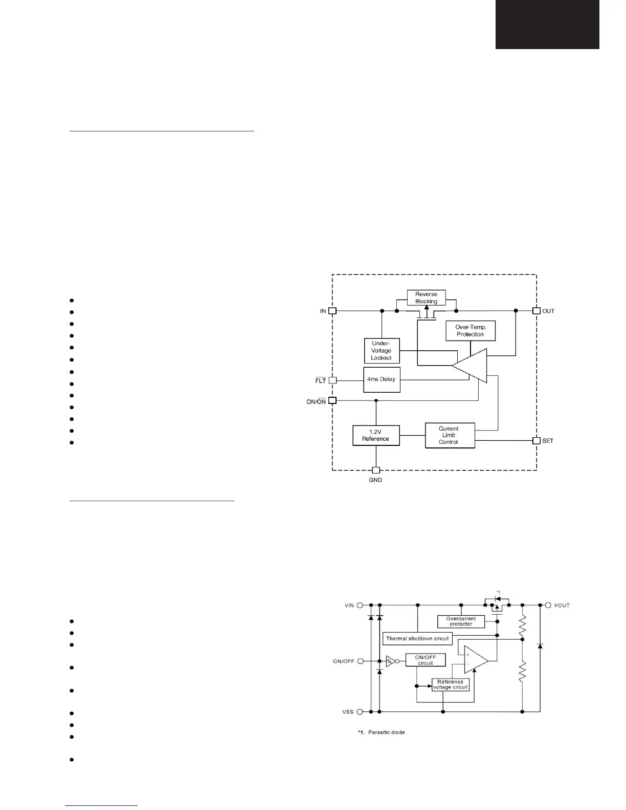
IC9551: Adjustable Current Limited Load Switch with Fault Flag (USB1).
Part number: AAT4614IGU-2-T1 (SKYWORKS INC.)
Sharp code: RH-IXD309WJZZY
http://www.skyworksinc.com/uploads/documents/201939A.pdf
The AAT4614 Smart Switch is a current limited P-channel MOSFET power switch designed for high side load switching
applications. This switch operates with inputs ranging from 2.4V to 5.5V, making it ideal for both 3V and 5V systems. An
integrated current-limiting circuit protects the input supply against large currents which may cause the supply to fall out of
regulation. Reverse current blocking is provided to protect the load switch from reverse current potentials while the device is
shutdown.
The AAT4614 is also protected from thermal overload which is limited by power dissipation and junction temperatures. Current
limit threshold is programmed with a resistor from SET to ground and may be adjusted for levels up to 1.4A. The ultra-fast
current limit response to a sudden short circuit is a mere 1μs which reduces the requirements of local supply bypassing. An open
drain FAULT flag signals an over-current or over-temperature condition after a 4ms blanking time to prevent false reporting.
Quiescent current is a low 10μA and the supply current decreases to less than 1μA in shutdown mode.
The AAT4614 is offered in the 8-pin SC70JW, SOT23-6 and SOT23-5 packages, and is specified for operation over the -40°C to
+85°C ambient temperature range.
Features.
Input Voltage Range: 2.4V to 5.5V.
Programmable Over-Current Threshold.
Fast Transient Response:
1μs Response to Short Circuit.
10μA Typical while Enabled.
160mΩ Typical RDS(ON).
Only 2.4V Needed for ON/OFF Control.
Under-Voltage Lockout.
Reverse Blocking During Disable.
4ms Fault Blanking.
Fault Flag Open Drain Output.
Active Hi/Lo Enable Options.
Over-Temperature Protection.
IC9553: Low Dropout LDO (USB2)
Part number: S-1170B50UC-OUJTFG (SEIKO)
Sharp code: VHIS170B50U-1Y
http://datasheet.sii-ic.com/en/voltage_regulator/S1170_E.pdf
The S-1170 Series is a positive voltage regulator with a low dropout voltage (LDO), high output voltage accuracy, and low
current consumption developed based on CMOS technology.
A built-in low on-resistance transistor provides a low dropout voltage and large output current, a built-in overcurrent protector
prevents the load current from exceeding the current capacitance of the output transistor, and a built-in thermal shutdown circuit
prevents damage caused by the heat. An ON/OFF circuit ensures a long battery life. Compared with the voltage regulators using
the conventional CMOS process, a larger variety of capacitors are available, including small ceramic capacitors. Small SOT-89-
5 and 6-Pin HSON(A) packages realize high-density mounting.
Features:
Output voltage: 1.5 V to 5.5 V, selectable in 0.1 V steps.
High-accuracy output voltage: ±1.0%.
Low dropout voltage (LDO): 120 mV typ. (3.0 V output
product, Iout =300 mA).
Low current consumption: During operation 80 µA typ.
160 µA max., During shutdown 0.1 µA typ. 1.0 µA max.
High peak current capability: 800 mA output is possible
(@ Vin >Vout(S) +1.0 V) *1
Built-in ON/OFF circuit.
High ripple rejection: 70 dB typ. (@ 1.0 kHz)
Built-in overcurrent protector: Overcurrent of output
transistor can be restricted.
Built-in thermal shutdown circuit.
MAJOR ICs INFORMATION ( continued )

Other manuals for Sharp LC-39LE650E

Related product manuals