EasyManua.ls Logo

Sharp LC-50LE751K - Page 107

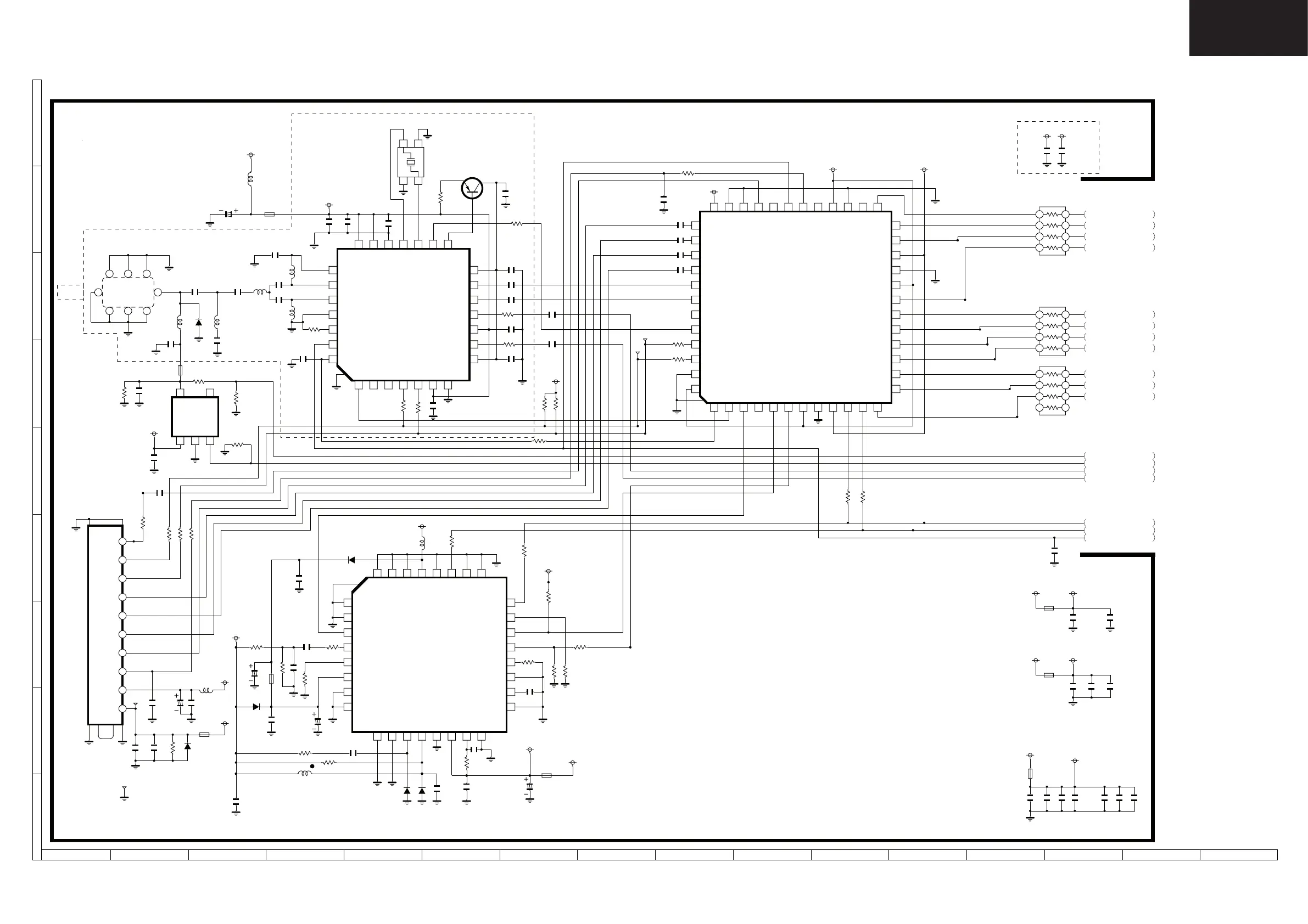
Sharp LC-50LE751K
166 pages
Print Icon
To Next Page IconTo Next Page
To Next Page IconTo Next Page
To Previous Page IconTo Previous Page
To Previous Page IconTo Previous Page
Loading...

Related product manuals