EasyManua.ls Logo

Sharp LC-50LE751K - Page 55

Sharp LC-50LE751K
166 pages
Print Icon
To Next Page IconTo Next Page
To Next Page IconTo Next Page
To Previous Page IconTo Previous Page
To Previous Page IconTo Previous Page
Loading...
55
LC-39/50LE750
LC-39/50LE751
LC-39/50LE752
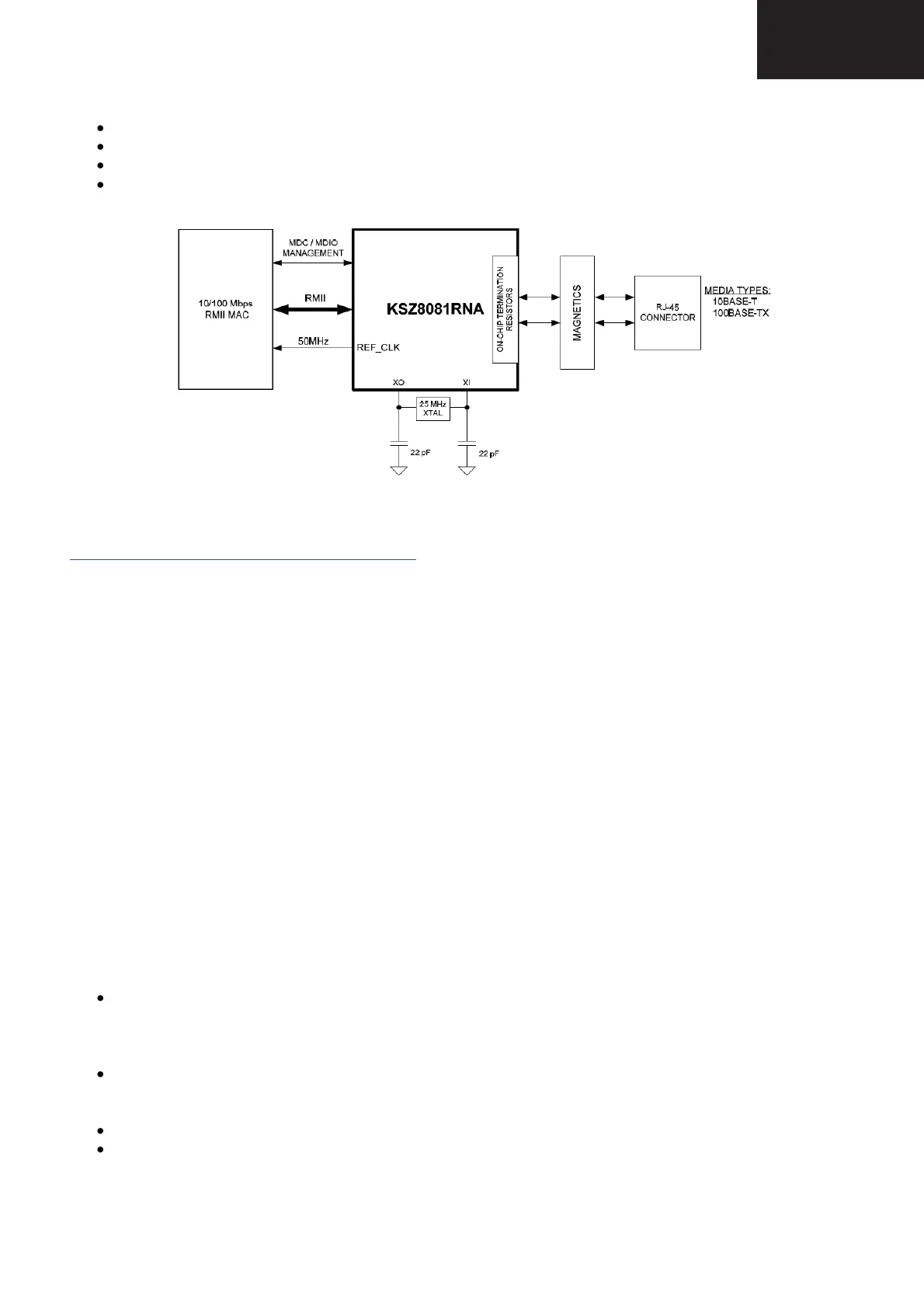
Auto-negotiation to automatically select the highest link-up speed (10/100Mbps) and duplex (half/full).
Loopback modes for diagnostics.
Single 3.3V power supply with VDD I/O options for 1.8V, 2.5V or 3.3V.
Built-on 1.2V regulator for core.
IC1106: Silicon Tuner (Analog & DVB-T/C/T2)
Part number: Si2178-A20-GMR (SILICON LABS)
Sharp code: RH-IXD518WJZZY
http://www.silabs.com/Support%20Documents/TechnicalDocs/Si2178-short.pdf
The Si2178 integrates a PAL/SECAM/NTSC analog TV demodulator with a universal hybrid TV tuner supporting all worldwide
digital and analog TV standards. The Si2178 requires no external balun and offers the lowest-cost BOM for a hybrid TV tuner
with analog demodulator. By combining Silicon Labs' proven digital low-IF architecture with a 4th-generation RF front-end, the
Si2178 maintains the highest performance that exceeds MOPLL-based tuners, including industry-leading 2nd-order distortion
performance.
Compared with competing silicon TV tuners, the Si2178 delivers an unprecedented level of front-end integration, resulting in the
lowest number of external BOM components. No external tracking filters, wire-wound inductors, LNAs, SAW filters or
inductive power supply filtering components are needed. The Si2178 offers low power consumption as well as an option for
single or dual power supply operation. Also included is an internal power-on reset circuit, eliminating the need for external
brownout protection components or additional pins in module applications.
For next-generation digital TV broadcast standards, such as DVB-T2 and DVB-C2, that are sensitive to integrated phase noise,
the Si2178 offers industry-leading phase noise performance. A software-selectable cable mode is also included which offers high
return-loss performance.
As with prior-generation Silicon Labs TV tuners, the Si2178 delivers superior picture quality and a higher number of received
stations when compared to other silicon tuners and discrete MOPLL-based tuners. Both the tuner and analog demodulator
incorporate worldwide field testing experience from three previous generations in high-volume production, to deliver the highest
tolerance to real-world field reception conditions. The Si2178 also incorporates a harmonic-rejection mixer that delivers
excellent immunity to Wi-Fi and LTE interference across the full RF input frequency range, with no need for external filtering
components.
Features:
Worldwide hybrid TV tuner.
o Analog TV: NTSC, PAL/SECAM.
o Digital TV: ATSC/QAM, DVB-T2/T/C2/C, ISDB-T/C, DTMB.
o 421002 MHz frequency range.
Analog TV demodulator.
o Superior video SNR performance.
o Over modulation and ICPM tolerant.
Industry-leading margin to A/74, NorDig, D-Book, C-Book, ARIB, EN55020, Open Cable specifications.
Lowest BOM for a silicon hybrid TV tuner.
o No balum at RF input.
o No external SAW filters or wire-wound inductors.
o Integrated LNAs and complete tracking filters.
MAJOR ICs INFORMATION ( continued )

Related product manuals