EasyManua.ls Logo

Sharp MZ-700 - Custom LSI; Block Diagram; CRT Control

Sharp MZ-700
59 pages
Print Icon
To Next Page IconTo Next Page
To Next Page IconTo Next Page
To Previous Page IconTo Previous Page
To Previous Page IconTo Previous Page
Loading...
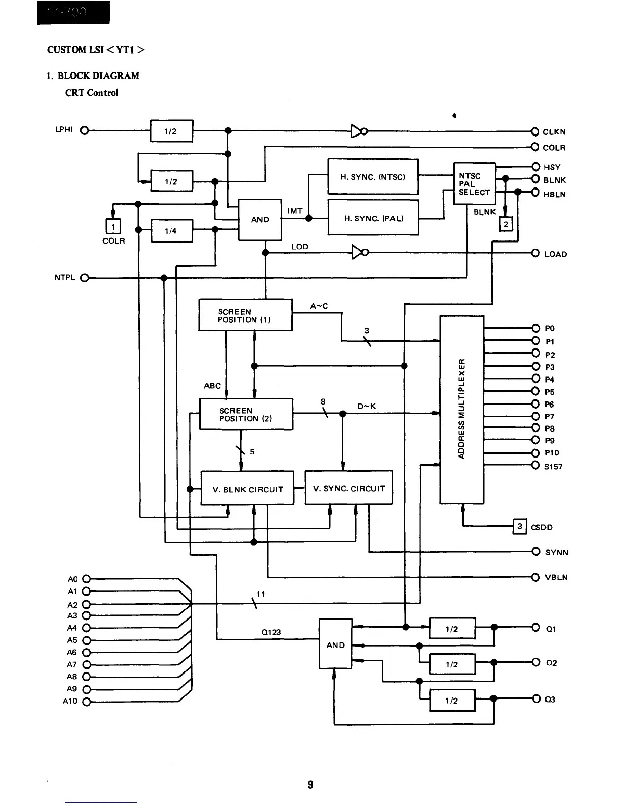
CUSTOM
LSI
< YTl >
1.
BLOCK
DIAGRAM
CRT
Control
LPHI
0
J
I
l-{
NTPL
AO
A1
A2
A3
A4
A5
A6
A7
A8
A9
A10
0
0
('
-
9
0
0
0
0
0
0
0
Eh
H
COLR
1/2
1/2
1/4
"
/
/
/
/
/
/
/
I
J
I--
IMT
I
I.....-
AND
LOO
SCREEN
POSITION (1)
ABC
r--
SCREEN
POSITION (2)
"
I'
5
~
V.
BLNK
CIRCUIT
~
L---
\
11
,
0123
-
~
r--
H. SYNC. (NTSC)
r--
H. SYNC. (PAL)
f----
-
...,
A-C
3
\.
,
8
D-K
\
,
~
V. SYNC.
CIRCUIT
I
1
1/2
AND
It
I
1/2
-
Y
1/2
9
NTSC
PAL
SELECT
BLNK0
~
a:
w
X
w
..J
0..
i=
..J
::>
::i:
Cl)
Cl)
w
a:
0
0
et
f
I
-
f
I
-
I
1
r
~
-
~
~
"V
~
~
~
"U
~
~
~
~
Y
V
~
"!
"0
CLKN
COLR
HSY
BLNK
HBLN
LOAD
PO
P1
P2
P3
P4
P5
P6
P7
P8
pg
P10
S157
3
CS
DD
SYNN
-0
VBLN
"0
01
02
Q
03

Table of Contents

Other manuals for Sharp MZ-700

Related product manuals