EasyManua.ls Logo

Sharp MZ-700 - Chapter 1 The World of MZ-700 Series Personal Computer

Sharp MZ-700
59 pages
Print Icon
To Next Page IconTo Next Page
To Next Page IconTo Next Page
To Previous Page IconTo Previous Page
To Previous Page IconTo Previous Page
Loading...
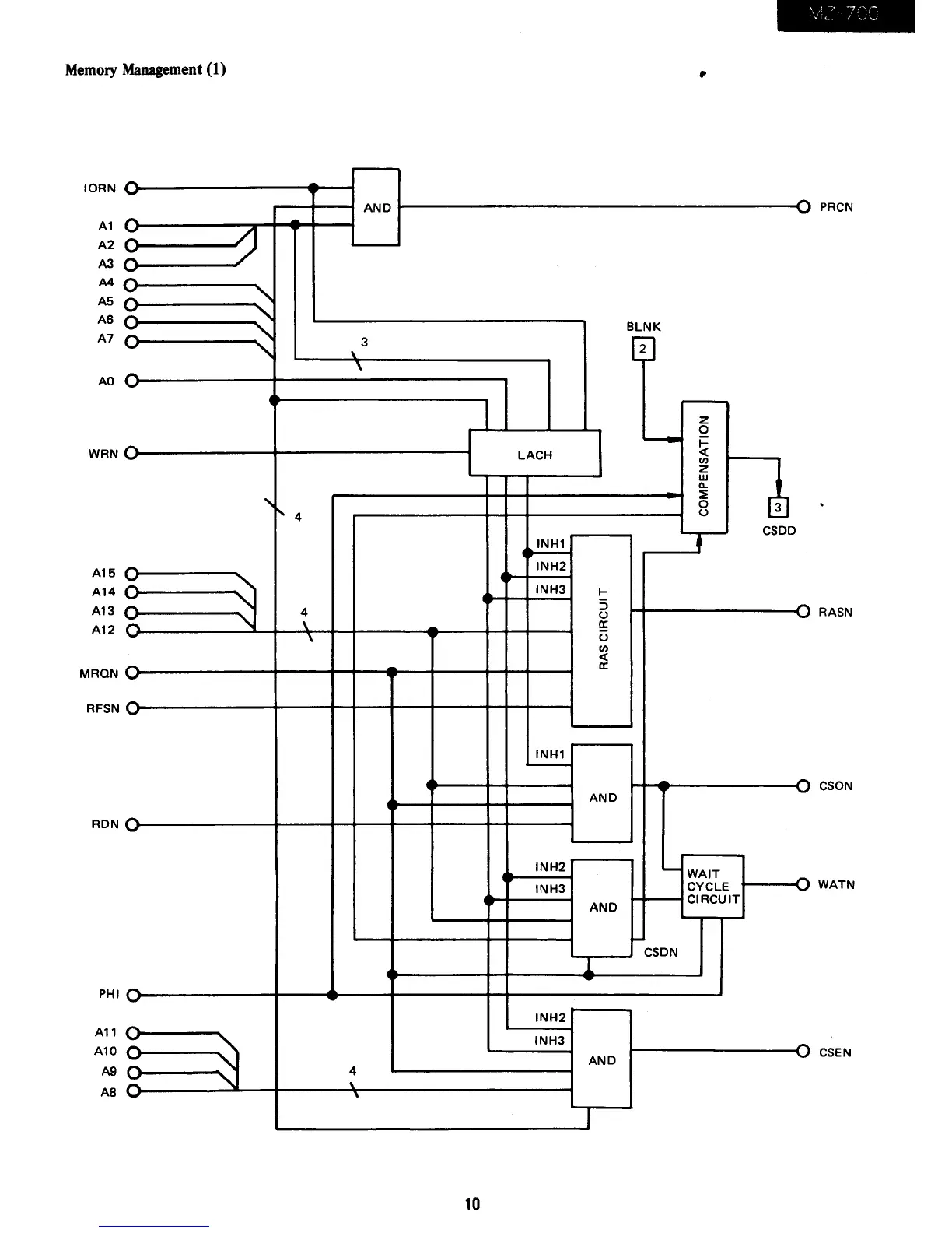
Memory
Management
(1)
IORN
A1
A2
A3
A4
A5
AS
A7
AO
WRN
A15
A14
A13
A12
MRQN
RFSN
RDN
PHI
A11
A10
A9
AB
,...
"
0
~
0
0
0
."
0
"
0
-"
.....
"
"
0
0
'"
0
0
"
"
0
'\
-
0
0
0
0
-
:::.
~
~
'-
0
AND
3
\.
,
r--
4
4
\
,
4
\.
-0
PRCN
BLNK
2
Z
'----
0
~
LACH
<C
(f.I
~
Z
w
a..
~
0
U
INH1
CSDD
INH2
INH3
I-
:;
u
RASN
!!:
U
(/)
<C
a:
INH1
')
'"
CSON
AND
INH2
-
WAIT
-0
INH3
CYCLE
WATN
AND
CIRCUIT
CSDN
1
INH2
INH3
AND
CSEN
10

Table of Contents

Other manuals for Sharp MZ-700

Related product manuals