EasyManua.ls Logo

Sharp R-1612 - Page 9

Sharp R-1612
28 pages
Print Icon
To Next Page IconTo Next Page
To Next Page IconTo Next Page
To Previous Page IconTo Previous Page
To Previous Page IconTo Previous Page
Loading...
7
R-1610
R-1611
R-1612
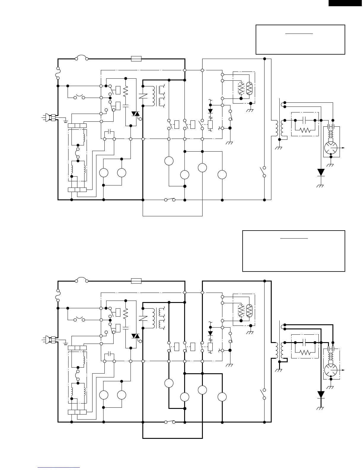
SCHEMATIC
NOTE: CONDITION OF OVEN
1. DOOR CLOSED
2. COOKING TIME PROGRAMMED
3. VARIABLE COOKING CONTROL "HIGH"
4. "START" PAD TOUCHED
Figure O-2. Oven Schematic-Cooking Condition
Figure O-1. Oven Schematic-Off Condition
SCHEMATIC
NOTE: CONDITION OF OVEN
1. DOOR CLOSED
2. CLOCK APPEARS ON DISPLAY
CAVITY 
THERMAL CUT-OUT
MAGNETRON 
TEMPERATURE FUSE
FUSE 
20A
TURNTABLE
MOTOR
FAN
MOTOR
STIRRER
MOTOR
MAGNETRON
OVEN LAMP
MONITOR
SWITCH
BLKWHT
AH SENSOR
POWER
TRANSFORMER
HIGH VOLTAGE
CAPACITOR
0.94µF
HIGH VOLTAGE
RECTIFIER
COM. N.O.
COM.
CONTROL UNIT
GND
GRN
HOOD
MOTOR
B7
B5
B3
B1
A1 A3 B9 A7 A5 N.O.
F1
F2
F3
E1
E2
DOOR
SENSING
SWITCH
SECONDARY
INTERLOCK
SWITCH
120 V AC.
60 Hz
HOOD
LAMP
HL HL
RY3 RY1
RY2
PRIMARY
INTERLOCK 
RELAY
SSR
FM
STM
OL
TTM
HOOD FAN
THERMAL
CUT OUT
HOOD
CAPACITOR
RY4
RY5
N.C.
Low
High
MAGNETRON 
TEMPERATURE FUSE
FUSE 
20A
TURNTABLE
MOTOR
FAN
MOTOR
STIRRER
MOTOR
MAGNETRON
OVEN LAMP
MONITOR
SWITCH
BLKWHT
AH SENSOR
POWER
TRANSFORMER
HIGH VOLTAGE
CAPACITOR
0.94µF
HIGH VOLTAGE
RECTIFIER
COM. N.O.
COM.
CONTROL UNIT
GND
GRN
HOOD
MOTOR
B7
B5
B3
B1
A1 A3 B9 A7 A5 N.O.
F1
F2
F3
E1
E2
DOOR
SENSING
SWITCH
SECONDARY
INTERLOCK
SWITCH
120 V AC.
60 Hz
HOOD
LAMP
HL HL
RY3 RY1
RY2
PRIMARY
INTERLOCK 
RELAY
FM
STM
OL
TTM
HOOD FAN
THERMAL
CUT OUT
HOOD
CAPACITOR
RY4
RY5
N.C.
CAVITY 
THERMAL CUT-OUT
SSR
Low
High

Related product manuals