EasyManua.ls Logo

Sharp R-22GV - Page 10

Sharp R-22GV
48 pages
Print Icon
To Next Page IconTo Next Page
To Next Page IconTo Next Page
To Previous Page IconTo Previous Page
To Previous Page IconTo Previous Page
Loading...
8
R-22GV
R-22GT
R-23GT
R-24GT
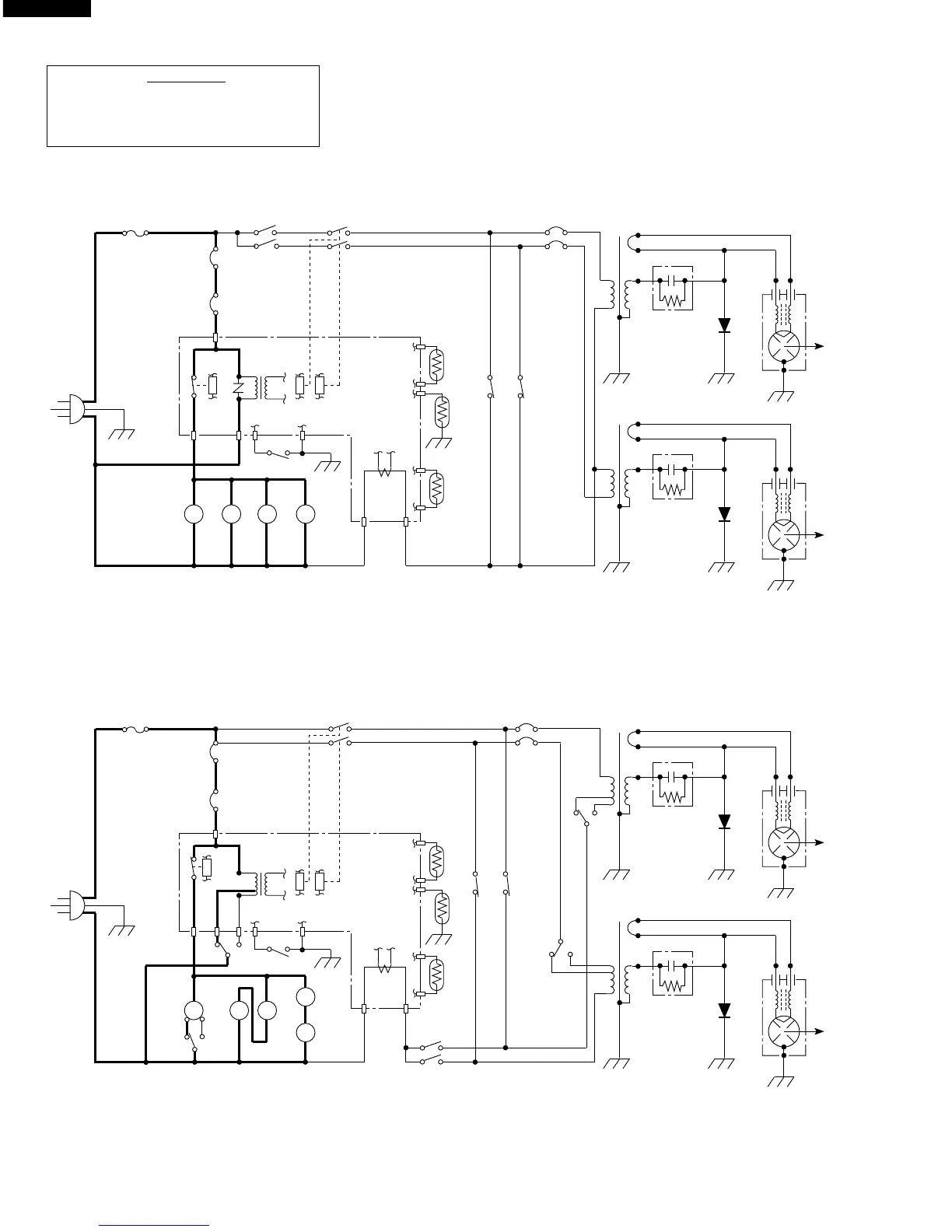
SCHEMATIC
NOTE: CONDITION OF OVEN
1. FOR 1MINUTE AFTER DOOR OPENED.
2. " . " APPEARS ON DISPLAY.
Figure O-2. R-23GT/24GT Oven SChematic-IDLE Condition (208 VCondition)
FUSE 20A
OVEN LAMP
BLOWER
MOTOR
208/230V 60Hz
MAGNETRON (1)
(UPPER)
BM
STIRRER MOTOR
SM
SM
OL
H3
H1
MAGNETRON
THERMISTOR
INTAKE 
THERMISTOR
BLKWHT
DOOR SENSING
SWITCH
A1 A3 B2 B1
A7
RY2
RY3
OVEN 
THERMAL
CUT-OUT
BLOWER
MOTOR 
THERMAL
CUT-OUT
MAGNETRON
THERMAL
CUT-OUT (1)
(UPPER)
PRIMARY
INTERLOCK
RELAY (2)
B3
OVEN
THERMISTOR
D1D3
TAB2
TAB1
PRIMARY
INTERLOCK
RELAY (1)
MAGNETRON
THERMAL
CUT-OUT (2)
(LOWER)
RED
PNK
MONITOR SWITCH (2)
MONITOR SWITCH (1)
GRY
WHT
PNK
RED
POWER
TRANSFORMER (1) 
(FRONT)
CAPACITOR (1)
0.94µF
CAPACITOR (2)
0.94µF
POWER
TRANSFORMER (2) 
(REAR)
RECTIFIER (1)
RECTIFIER (2)
MAGNETRON (2)
(LOWER)
RY1
A5
WHT/GRY
OL
VOLTAGE SELECT
SWITCH (V.S.SW) (2)
COM
NC
COM
NC
V.S.SW
(1)
COM
NC
NC
COM
V.S.SW (4)
V.S.SW (3)
SECONDARY
INTERLOCK
SWITCH (1)
SECONDARY
INTERLOCK
SWITCH (2)
BLK RED
Figure O-2. R-22GV/22GT Oven SChematic-IDLE Condition
FUSE 20A
OVEN LAMP
BLOWER MOTOR
120V 60Hz
MAGNETRON (1)
(UPPER)
BM
STIRRER MOTOR
STIRRER MOTOR
SM
SM
OL
H3
H1
MAGNETRON
THERMISTOR
INTAKE 
THERMISTOR
BLK
WHT
GRY
GRY
DOOR SENSING
SWITCH
A1 A3 B2 B1
A7
RY2
RY3
OVEN 
THERMAL
CUT-OUT
BLOWER
MOTOR 
THERMAL
CUT-OUT
SECONDARY
INTERLOCK
SWITCH (1)
MAGNETRON
THERMAL
CUT-OUT (1)
(UPPER)
PRIMARY
INTERLOCK
RELAY (2)
B3
OVEN
THERMISTOR
D1D3
TAB2
TAB1
PRIMARY
INTERLOCK
RELAY (1)
MAGNETRON
THERMAL
CUT-OUT (2)
(LOWER)
YLW
BLK
MONITOR SWITCH (1)
MONITOR SWITCH (2)
WHT/GRY
GRY
YLW
BLK
POWER
TRANSFORMER (1) 
(FRONT)
CAPACITOR (1)
0.75µF
CAPACITOR (2)
0.75µF
POWER
TRANSFORMER (2) 
(REAR)
RECTIFIER (1)
RECTIFIER (2)
BLK
ORG
MAGNETRON (2)
(LOWER)
GRN
RY1
SECONDARY
INTERLOCK
SWITCH (2)

Related product manuals