EasyManua.ls Logo

Sharp R-22GV - Page 40

Sharp R-22GV
48 pages
Print Icon
To Next Page IconTo Next Page
To Next Page IconTo Next Page
To Previous Page IconTo Previous Page
To Previous Page IconTo Previous Page
Loading...
38
R-22GV
R-22GT
R-23GT
R-24GT
6
45
1
2
3
6
45
1
2
3
A
B
C
D
E
F
G
H
A
B
C
D
E
F
G
H
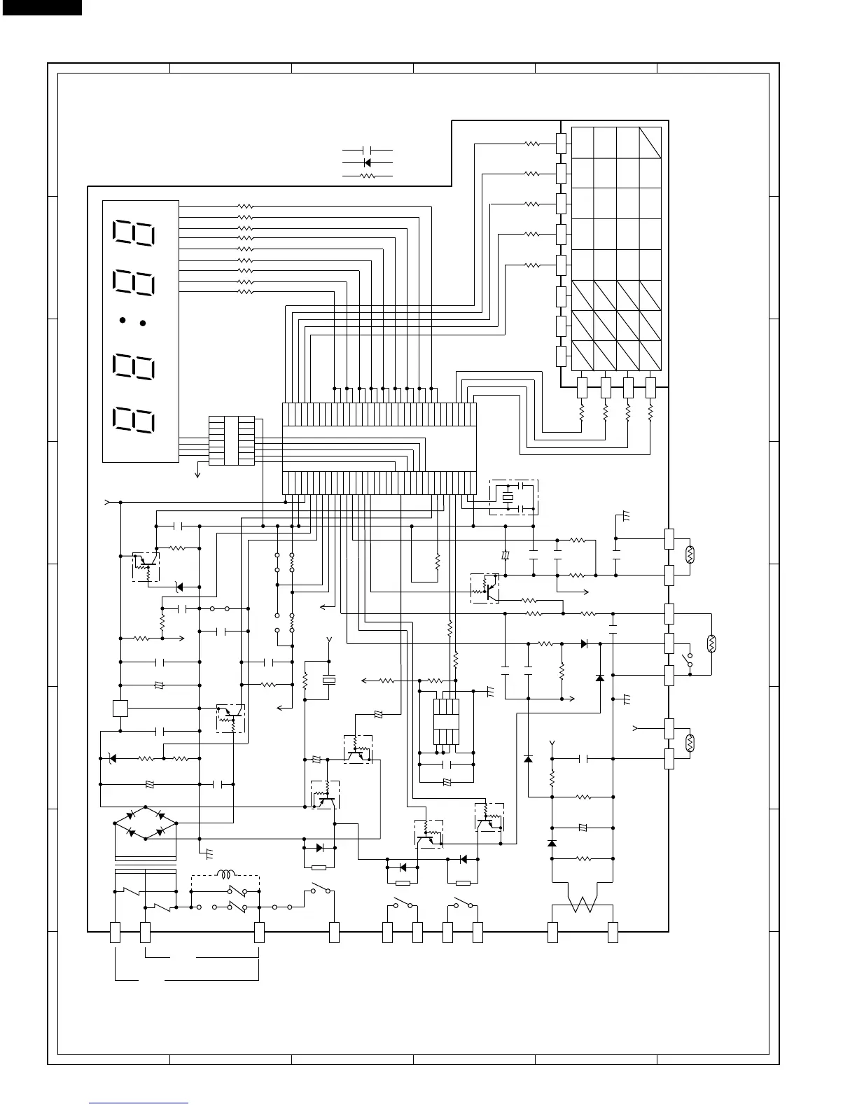
Figure S-6. Control Panel Circuit (R-24GT)
+
+
+
+
+
+
+
A3
A5
A7
A1
NC
COM
NC
COM
TB2
TB1
D1 D3 B1 B2 B3 H1 H3
G12
G11
G10
G9
G1 G2 G3 G4 G5 G6 G7 G8
(J1)
T1
a
d
b
c
(J2)
11ES1 x 4
D1
D2
D3 D4
C1 2200µ/25v
C2 0.1µ/50v
C9
0.1µ/50v
Q1 KIA7805PI
C3 47µ/10v
C4 0.1µ/50v
Q3
KRC101M
R65 6.8k
C64
(J9)
R66
4.7k
(C)
Q2
DTA123ES
VC
C7
R3 4.7k
ZD2
HZ4A2
(J4)
(J6)
(J3)
(J5)
RY1
RY2
RY3
D21
D20
D22
Q21
KRC101M
Q20
DTB143ES
VC
R4 4.7k
R40 2.7k
SP1
VC
R30 100R31 15k
R32 2.7k
C21
10µ/25v
C20
0.1µ/50v
R5 4.7k
(B)
(A)
Q60 KRA101M
Q22
DTD143ES
Q23 DTD143ES
R102 4.7k
D100
D101
C30 47µ/10v
C31
C61
C70
VC
R70 4.7k
R71 4.7k
D70
CT1
R100 820F
C100 47µ/10v
R101 100k
C101
(B)
(C)
D23 11ES1
C60
0.1µ
/50v
VC
R60 1.1k
R61 4.7k
R62 20k
R63 1.5k
R64 4.7k
C5
47µ/10v
0.1µ/50v
C6
C63
C62
0.1µ/50v
TEST
VCC
SCL
SDA
A0
A1
A2
VSS
1
4
8
5
VCC
VEE
AVSS
VREF
AN7
AN6
AN5
AN4
AN3
AN2
AN1
AN0
P55
P54
P53
P52
P51
P50
P47
P46
P45
P44
P43
P42
INT1
INT0
RESET
P71
P70
XIN
XOUT
VSS
1
5
15
10
20
25
30
33
P30
P31
P32
P33
P34
P35
P36
P37
P00
P01
P02
P03
P04
P05
P06
P07
P10
P11
P12
P13
P14
P15
P16
P17
P20
P21
P22
P23
P24
P25
P26
P27
32
35
40
45
50
55
60
64
IC1
IZA633DR
CF1 CST4.00MGW
R80 4.7k
R81 4.7k
R82 4.7k
R83 4.7k
R88 4.7k
R87 4.7k
R86 4.7k
R85 4.7k
R84 4.7k
R50 100
R51 100
R52 100
R53 100
R54 100
R55 100
R56 100
R57 100
R58 100
GND
17
16
15
14
13
12
11 01
02
03
04
05
06
07
16
98
1
10
11
12
13
1
2
3
4
5
6
7
8
9
(A)
LED1
LIGHT EMITTING DIODE
7
8
9
0
5
6
3
4
1
2
SELECTA
POWER
DOUBLE
QUANTITY
START SET
SELECTA
TIME
EXPRESS
DEFROST
STOP/
CLEAR
CHECK
SIGNAL
ON DEF. NO. X 2 CHECK
DOOR
SWITCH
OVEN THERMISTOR
MAGNETRON
THERMISTOR
NOTE : IF NOT SPECIFIED, 1/4w ± 5%
IF NOT SPECIFIED, 1SS270A
IF NOT SPECIFIED, 0.01µ / 16v
INTAKE
THERMISTOR
AC230V
60Hz
OVEN LAMP
STIRRER
MOTOR
BLOWER
MOTOR
MICRO 1
MICRO 2
IC2
IC3
VRS1
VRS2
10G471K
x 2
AC208V
60Hz
R2 470 R1 470
ZD1
HZ12B1
C10
20k 10k
C8 0.1µ/50v
R33
4.7k

Related product manuals