EasyManua.ls Logo

Sharp R-520JK - Page 10

Sharp R-520JK
44 pages
Print Icon
To Next Page IconTo Next Page
To Next Page IconTo Next Page
To Previous Page IconTo Previous Page
To Previous Page IconTo Previous Page
Loading...
8
R-520JK
R-520JW
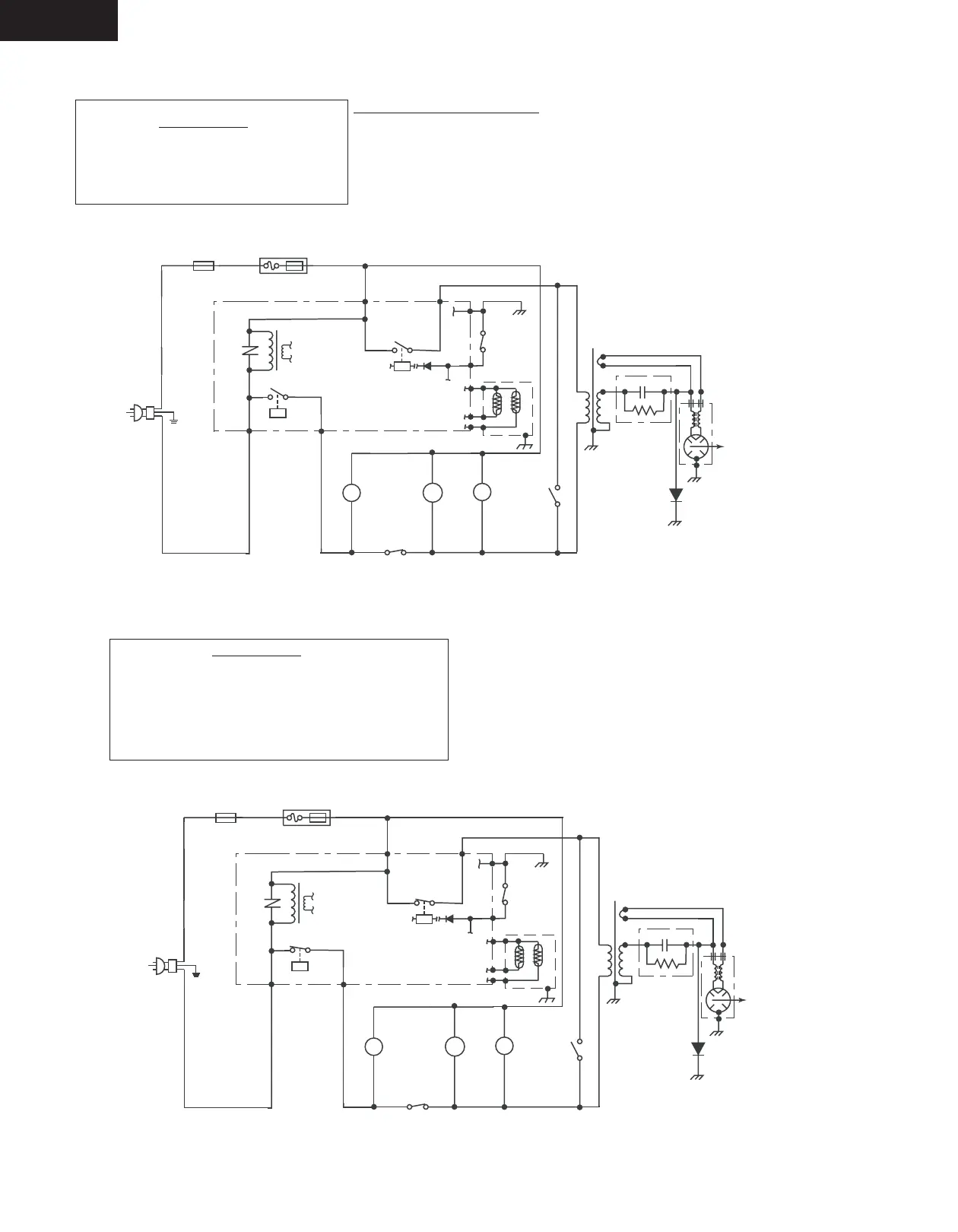
Figure O-2 Oven Schematic - Cooking Condition
Figure O-1 Oven Schematic - Off Condition
SCHEMATIC
NOTE: CONDITION OF OVEN
1. Door Closed
2. CLOCK APPEARS ON DISPLAY
SCHEMATIC
3. VARIABLE COOKING CONTROL "HIGH"
2. COOKING TIME PROGRAMMED
1. DOOR CLOSED
NOTE: CONDITION OF OVEN
4. "START" PAD TOUCHED
Note:* Indicates component
CAVITY
TEMPERATURE
FUS E
120VAC
60Hz
COM.
RED
RED
WHT
WHT
WHT
WHT
BRN
WHT
WHT
WHT
ORG
RED
WHT
WHT
GRN
N.O.
B2
B1
CONTROL UNIT
C/T
FUSE
N.O.
(RY2)
COM.
DOOR
SENSING
SWITCH
TTM
FM
OL
TURN
TAB LE
MOTOR
FAN
MOTOR
OVE N
LAMP
MONITOR
SWITCH
PRIMARY
INTE R LOC K
SWITCH
POWE R
TRANSFORMER
MAGNE T R ON
HIGH
VOLTAGE
CAPACITOR
ORG
WHT
SECONDARY
INTE R LOC K
R ELAY
ORG
BRN
ORG
ORG
RED
RED
GRY
GRY
GND
WHT
F3
F2
F1
SENSOR
(RY1)
OVE N
LAMP
RELAY
COM.
N.O.
HUMIDITY
COM.
N.C.
HIGH
VOLTAGE
R E CT IFIE R
ORG
CAVITY
TEMPERATURE
FUS E
120VAC
60Hz
COM.
RED
RED
WHT
WHT
WHT
WHT
BRN
WHT
WHT
WHT
ORG
RED
WHT
WHT
GRN
N.O.
B2
B1
CONTROL UNIT
N.O.
(RY2)
COM.
DOOR
SENSING
SWITCH
TTM
FM
OL
TURN
TAB LE
MOTOR
FAN
MOTOR
OVE N
LAMP
MONITOR
SWITCH
PRIMARY
INTE R LOC K
SWITCH
POWE R
TRANSFORMER
MAGNE TR ON
HIGH
VOLTAGE
CAPACITOR
ORG
WHT
SECONDARY
INTE R LOC K
R ELAY
ORG
BRN
ORG
ORG
RED
GRY
GRY
GND
WHT
F3
F2
F1
SENSOR
(RY1)
OVE N
LAMP
RELAY
COM.
N.O.
HUMIDITY
COM.
N.C.
HIGH
VOLTAGE
R E CT IFIE R
ORG
C/T
FUSE
RED

Related product manuals