EasyManua.ls Logo

Sharp R-530EK-T - Description and Function of Components; Test Procedures

Sharp R-530EK-T
44 pages
Print Icon
To Next Page IconTo Next Page
To Next Page IconTo Next Page
To Previous Page IconTo Previous Page
To Previous Page IconTo Previous Page
Loading...
R530EWT
6 – 3
2. Cooking Condition
Figure O-2. Oven Schematic-Cooking Condition
[3] DESCRIPTION AND FUNCTION OF COMPONENTS
1. DOOR OPEN MECHANISM
The door is opened by pushing the open button on the control panel,
refer to the Figure D-1. When the open button is pushed, the open but-
ton pushes up the switch lever, and then the switch lever pushes up
the latch head. The latch heads are moved upward and released from
latch hook. Now the door will open.
Figure D-1. Door Open Mechanism.
2. DOOR SENSING AND SECONDARY INTERLOCK
SWITCHES
The secondary interlock switch is mounted in the lower position of the
latch hook and the door sensing switch in the secondary interlock sys-
tem is mounted in the upper position of the latch hook. They are acti-
vated by the latch heads on the door. When the door is opened, the
switches interrupt the power to all high voltage components.
A cook cycle cannot take place until the door is firmly closed there by
activating both interlock switches. The primary interlock system con-
sists of the door sensing switch and primary interlock relay located on
the control circuit board.
3. MONITOR SWITCH
The monitor switch is activated (the contacts opened) by the latch
head on the door while the door is closed. The switch is intended to
render the oven inoperative, by means of blowing the monitor fuse,
when the contacts of the primary interlock relay (RY2) and secondary
interlock switch fail to open when the door is opened.
Functions:
1) When the door is opened, the monitor switch contact close (to the
ON condition) due to their being normally closed. At this time the
primary interlock relay (RY2) and secondary interlock switch are in
the OFF condition (contacts open) due to their being normally open
contact switches.
2) As the door goes to a closed position, the monitor switch contacts
are first opened and then the door sensing switch and the second-
ary interlock switch contacts close. (On opening the door, each of
these switches operate inversely.)
3) If the door is opened, and the primary interlock relay (RY2) and
secondary interlock switch contacts fail to open, the monitor fuse
blows simultaneously with closing of the monitor switch contacts.
CAUTION: BEFORE REPLACING A BLOWN MONITOR FUSE TEST
THE DOOR SENSING SWITCH, PRIMARY INTERLOCK
RELAY (RY2), RELAY (RY1), SECONDARY INTERLOCK
SWITCH AND MONITOR SWITCH FOR PROPER OPER-
ATION. (REFER TO CHAPTER “TEST PROCEDURE”).
NOTE: MONITOR FUSE AND MONITOR SWITCH ARE REPLACED
AS AN ASSEMBLY.
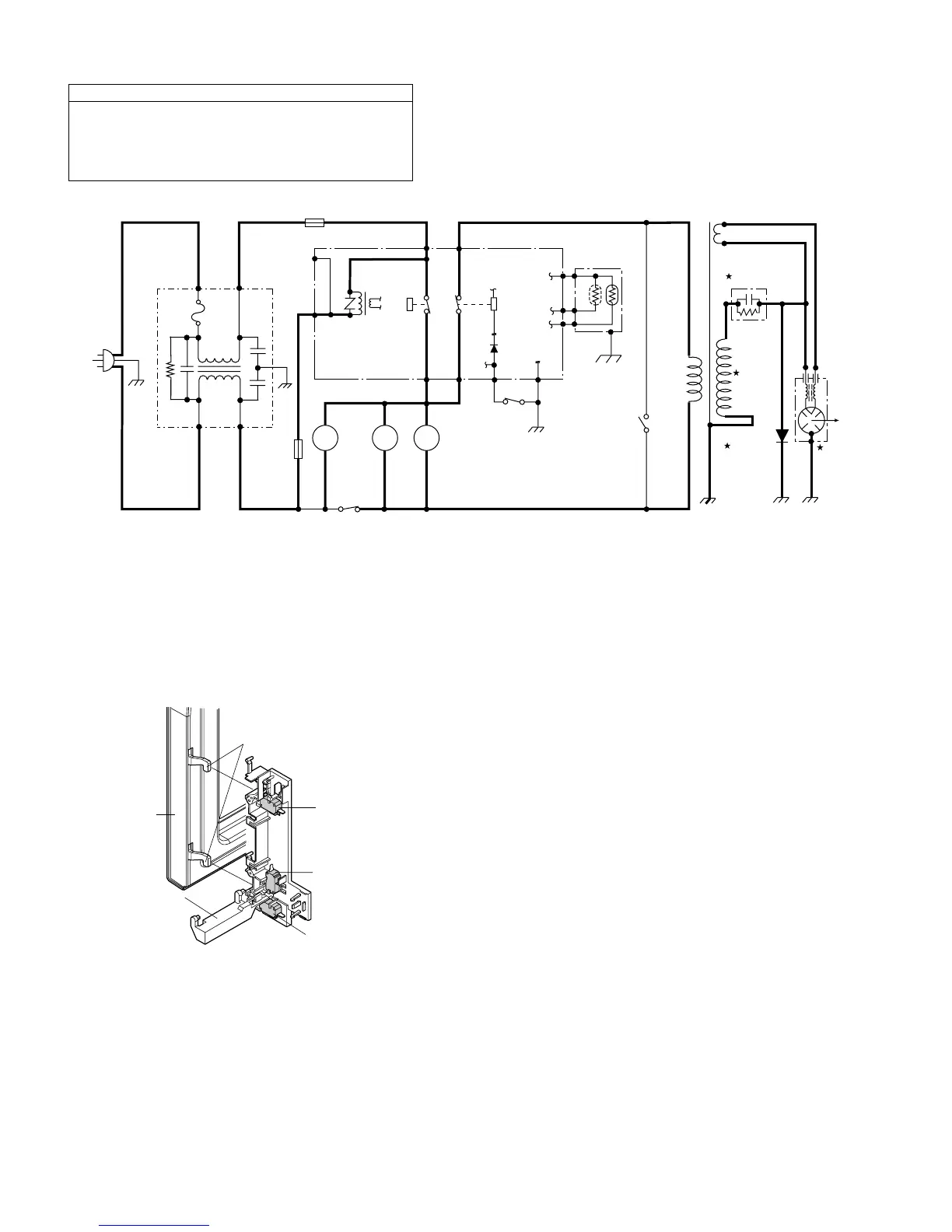
SCHEMATIC
NOTE: CONDITION OF OVEN
1. DOOR CLOSED.
2. COOKING TIME PROGRAMMED.
3. VARIABLE COOKING CONTROL "P-HI/ 100 PERCENT".
4. START PAD TOUCHED.
C3
C2
C1
NOISE
FILTER
MONITOR
FUSE (20A)
R2
120V
AC60 Hz
FAN
MOTOR
MONITOR
SWITCH
H.V. RECTIFIER
MAGNETRON
TTM
OL FM
CAVITY
TEMP.
FUSE
MAGNETRON
TEMP. FUSE
A1
A2
COM.
COM.N.O.
N.C.
DOOR
SENSING
SWITCH
(RY-1)
(RY-2)
PRIMARY
INTERLOCK
RELAY
CONTROL UNIT
B1 B2
GRN
POWER
TRANSFORMER
CAPACITOR
1.0mF AC 2300V
F3
F1
F2
AH SENSOR
SECONDARY
INTERLOCKS
WITCH
OVEN
LAMP
TURN-
TABLE
MOTOR
Door Sensing
Switch
Monitor Switch
Switch Lever
Secondary Interlock
Switch
Latch Heads
Door

Table of Contents

Related product manuals