EasyManua.ls Logo

Sharp R-662 - Operating Instructions; Schematic Diagram

Sharp R-662
27 pages
Print Icon
To Next Page IconTo Next Page
To Next Page IconTo Next Page
To Previous Page IconTo Previous Page
To Previous Page IconTo Previous Page
Loading...
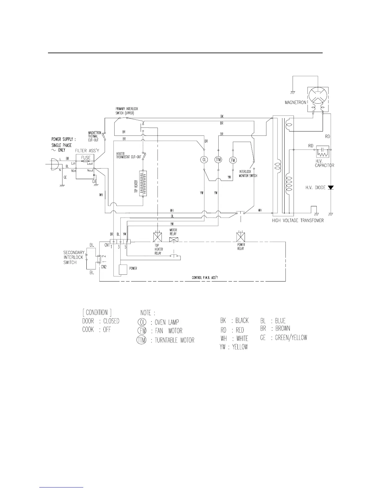
SCHEMATIC DIAGRAM

Related product manuals