EasyManua.ls Logo

Sharp R-763 - Pictorial Diagram; Control Panel Circuit

Sharp R-763
44 pages
Print Icon
To Next Page IconTo Next Page
To Next Page IconTo Next Page
To Previous Page IconTo Previous Page
To Previous Page IconTo Previous Page
Loading...
31
R-763 -
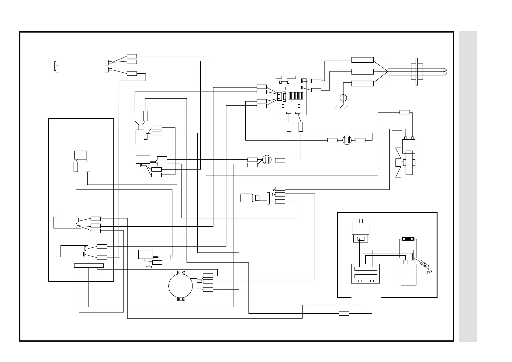
PICTORIAL DIAGRAM
Figure S-1. Pictorial Diagram
GRILL HEATER
WHT
WHT
RED
CONTROL PANEL
CN-B
MON
SW.
STOP
SW.
TTM:
TURNTABLE
MOTOR
OVEN LAMP
TC1: MAG C/O
TC2: OVEN C/O
LIVE
POWER SUPPLY CORD
FM: FAN MOTOR
ASYMMETRIC
RECTIFIER
MG: MAGNETRON
T:
HVT
C: HV CAPACITOR
HV WIRE A
HV WIRE B
HV
RECT
NEUTRAL
EARTH
MOND
LATCH
SW.
RY*3
NO
COM
NO
COM
RY*2
CN-A
WHT
YLW
BLK
RED
WHT RED
BLK
RED
RED
RED
WHT
WHT
GRN
BLK
BLK
RED
RED
YLW
RED
WHT
WHT
YLW
BRN
WHT
BLK
BLK
BLU
BRN
BLU
G/Y
RED
WHT
RED
BLK
YLW
WHT
WHT
RED
BLK
WHT
BLK
RED
WHT
BLK
GRN
RED

Other manuals for Sharp R-763

Related product manuals