EasyManua.ls Logo

Sharp R-772WM - Power Unit Circuit

Sharp R-772WM
43 pages
Print Icon
To Next Page IconTo Next Page
To Next Page IconTo Next Page
To Previous Page IconTo Previous Page
To Previous Page IconTo Previous Page
Loading...
34
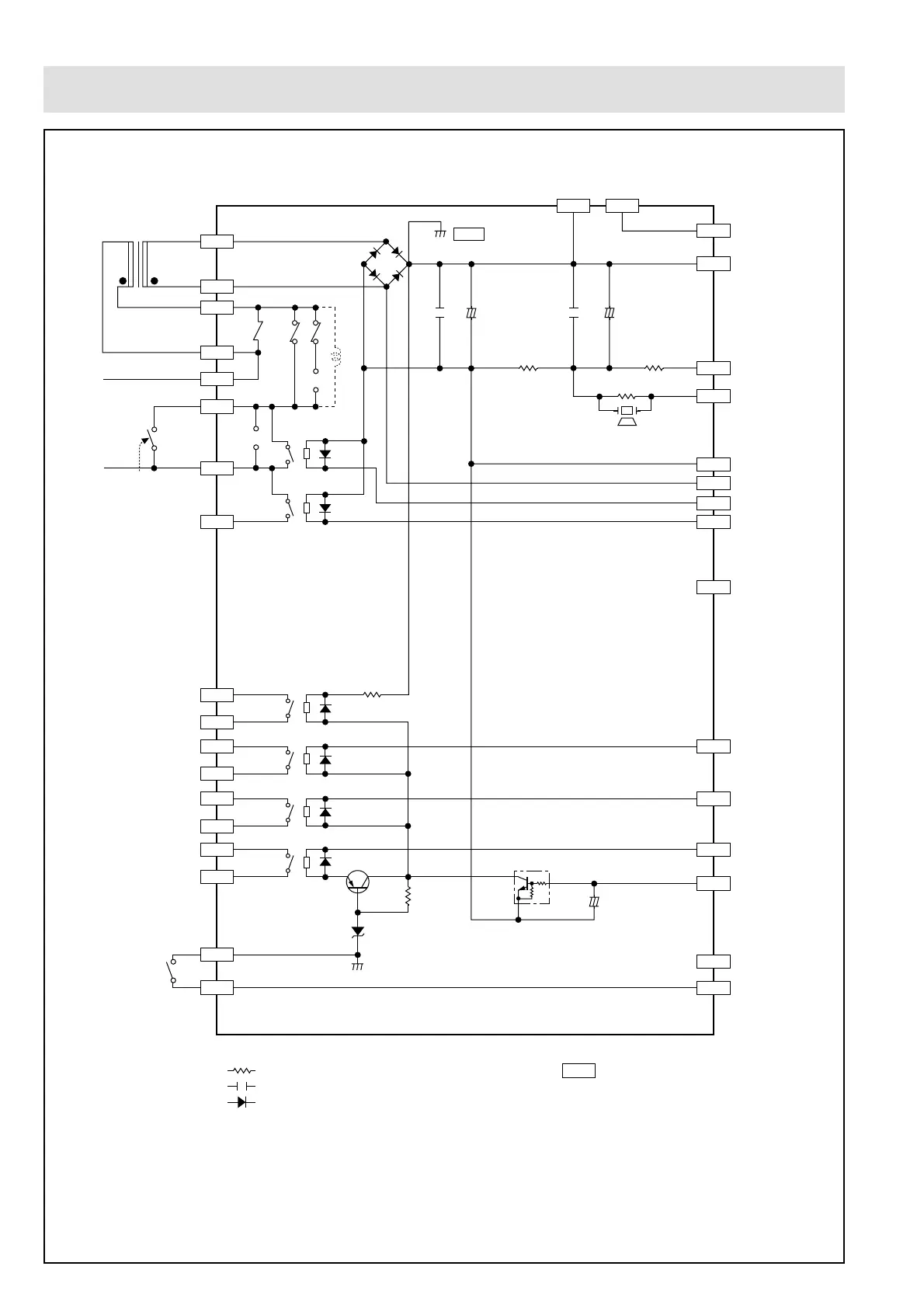
Figure S-2. Power Unit Circuit
E 1
WH1-4
WH1-3
WH1-6
WH1-9
WH1-5
WH1-8
WH1-7
WH1-1
WH1-2
WH1-n
WH1-10
WH1-12
WH1-13
WH1-14
WH1-15
WH1-11
C 1
E 3
E 5
E 7
T1
AC230 - 240V
50Hz
FAN MOTOR
OVEN
THERMISTOR
GND
GND
R3 510 1w
R6 130 1w
Q2
2SB1238
Q3
KRC243M
R4 510 1w
D10
S1NB10
RY5
ab
c
d
C1
VRS1
(J1)
(J2)
D5
RY6
D6
RY1
D1
R2
1.5k
ZD2
HZ20-1
RY4
D4
RY3
D3
RY2
D2
10G471K
C3
C2 1000µ/35v
C5
10µ/35v
C4 10µ/35v
R5 3.3k
SP1
VC
BUZZER
VR
INT
NC
POWER
CONTROL
STOP
SWITCH
NC
BOTTOM
HEATING
ELEMENT
GRILL
HEATING
ELEMENT
HIGH VOLTAGE
TRANSFORMER
STOP
SWITCH
OVEN LAMP
TURNTABLE
MOTOR
DOOR OPEN
CONTACT
A 1
A 3
A 5
A 7
N O
N O
N O
N O
COM
COM
COM
COM
B 2
B 1
NOTE 1. NOTE 2.
+
+
+
C 3
: IF NOT SPECIFIED, 1/4W ± 5% 15P WIRE HARNESS
: IF NOT SPECIFIED, 0.1µF / 50V
: IF NOT SPECIFIED, 1SS270A
POWER UNIT CIRCUIT

Related product manuals