EasyManua.ls Logo

Sharp R-9320 - Page 40

Sharp R-9320
89 pages
Print Icon
To Next Page IconTo Next Page
To Next Page IconTo Next Page
To Previous Page IconTo Previous Page
To Previous Page IconTo Previous Page
Loading...
7
I
8
I
9
I
10
I
11
I
12
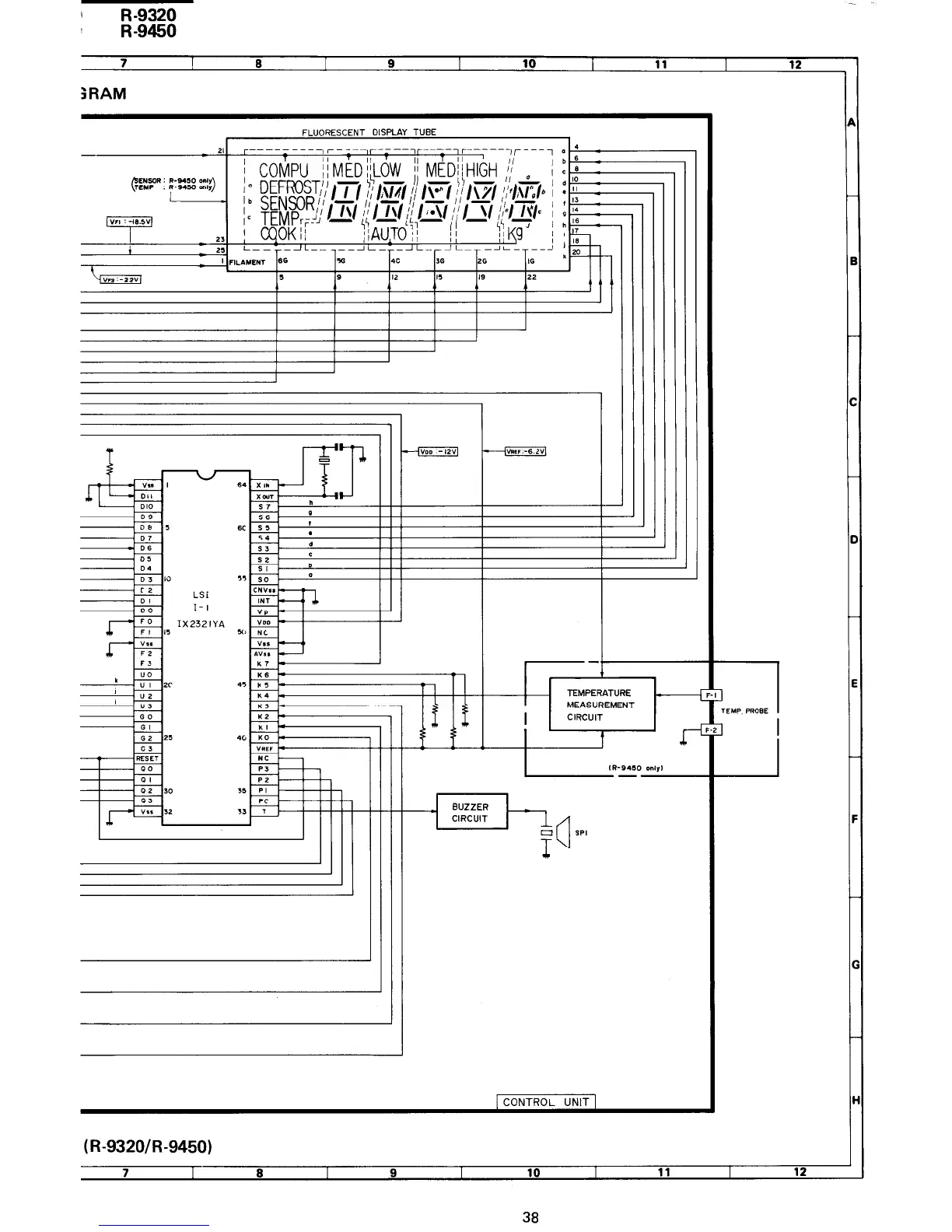
;RAM
1
A
FLUORESCENT DISPLAY TUBE
I
I
,, ,‘:
I a
1 be
. j :I:
I
b, e”
m
, f ‘3
c , 9’4
1 h I_”
4c 36 IG
B
I
J
C
D
I
I I
4 i
TEMPERATURE
F-l
MEASUREMENT
1
I
CIRCUIT
t-3
1
E
1
TEMP PROBE
f
L
t
1 I
I
4
1 IR-0450 my,
--I
F
r I/I/ I
G
(R-9320/R-9450)
Ii
7 I 8 I 9
I 10 I 11 I 12
38

Related product manuals