EasyManua.ls Logo

Sharp SJ-48H-S - Electric Accessories Layout

Sharp SJ-48H-S
28 pages
Print Icon
To Next Page IconTo Next Page
To Next Page IconTo Next Page
To Previous Page IconTo Previous Page
To Previous Page IconTo Previous Page
Loading...
8
SJ-48H-S
SJ-51H-S
SJ-55H-S
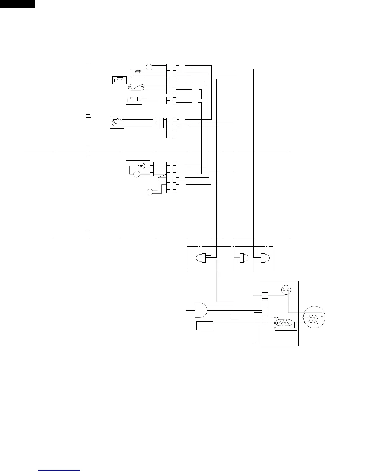
Figure W-2. Electric Accessories Layout
Fan motor
C1(LR-09-1V)
Defrost thermo.
F-thermostat
Thermo. fuse
Defrost heater
Door switch
FREEZER
REFRIGERATOR
(RC-box ass'y)
(C-part. ass'y)
(E.V cov. ass'y)
MACHINE ROOM
Defrost timer
Lamp
C2(ELR-02V)
C3(ELR-06V)
C4(LR-09-1V)
3(Push close)
4(Push open)
(O)
Terminal box
Source plug
Running capacitor
(G-Y)
Overload
relay
Terminal cover
Starting relay
Compressor
CE-2
(Br)
CE-5
(B)
CE-2
(G)
1
2
3
4
5
6
7
8
9
1
2
3
4
5
6
7
8
9
1
2
3
4
5
6
1
2
3
4
5
6
1
2
3
1
2
1
2
1
2
3
4
5
6
7
8
9
1
2
3
4
5
6
7
8
9
FM
3
1
4
1
L
3
2
4
1
TM
C
M
A
1
L
E
N
(G)
(P)
(B)
(Br)
(R)
(Bk)
(W)
(W)
(Y)
(O)
(B)
(S-B)
(R)
(Bk)
(G)
(Y)
(S-B)
(P)
(Br)
G
Br
O
Y
R
P
B
Bk
S-B
G-Y
W
: GRAY
: BROWN (live)
: ORANGE
: YELLOW
: RED
: PINK
: BLUE (neutral)
: BLACK
: SKY-BLUE
: GREEN-YELLOW (earth)
: WHITE

Related product manuals