EasyManua.ls Logo

Sharp VC-A50 - Page 62

Sharp VC-A50
84 pages
Print Icon
To Next Page IconTo Next Page
To Next Page IconTo Next Page
To Previous Page IconTo Previous Page
To Previous Page IconTo Previous Page
Loading...
62
1 2 3 4 5 6 7 8 9 10
A
B
C
D
E
F
G
H
I
J
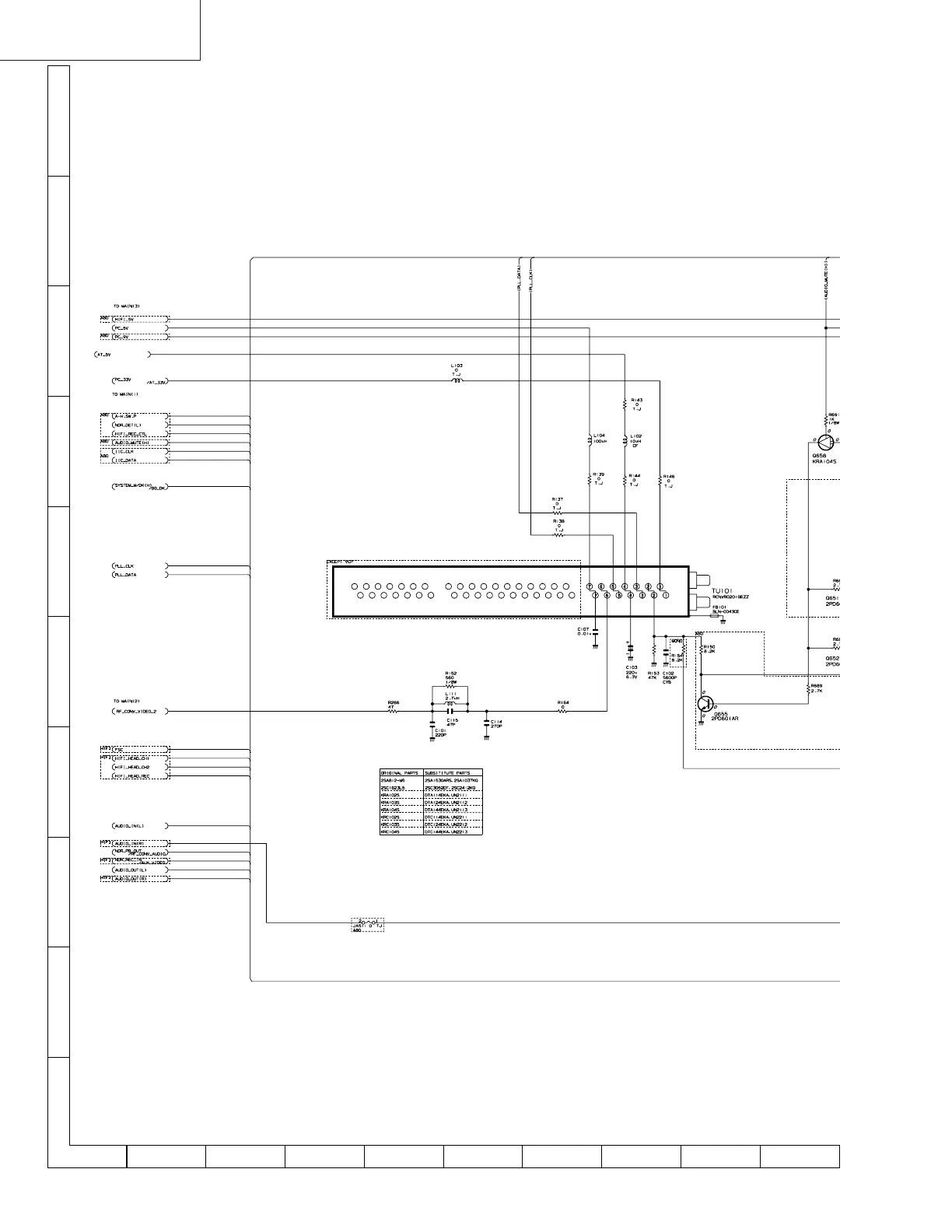
VC-A10/A10S/A500
VC-A50/A50S/A50SB
VC-A60/A75/A80S
MAIN CIRCUIT(4)
* VOLTAGE MEASUREMENT MODE
PB ......Parentheses ( )
REC ...Without Parentheses

Related product manuals