EasyManua.ls Logo

Sharp VC-A592U - Page 69

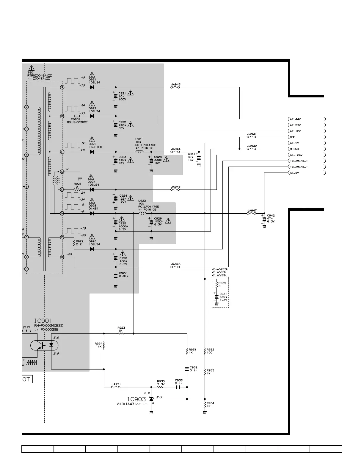
Sharp VC-A592U
96 pages
Print Icon
To Next Page IconTo Next Page
To Next Page IconTo Next Page
To Previous Page IconTo Previous Page
To Previous Page IconTo Previous Page
Loading...
69
VC-A592U/A593U
VC-A5933U/H992U
VC-H993U/H994U
10 11 12 13 14 15 16 17 18 19

Related product manuals