EasyManua.ls Logo

Sharp VC-AA350A - Page 59

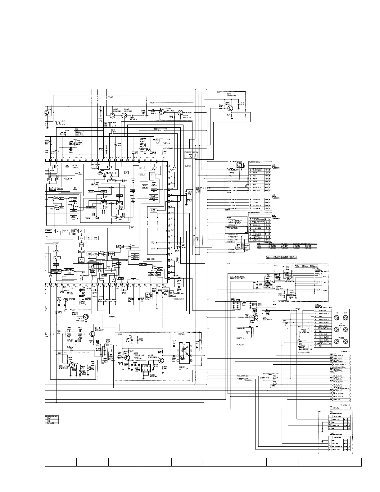
Sharp VC-AA350A
82 pages
Print Icon
To Next Page IconTo Next Page
To Next Page IconTo Next Page
To Previous Page IconTo Previous Page
To Previous Page IconTo Previous Page
Loading...
10 11 12 13 14 15 16 17 18 19
59
VC-AA350A/L/M/W
VC-AA352W,AA360A,AA370A
VC-AA550A/L/W,AA560A,AA570A

Related product manuals