EasyManua.ls Logo

Sharp VC-AA350A - Page 62

Sharp VC-AA350A
82 pages
Print Icon
To Next Page IconTo Next Page
To Next Page IconTo Next Page
To Previous Page IconTo Previous Page
To Previous Page IconTo Previous Page
Loading...
1 2 3 4 5 6 7 8 9 10
A
B
C
D
E
F
G
H
I
J
62
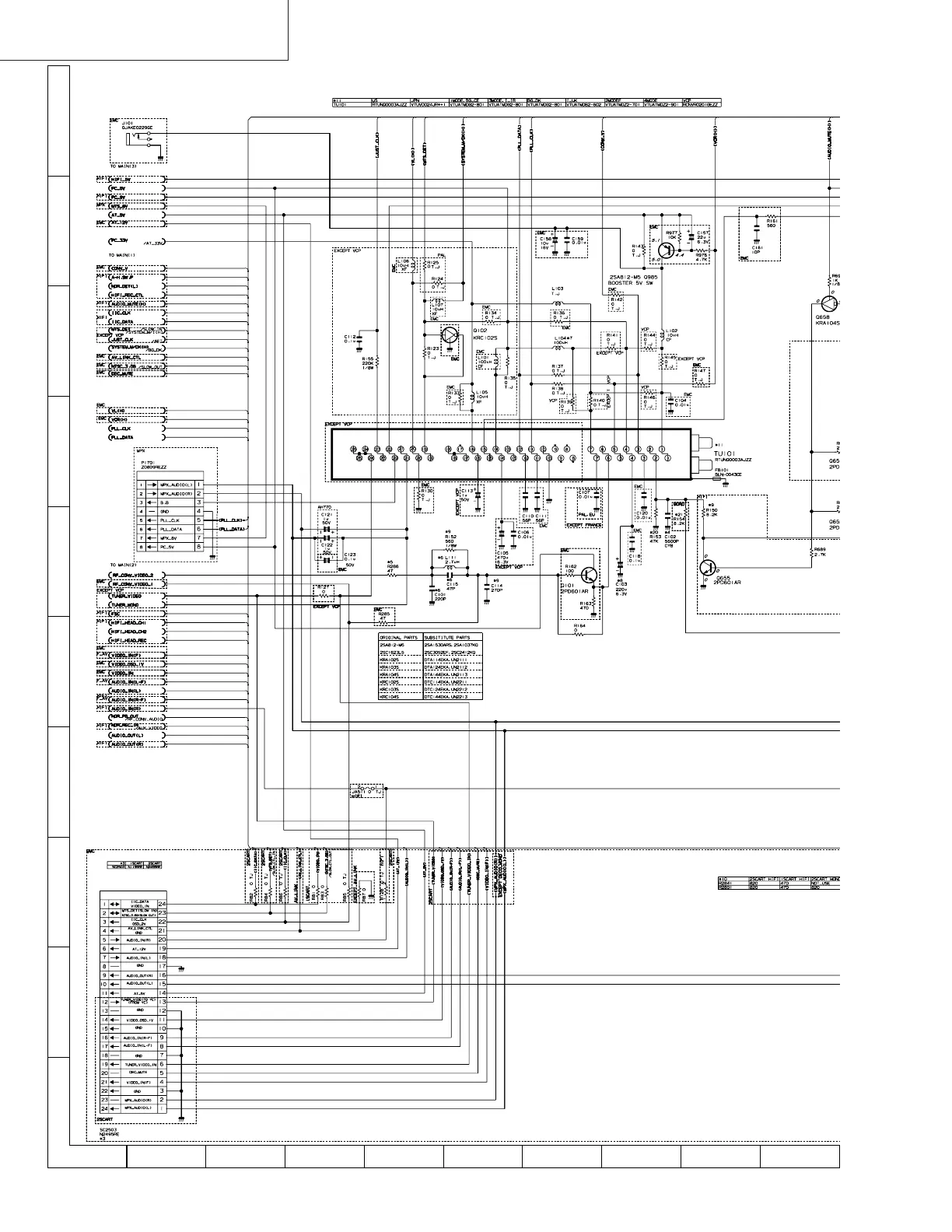
VC-AA350A/L/M/W
VC-AA352W,AA360A,AA370A
VC-AA550A/L/W,AA560A,AA570A
* VOLTAGE MEASUREMENT MODE
PB ......Parentheses ( )
REC ... Without Parentheses
MAIN CIRCUIT(4)

Related product manuals