EasyManua.ls Logo

Sharp VC-GH60SM - Page 61

Sharp VC-GH60SM
91 pages
Print Icon
To Next Page IconTo Next Page
To Next Page IconTo Next Page
To Previous Page IconTo Previous Page
To Previous Page IconTo Previous Page
Loading...
117
1 2 3 4 5 6 7 8 9 10
A
B
C
D
E
F
G
H
I
J
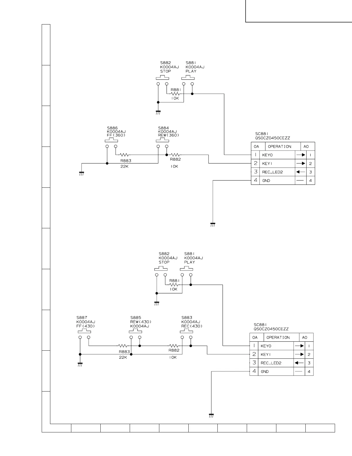
VC-GH61GM/SM,GH611GM
VC-GH60SM,GH600SM,GH601SM
VC-FH310GM/SM
9. SCHEMATIC DIAGRAM AND PWB FOIL PATTERN /
SCHALTSCHEMA UND PLATINENMUSTER
OPERATION CIRCUIT / BEDIENUNGSSCHALTUNG
(VC-GH61GM/SM,GH611GM/SM)
(VC-FH310GM/SM)

Related product manuals