EasyManua.ls Logo

Sharp VC-MH75HM - Page 58

Sharp VC-MH75HM
83 pages
Print Icon
To Next Page IconTo Next Page
To Next Page IconTo Next Page
To Previous Page IconTo Previous Page
To Previous Page IconTo Previous Page
Loading...
62
VC-MH75HM
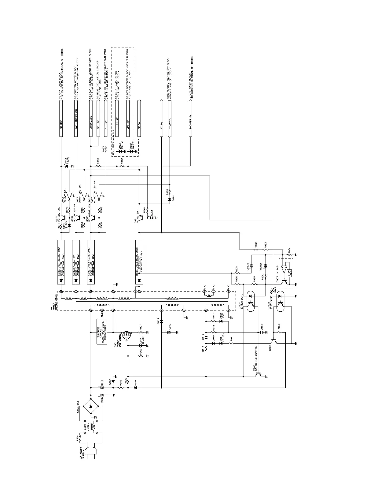
POWER CIRCUIT BLOCK DIAGRAM

Other manuals for Sharp VC-MH75HM

Related product manuals