EasyManua.ls Logo

Sharp VC-MH75HM - Page 69

Sharp VC-MH75HM
83 pages
Print Icon
To Next Page IconTo Next Page
To Next Page IconTo Next Page
To Previous Page IconTo Previous Page
To Previous Page IconTo Previous Page
Loading...
74
1 2 3 4 5 6 7 8 9 10
A
B
C
D
E
F
G
H
I
J
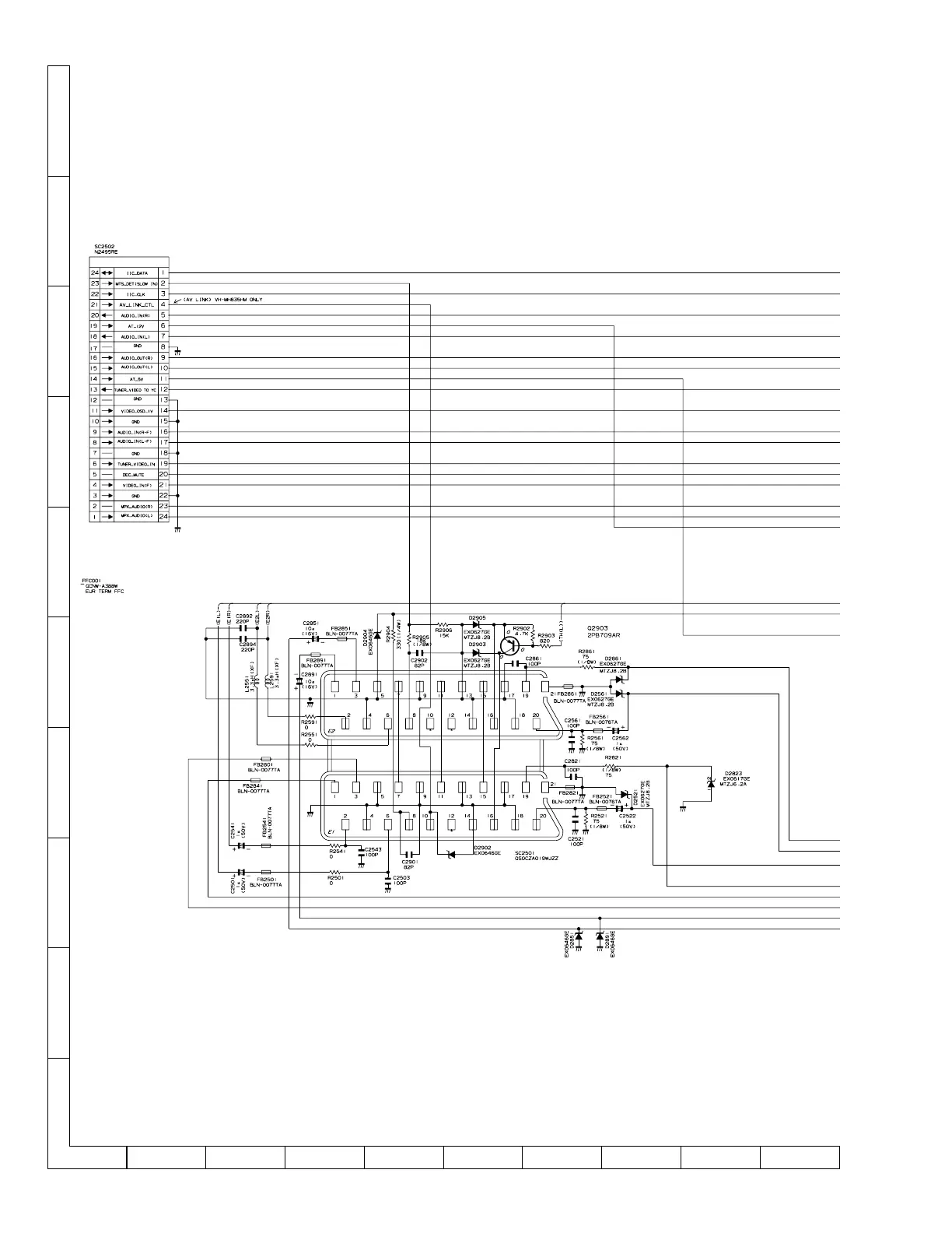
VC-MH75HM
* VOLTAGE MEASUREMENT MODE
PB ......Parentheses ( )
REC ...Without Parentheses
EUR-TERM CIRCUIT

Other manuals for Sharp VC-MH75HM

Related product manuals