EasyManua.ls Logo

Sharp XL-505H - Page 18

Sharp XL-505H
56 pages
Print Icon
To Next Page IconTo Next Page
To Next Page IconTo Next Page
To Previous Page IconTo Previous Page
To Previous Page IconTo Previous Page
Loading...
XL-505H,505E,507E/CP-505,505E,507
– 18 –
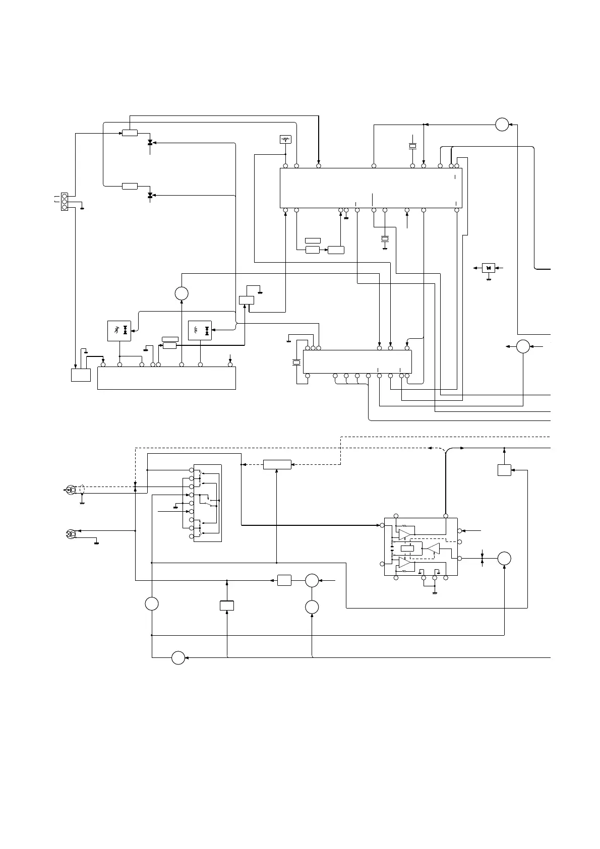
Figure 18 BLOCK DIAGRAM (3/4)
AM ANT.
T302
FM MUTE LEVEL
VR351
AM OSC OUT
SWITCHING
R-MUTE
X351
AM OSC.
T306
CF351
T351
AM IF
CF352
+5V
AM MIX OUT
FM IF DET./
FM MPX./AM IF
IC303
LA1832
(AM/FM)
MO/ST
L-CH OUT
R-CH OUT
MPX VCO
MPX IN
FM/AM OUT
AM RF IN
AM OSC
OUT
AM OSC
IN
AM MIX
OUT
FM IF
IN
SD
GND
AM IF IN
STEREO
FM DET
VCC
IF OUT
PHASE
PHASE
Q351
AM IF IN
VD303
L302
IC301
TA7358AP
FM FRONT END
PLL CONTROLLER
LC72131
AUDIO
+12V
VOLTAGE
REGULATOR
ZD351
ANTENNA
CNP301
AM LOOP
FM
BF301
FM+B
FM IF
T304
CF302
VT
L303
VD302
FM OSC
RF AMP.
IC302
VT
D GND
X352
4.5MHz
X OUT
X IN
AOUT
DO
CL
DI
CE
FM
FM
FM IN
AM IN
MO/ST
IF REQ
IF IN
VSS
AUDIO +
1
VOLTAGE
REGULATOR
FM+B
+5V
A-GND
Q360
VT
FM RF
Q305
BIAS OSC.
SWITCHING
NF
ALC
L-IN
L-OUT
REC
RECORD/PLAYBAK
HEAD
R-CH
L-CH
ERASE HEAD
BEAT CANCEL
SWITCHING
B-CAN
REC
SWITCHING
Q172
SWITCHING
Q171
REC
REC MUTE
A-12V
SWITCHING
R-CH
L-CH
R-OUT
IC102
150K
150K
MUTE
NF
R-IN
Q152
SWITCHING
Q151
L151
Q153
IC101
BA3126N
AUDIO +12V
SWITCHING
Q101-Q104
Q105
Q106
Q107
A-12V
REC BIAS
CONT
Q154
Q155
REC SW
P/B SW
CONT
P/B SW
REC SW
+
+
ALC
23
12 4
5
6
7
89
10 12
13
14
15
16
1718
21
24
3
2
1
8
7
9
43
5
6
1
11
10
9
7
6
5
431
12
15
16
20
21
22
9
8
7
6
5
4
3
2
8
10
2
7
12
6
11
9
5
31
1

Related product manuals