EasyManua.ls Logo

Sharp XL-505H - Page 19

Sharp XL-505H
56 pages
Print Icon
To Next Page IconTo Next Page
To Next Page IconTo Next Page
To Previous Page IconTo Previous Page
To Previous Page IconTo Previous Page
Loading...
– 19 –
XL-505H,505E,507E/CP-505,505E,507
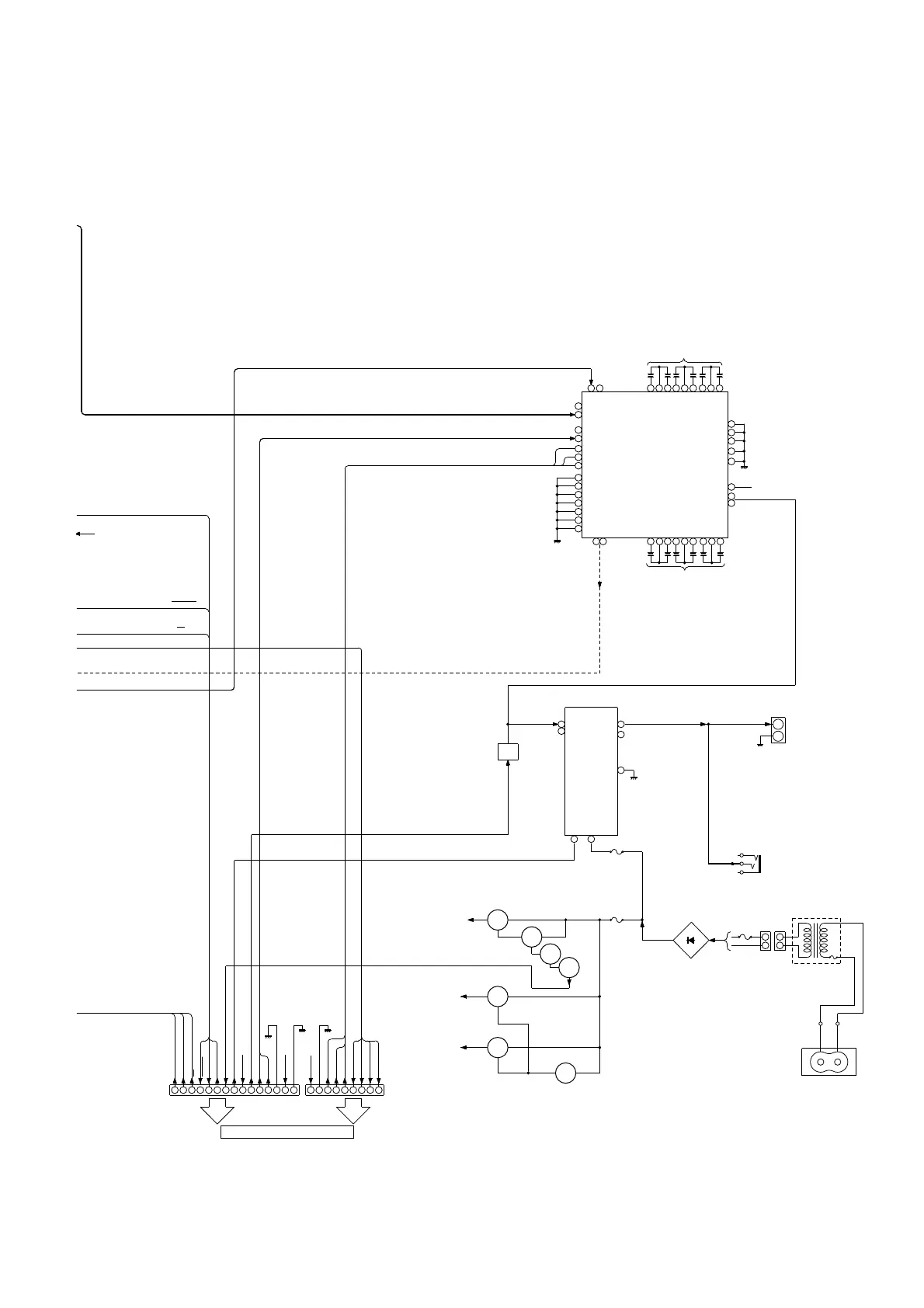
Figure 19 BLOCK DIAGRAM (4/4)
R-MUTE
AUDIO +12V
SD
STEREO
IC601
TAPE
VDD
RVROUT
LVROUT
Vref
RVref
LVref
LTEST
RTEST
AUDIO +12V
AUDIO PROCESSOR
LC75394E
IC401
G-EQ CONTROL
VOL CONTROL
FUNCTION CONTROL
VOLTAGE
REGULATOR
J601
HEADPHONES
AC SOCKET
230V,50Hz
POWER
TRANSFORMER
T651
T.F
CNP651
F651
T2.5A
L 250V
D651-D654
F653
T800mA
L 250V
BIAS
B-CAN
REC
CD+B
P MUTE
CD L
CD R
A-GND
M-GND
D+5V
M 12V
D-GND
PRE DI
CL CQCK
TUN DO
TUN CE
DI COIN
TO CD SERVO PWB
CNP602
CNP603
VOLTAGE
REGULATOR
MECH +12V
AUDIO +12V
VOLTAGE
REGULATOR
Q604
Q605
CD+6.2V
P-CONT
F652
T1.25A
L 250V
VCC
STAND-BY
R-IN
MUTE
Q601
Q602
+
SO601
SPEKER TERMINAL
R-CH X-BASS/GRAPHIC EQUALIZER
RINVIN2
RVRIN
RTOUT
RF3C3
RF3C2
RF3C1
RF2C3
L-CH X-BASS/GRAPHIC EQUALIZER
LSELO
VSS
NC
NC
RSELO
CD L
CD
TUNER
RF2C2
RF2C1
R3
L3
CD R
TUN L
TUN R
TAPE RTAPE L
REC RREC L
TAPE L TAPE R
CL
TUNER
DODI
CD+B
L1
L2
R2
R1
CL
D1
CE
NC
NC
AVSS
VSS
LINVIN2
LTOUT
LVRIN
L-IN
GND
L-CH OUT
R-CH OUT
Q609
Q603
Q608
Q606
Q607
R-MUTE
A 12V
P CONT
FM ST
SD
PRE CL
PRE CE
LF2C1
LF2C2
LF2C3
LF3C1
LF3C2
LF3C3
CE
58
55
54
59
63
56
50
57
2
1
2
1
987654
151413121110
321
987654321
8
14 35
10
1
3
7
4
2
30
19
17 32
11
28
23
24
25
31
29
27
26
22
20
18
5251
53
6061
62
45
44
43
42
4140
75
4
689

Related product manuals