EasyManua.ls Logo

Sharp XL-520W - Page 17

Sharp XL-520W
56 pages
Print Icon
To Next Page IconTo Next Page
To Next Page IconTo Next Page
To Previous Page IconTo Previous Page
To Previous Page IconTo Previous Page
Loading...
– 17 –
XL-520W/CP-520
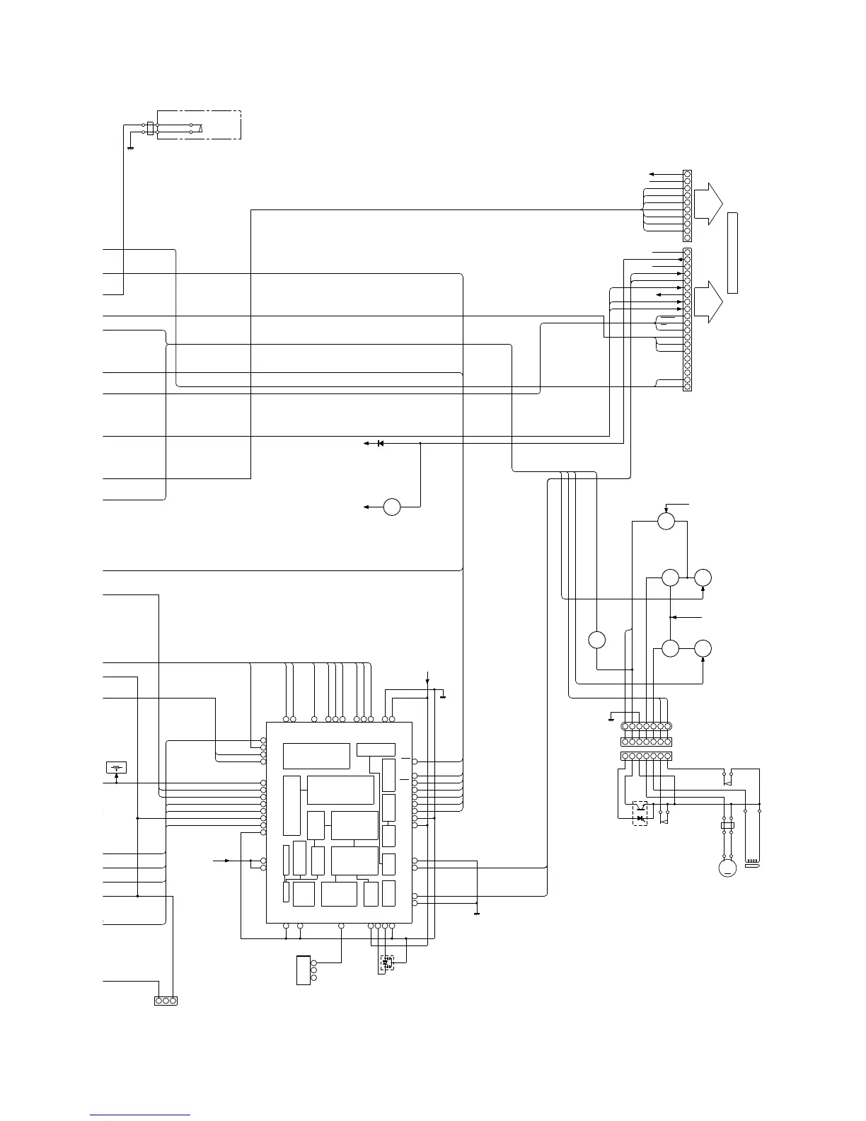
Figure 17 BLOCK DIAGRAM (2/4)
321
7
12
13
14
15
16
17
18
19
21
2526272830323334363740
41
42
43
44
47
48
49
50
51
52
53
54
58
59
65 67 7775 78 79 80
6
2
1
3
2
1
9
8
7
6
5
4
3
2
1
14
13
12
11
10
9
20
10
19
18
17
16
15
8
7
6
5
4
3
2
1
7654321
7654321
7654321
FOCUS
OFFSET
VR803
TEST POINT
TP801
DIGITAL
X801
J801
DIGITAL
OUT TO
MD/DAT
PDCNT
VDDA
GNDA
RFI
RFRP
VREF
SBAD
TEOF
TESH
FEI
FKIC
FCSI
SEL
2VREF
CCE
RST
BUCK
BUS3
BUS2
BUS1
BUS0
GNDD
VDDD
GNDA
RO
LO
GNDA
GNDX
XO
XI
VDDX
TESTX
GNDD
DA CONV
OUT
PLL
STATUS
AUDIO OUT
CLV SERVO
TMAX DET
STATUS
CODE
SUB
CLOCK
EFM
CORRECT
RAM
Q DATA
INTERFACE
CD BUS
16K RAM
ADRESS
A/D CONVERTOR
SERVO
STATUS
GENERATOR
TIMING
FOCUS
TRACKING
SERVO
CONTROL
CD+5V
FMFB
TGUH1
DMPC
DMFC
FMON
TKIC
TGUL
TEL1
TEL2
GNDD
VDDD
D-GND
CD+5V
FW702
SW701
CD EJECT
5V
(S+6.2V)
REGULATOR
Q861
TO MAIN PWB
CNS603
M 12V
D GND
VDI
DI
CE
CL
DO
VCE
VCL
CNS602
REC
R-MUTE
P CONT
P MUTE
S+6.2V
A GND
M GND
A 12V
SD
BIAS
B-CAN
FM ST
CD+B
L-CH
R-CH
SWTCHING
µ-CON5V
Q906
TAPE MOTOR
DRIVER
SWTCHING
Q905
M-12V
Q902
SWTCHING
SWTCHING
SOLENOID
DRIVER
CNP901
CNS901
BI901
SW902
CAM
PREVENTION
RECORD
SW901
PH901
FW901
+
SOLENOID
M
M901
TAPE
BUS0
BUS1
BUS2
BUS3
BUCK
CCE
RESET
G-GND
A-GND
CD R-CH
CD L-CH
Q904
P.F
CAM SW
Q901
Q903
VRO
TSO
SOL901
MOT
SOL
RUN PLS
IC802
PU IN
D
1
2
D
P
O
SRS1
SRS2

Related product manuals