EasyManua.ls Logo

Sharp XL-520W - Page 19

Sharp XL-520W
56 pages
Print Icon
To Next Page IconTo Next Page
To Next Page IconTo Next Page
To Previous Page IconTo Previous Page
To Previous Page IconTo Previous Page
Loading...
– 19 –
XL-520W/CP-520
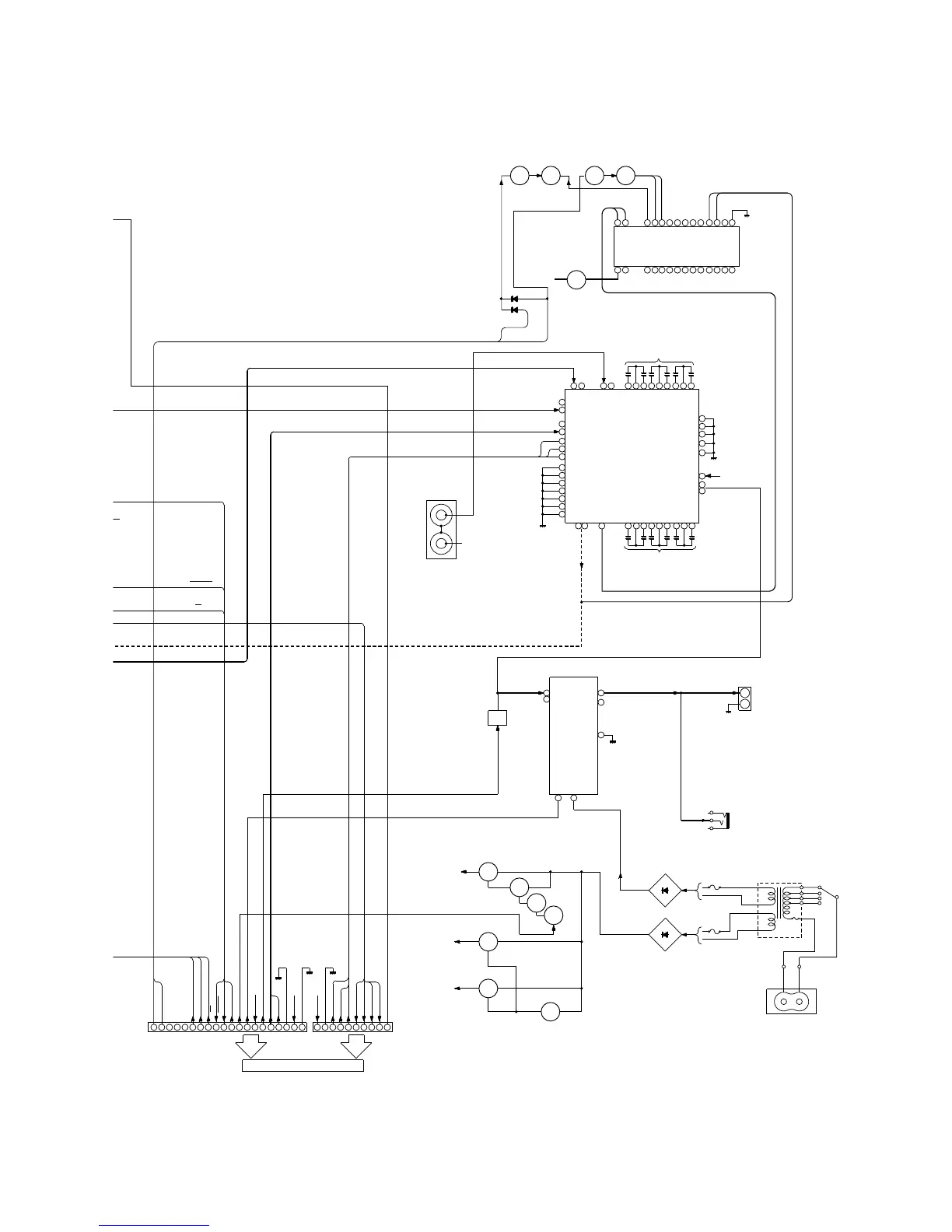
Figure 19 BLOCK DIAGRAM (4/4)
SRS1
Q203Q202
Q208
R-MUTE
A
UDIO +12V
SD
STEREO
IC601
LA4450
POWER AMP.
TAPE
VDD
RVROUT
LVROUT
Vref
RVref
LVref
LTEST
RTEST
AUDIO +12V
AUDIO PROCESSOR
LC75394E
IC401
G-EQ CONTROL
VOL CONTROL
FUNCTION CONTROL
VOLTAGE
REGULATOR
J601
HEADPHONES
AC SOCKET
110/127/220/230-240V
50/60 Hz
POWER
TRANSFORMER
T651
T.F
F651
T2.5A
L 250V
D651 - D654
F652
T1.25A
L 250V
D656 - D659
BIAS
B-CAN
SRS2
SRS1
REC
CD+B
P MUTE
CD L
CD R
A-GND
M-GND
CD+6.2V
M 12V
D-GND
PRE DI
CL CQCK
TUN DO
TUN CE
DI COIN
TO CD SERVO PWB
CNP603
VOLTAGE
REGULATOR
MECH +12V
AUDIO +12V
VOLTAGE
REGULATOR
Q604
Q605
CD+6.2V
P-CONT
VCC
STAND-BY
R-IN
MUTE
Q601
Q602
+
–
SO601
R-CH X-BASS/GRAPHIC EQUALIZER
RINVIN2
RVRIN
RTOUT
RF3C3
RF3C2
RF3C1
RF2C3
L-CH X-BASS/GRAPHIC EQUALIZER
LSELO
VSS
NC
NC
RSELO
CD L
CD
L-CH
R-CH
SO401
VIDEO/
AUX
TUNER
RF2C2
RF2C1
R3
L3
CD R
TUN L
TUN R
TAPE RTAPE L
REC RREC L
TAPE L TAPE R
CL
TUNER
DODI
CD+B
L1
L2
R2
R1
CL
D1
CE
NC
NC
AVSS
VSS
LINVIN2
LTOUT
LVRIN
L-IN
GND
L-CH OUT
R-CH OUT
Q609
Q603
Q608
Q606
Q607
R-MUTE
A 12V
P CONT
FM ST
SD
PRE CL
PRE CE
LF2C1
LF2C2
LF2C3
LF3C1
LF3C2
LF3C3
CE
58
55
54
59
63
56
50
57
141312
11
10
9
15
191817
16
20
876
9
10
8754321 654321
9
14 35
13
2
5
12
7
3
30
19
17 32 16 33
21
28
23
24
25
31
29
27
26
22
20
18
5251
53
6061
62
45
44
43
42
4140
12 34
1211
13
14
10
9
8
7
65
28 27 26 25
1718
16
15
19
20
21
22
2324
75
4
689
13
CNP602
Q201Q205
SRS2
A 12V
LIPPLE
FILTER
MODE MODE
IN R IN L
R IN
L IN
MODE
C OUT
C IN
CL4
CL3
CL2
CL1
Vref
L OUT
R OUT
CR1
GND
PN OUT
NC
NC
NC
NC
NC
NC
S IN
SOUT
CR4
CR3
CR2
VCC
PN IN
OUT L OUT R
IC201
SRS5250S
230-
240V
220V
127V
110V
SW651
VOLTAGE
SELECTOR

Related product manuals