EasyManua.ls Logo

Sharp XL-570 - Page 17

Sharp XL-570
56 pages
Print Icon
To Next Page IconTo Next Page
To Next Page IconTo Next Page
To Previous Page IconTo Previous Page
To Previous Page IconTo Previous Page
Loading...
– 17 –
XL-560,570/C
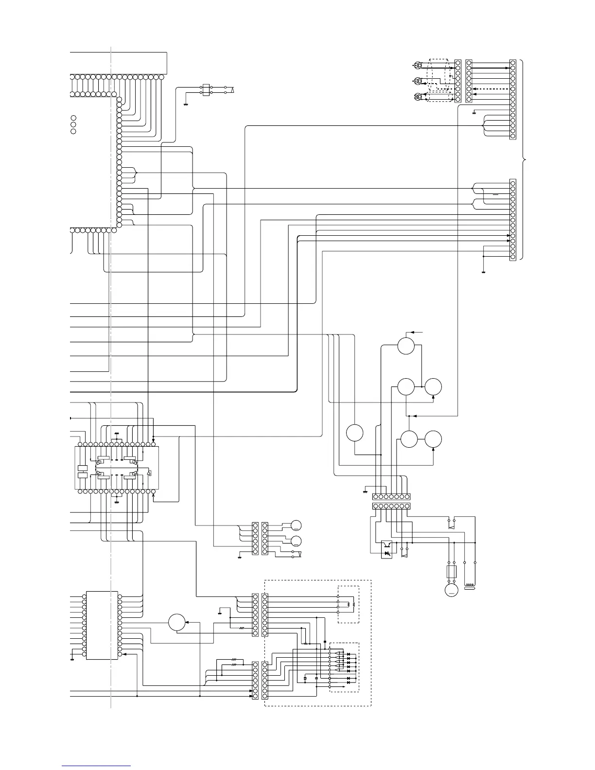
Figure 17 BLOCK DIAGRAM (2/4)
73
1
5
6
2
3
4
1
5
6
2
3
4
1234
5
6
7
8
9
101112131415
16 17 18 19
20 21 22
23
24
25
26
27 28 29 30
1
2
3
4
5
6
7
8
9
10
11
1213
14
15
16
17
18
19
20
21
22
23
24
42 43 44 45 46 47 48
49
50
51
52
53
54
55
56
57
58
59
60
61
62
63
64
65
66
67
68
69
70
71
72
73
74
75
767778798081828384
1
5
6
7
8
9
10
11
12
13
14
15
2
3
4
1
5
6
7
8
9
10
11
12
13
14
15
2
3
4
8
7
6
5
4
3
2
1
8
7
6
5
4
3
2
1
1
5
6
7
234
1
5
6
7
234
M
M
1
5
6
7
8
2
3
4
1
5
6
7
8
2
3
4
1
5
6
7
2
3
4
1
5
6
7
2
3
4
VCC
+
+
+
+
+
+
+
+
––
+
REG.
RESET
S+7.5V
S+7.5V
SP+
SP–
SL+
SL–
S+7.5V
FMO
DMO
TRO
FOO
FO+
FO–
TR+
TR–
CD STB
SBAD
FEO
RFO
GND
AGCI
E
F
B
A
TEBC
FEI
SBAD
RFI
SWITCHING
Q801
+5V
VREF
+5V
RFRP
TEI
SEL
R
FGC
CNS803
CNS801
CNS802
Q903
SWTCHING
Q901
SWTCHING
CAM SW
P.F
SWTCHING
Q904
Q905
SWTCHING
Q906
TAPE MOTOR
DRIVER
SOLENOID
DRIVER
U-CON5V
M GND
Q902
M+12V
CD +5V
RUN PLS
SOL
MOT
SOL
MOT
REC
B-CAN
BIAS
LID-SW
PU-IN
BUS0
BUS1
BUS2
BUS3
SEG31
SEG30
SEG29
SEG28
SEG24
SEG23
SEG22
SEG21
SEG20
SEG19
SEG18
SEG17
SEG16
ID
DATA
BUCK
CD STB
R-MUTE
JOG DOWN
SURROUND
SD
STEREO
SEG32
SEG33
LED_CONT
SW701
CD EJECT
CFW702
CD+B
BIAS
B-CAN
M GND
S+7.5V
A GND
R-CH
L-CH
P MUTE
A 12V
P-STB
L-CH
L-CH
R-CH
R-CH
A_GND
A_GND
A_GND
M 12V
CNS602
TO MAIN PWB
L-CH
R-CH
ERASE
HEAD
RECORD/
PLAYBACK
HEAD
E
R
01
PLAY
/
R
8
01
P
RE AMP.
2
109F
CNS901
SOL901
SOLENOID
SW901
FOOL PROOF
CFW901
M901
TAPE MOTOR
M
+
PH901
PHOTO
INTERRUPTER
SW902
CAM
+
+
SL+
SL–
GND
LD
MON
GND
E
A
B
F
C
1/2VCC
1/2V
+5V
E
A
B
F
C
TR-
TR+
FO+
FO–
LD
VR
PD
GND
TR–
FO–
FO+
TR+
ACTUATOR
M802
SPINDLE MOTOR
M801
SLED MOTOR
SW801
PICKUP IN
LT0H41M1
CNP803
PICKUP UNIT
2VRO
VCC
TN1
MDI
LDO
SEL
TEB
TEN
TEO
FNI
FPI
TPI
CNP901
CEE
CD RES
RFN
RFGC
RFGO
RFIS
RFRP
VRO
FEN
PU-IN
ERASE
DI
CE
DO
CL
VDO
D GND
CNS603
CNP101
R-MUTE
FM ST
SD
REC
SP+
SP–
VCC
VCC
MUTE
VIN1
RES
CD
VIN3
VG1
Vo1
Vo2
GND
GND
GND
Vo3
Vo4
VG2
VIN2
VG3
Vo5
Vo6
GND
GND
GND
Vo7
Vo8
VG4
VIN4
Vref
REG IN
REG OUT
2
1
22
23 24 25 26
27
28 29 30
31 32
33
34 35
36
37 38
75
74
SEG25
SEG26
SEG27

Related product manuals