EasyManua.ls Logo

Sherwin-Williams ULTIMATE NOVA 1000 - Page 33

Default Icon
38 pages
Print Icon
To Next Page IconTo Next Page
To Next Page IconTo Next Page
To Previous Page IconTo Previous Page
To Previous Page IconTo Previous Page
Loading...
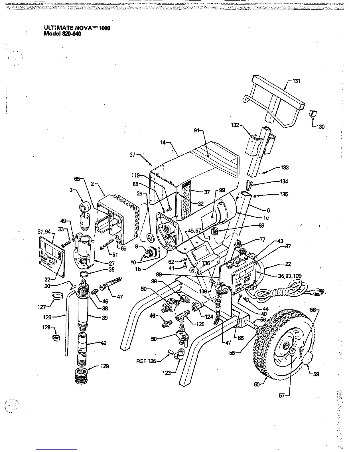
Model
82o040
ULTIMATE
NOVAm
low)
..
..
..
.. .
..
..
..

Related product manuals