EasyManua.ls Logo

Shimano XT series - Page 2

Shimano XT series
2 pages
Print Icon
To Previous Page IconTo Previous Page
To Previous Page IconTo Previous Page
Loading...
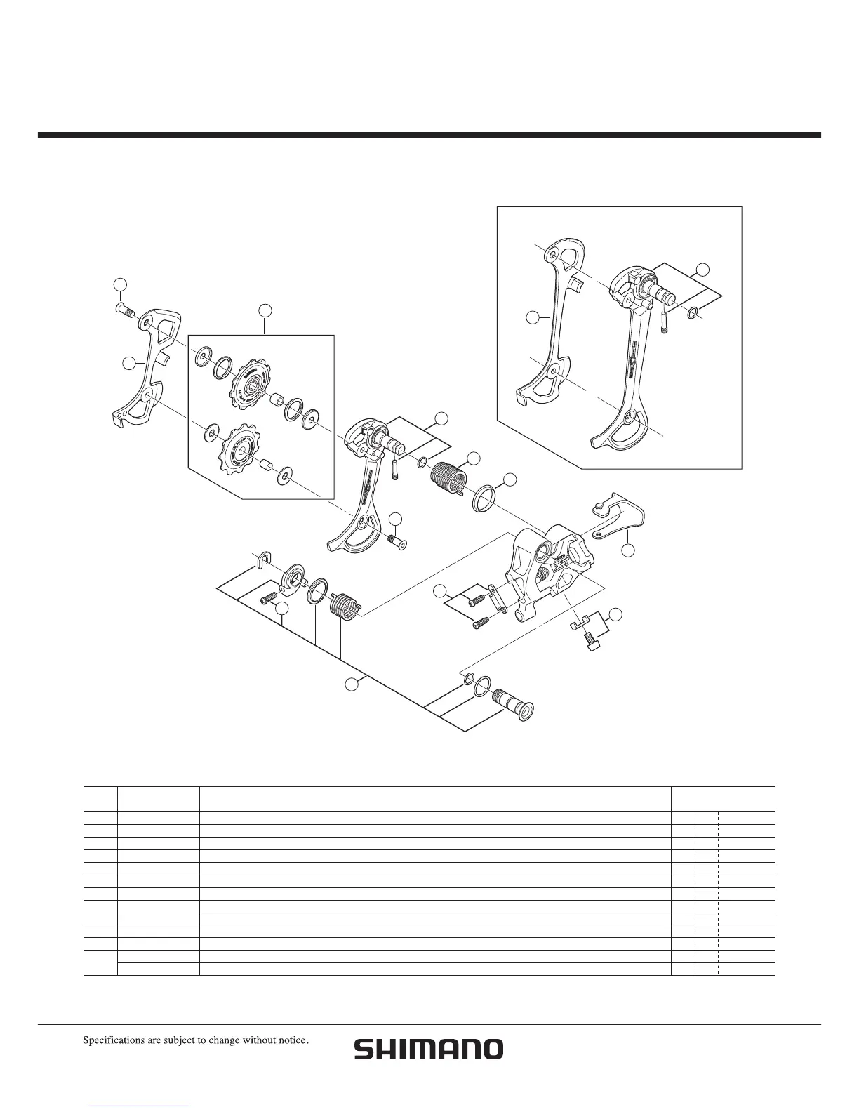
RD-M771 (GS)
RD-M771 (SGS)
DEORE XT Rear Derailleur
Long Cage
Super Long Cage
DESCRIPTION
SHIMANO
CODE NO.
ITEM
NO.
0705-2706
1
2
3
4
5
6
7
8
9
10
11
Y-5W5
Y-556
Y-5W5
Y-5W5
Y-5VA
Y-5UC
Y-5UF
Y-5W5
Y-5W5
Y-53M
Y-5W5
Y-5U5
Y-5W5
98010
25020
98020
98030
16000
14000
14000
98040
98050
24000
98080
09300
10000
B-Axle Assembly
B-Tension Adjusting Screw (M4 x 10)
Stroke Adjusting Screws (M4 x 11.5) & Plate
Cable Fixing Bolt (M5 x 8) & Plate
Cover
P-Seal Ring
P-Tension Spring
Outer Plate Assembly (GS-Type)
Outer Plate Assembly (SGS-Type)
Pulley Bolt
Guide & Tension Pulley Unit
Inner Plate (GS-Type)
Inner Plate (SGS-Type)
INTERCHANGE-
ABILITY
A: Same parts.
B: Parts are usable, but differ in materirals, appearance, finish, size, etc.
Absence of mark indicates non-interchangeability.
RD-M971
RD-M761
RD-M770
B
A
A
B
A
A
A
B
B
A
A
B
B
A
A
A
A
A
A
A
A
A
A
A
A
A
SGS Type
10
11
1
2
3
4
5
6
7
8
9
9
11
10

Related product manuals